电脑桌面
添加小米粒文库到电脑桌面
安装后可以在桌面快捷访问

中国移动通信有限公司GGSN内容计费扩容改造项目工程规范书VIP免费

中国移动通信有限公司GGSN内容计费扩容改造项目工程规范书_第1页
1/20
中国移动通信有限公司GGSN内容计费扩容改造项目工程规范书_第2页
2/20
中国移动通信有限公司GGSN内容计费扩容改造项目工程规范书_第3页
3/20
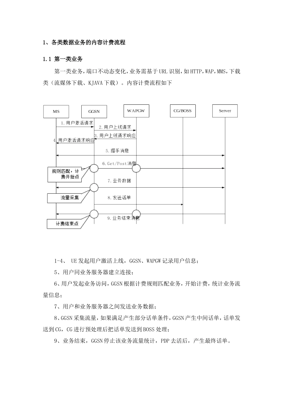
中国移动通信有限公司GGSN内容计费扩容改造项目工程规范书目录1、各类数据业务的内容计费流程.......................................................................11.1第一类业务..................................................................................................11.2第二类业务..................................................................................................11.3第三类业务..................................................................................................22、各种数据业务的内容计费流程......................................................................32.1HTTP业务...................................................................................................32.2WAP1.X业务..............................................................................................52.3WAP2.0业务...............................................................................................62.4MMSOVERWAP业务业务......................................................................72.5流媒体业务..................................................................................................92.6KJAVA下载业务.........................................................................................112.7在线KJAVA应用业务................................................................................132.8FTP业务....................................................................................................142.9POP3/SMTP业务......................................................................................163、CG输出CDR的ASN.1定义.......................................................................171、各类数据业务的内容计费流程1.1第一类业务第一类业务,端口不动态变化,业务需基于URL识别,如HTTP,WAP,MMS,下载类(流媒体下载、KJAVA下载)。内容计费流程如下1-4、UE发起用户激活上线,GGSN、WAPGW记录用户信息;5、用户同业务服务器建立连接;6、用户发起业务访问,GGSN根据计费规则匹配业务,开始计费,统计业务流量信息;7、用户和业务服务器之间发送业务数据;8、GGSN采集流量,如果满足产生部分话单条件,GGSN产生中间话单,话单发送到CG,CG进行预处理后把话单发送到BOSS处理;9、业务结束,GGSN停止该业务流量统计,PDP去活后,产生最终话单。1.2第二类业务第二类业务,如在线流媒体,从协议上能够区分控制面与数据面,控制面的端口固定,数据面的会话(IP或端口)由控制面协商确定。业务流程如下:1-4、UE发起用户激活上线,GGSN、WAPGW记录用户信息;5、用户同业务服务器建立连接;6、用户发起业务访问,同业务服务器发送控制面的交互消息,GGSN根据计费规则匹配务,开始计费,统计业务流量;7、GGSN根据控制面消息交换结果,生成新计费规则用来匹配业务数据;8、用户和业务服务器之间通过数据面发送业务数据。GGSN根据新计费规则,采集用户流量;9、GGSN采集流量,如果满足产生部分话单条件,GGSN产生中间话单,话单发送到CG,CG进行预处理后把话单发送到BOSS处理;10、业务结束,GGSN停止该业务流量统计,PDP去活后,产生最终话单。1.3第三类业务第三类业务,属于Server端端口固定的业务,可通过3/4层解析进行内容计费,如POP3/SMTP、在线KJAVA应用等,流程如下:1-4、UE发起用户激活上线,GGSN、WAPGW记录用户信息;5、用户同业务服务器建立连接,GGSN根据3/4层计费规则匹配业务,开始计费;6、用户和业务服务器之间发送业务数据;7、GGSN采集流量,如果满足产生部分话单条件,GGSN产生中间话单,话单发送到CG,CG进行预处理后把话单发送到BOSS处理;8、业务结束,GGSN停止该业务流量统计,PDP去活后,产生最终话单。2、各种数据业务的内容计费流程2.1HTTP业务2.1.1业务数据传输过程图附...

1、当您付费下载文档后,您只拥有了使用权限,并不意味着购买了版权,文档只能用于自身使用,不得用于其他商业用途(如 [转卖]进行直接盈利或[编辑后售卖]进行间接盈利)。
2、本站所有内容均由合作方或网友上传,本站不对文档的完整性、权威性及其观点立场正确性做任何保证或承诺!文档内容仅供研究参考,付费前请自行鉴别。
3、如文档内容存在违规,或者侵犯商业秘密、侵犯著作权等,请点击“违规举报”。

碎片内容

中国移动通信有限公司GGSN内容计费扩容改造项目工程规范书

您可能关注的文档

确认删除?
VIP
微信客服
  • 扫码咨询
会员Q群
  • 会员专属群点击这里加入QQ群
客服邮箱
回到顶部