电脑桌面
添加小米粒文库到电脑桌面
安装后可以在桌面快捷访问

反应釜规格及参数

反应釜规格及参数_第1页
1/10
反应釜规格及参数_第2页
2/10
反应釜规格及参数_第3页
3/10
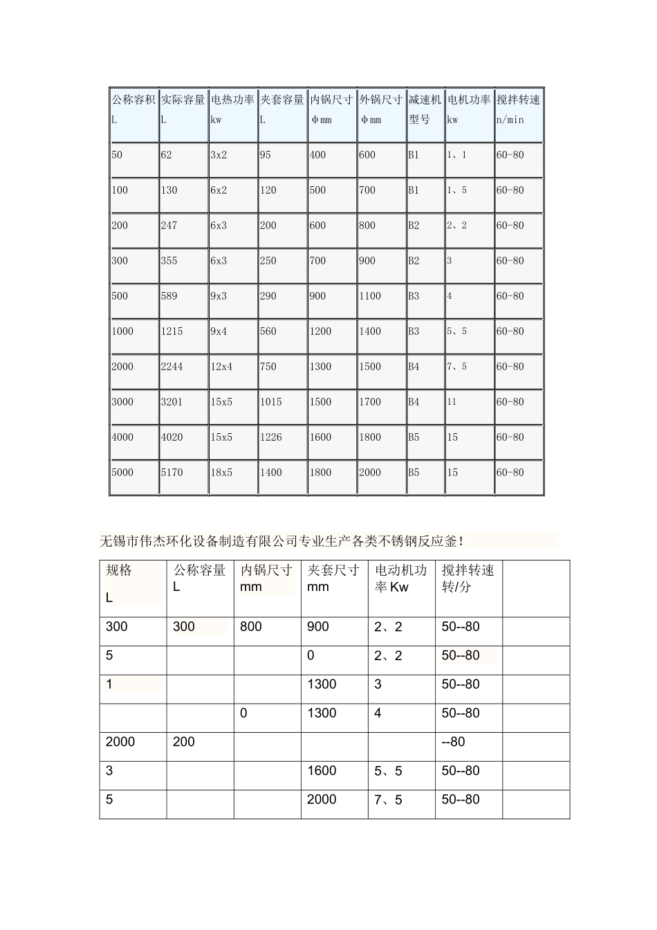
公称容积L实际容量L电热功率kw夹套容量L内锅尺寸φmm外锅尺寸φmm减速机型号电机功率kw搅拌转速n/min50623x295400600B11、160-801001306x2120500700B11、560-802002476x3200600800B22、260-803003556x3250700900B2360-805005899x32909001100B3460-80100012159x456012001400B35、560-802000224412x475013001500B47、560-803000320115x5101515001700B411 60-804000402015x5122616001800B51560-805000517018x5140018002000B51560-80无锡市伟杰环化设备制造有限公司专业生产各类不锈钢反应釜!规格L公称容量L内锅尺寸mm 夹套尺寸mm电动机功率 Kw搅拌转速转/分300300 8009002、250--80502、250--8011300350--8001300450--802000200--80316005、550--80520007、550--8060006000--80100240018、585160260022851500 1500 1200 1300 3 50--802000 2000 1300 1400 4 50--803000 3000 1500 1600 5、5 50--805000 5000 1800 2000 7、5 50--806000 6000 1800 1900 15 50--8010 10000 10000 2200 2400 18、5 85160 16000 16000 2400 2600 22 85表 3-1 蒸汽加热不锈钢反应锅主要技术参数表 3-2 电加热不锈钢反应锅主要技术参数型号 容量L 电热功率数量 油夹套容量 L 内锅尺寸 mm 夹套尺寸 mm 搅拌转速转分 电机功率 kwR100 100 6--2 127 500 700 50--80 1、1R200 200 6--2 600 800 50--80 2、2R300 300 6--4 218 800 1000 50--80 2、2R500 500 9--4 269 900 1100 50--80 2、2R1000 1000 12--4 400 1200 1400 50--80 3R1500 1500 15--4 1200 1400 50--80 3R2000 2000 15--5 1300 1500 50--80 4R3000 3000 1600 1800 50--80 4表 3-3 外盘管不锈钢反应锅参数规格 容量L 筒体直径mm 外盘管传热面积 m 内盘管传热面积 m 电机型号功率 Kw1000L 1000 1100 2、867 2、6 YB112M-4,5、o1500L 1500 1200 3、537 3、1 YB132S—4,5、52000L 2000 1300 4、165 3、8 YB132S—4,5、53000L 3000 1500 5、569 5、4 YB132S—4,5、56000L 6000 1800 10、323 8、7 YB160M—4,1510000L 10000 2200 50 YZ80S—8,2220000L 20000 2400 101 YZ80S—8,55反应釜安全技术操作规程 本设备通常用于物料得反应、精馏、冷却、砂磨、混合等作用。有不锈钢、碳钢、搪玻璃材质等;使用中分常压与受压两种情况,所以在使用时必须要了解其性能,...

1、当您付费下载文档后,您只拥有了使用权限,并不意味着购买了版权,文档只能用于自身使用,不得用于其他商业用途(如 [转卖]进行直接盈利或[编辑后售卖]进行间接盈利)。
2、本站所有内容均由合作方或网友上传,本站不对文档的完整性、权威性及其观点立场正确性做任何保证或承诺!文档内容仅供研究参考,付费前请自行鉴别。
3、如文档内容存在违规,或者侵犯商业秘密、侵犯著作权等,请点击“违规举报”。

碎片内容

反应釜规格及参数

确认删除?
VIP
微信客服
  • 扫码咨询
会员Q群
  • 会员专属群点击这里加入QQ群
客服邮箱
回到顶部