电脑桌面
添加小米粒文库到电脑桌面
安装后可以在桌面快捷访问

地下模板施工技术交底

地下模板施工技术交底_第1页
1/14
地下模板施工技术交底_第2页
2/14
地下模板施工技术交底_第3页
3/14
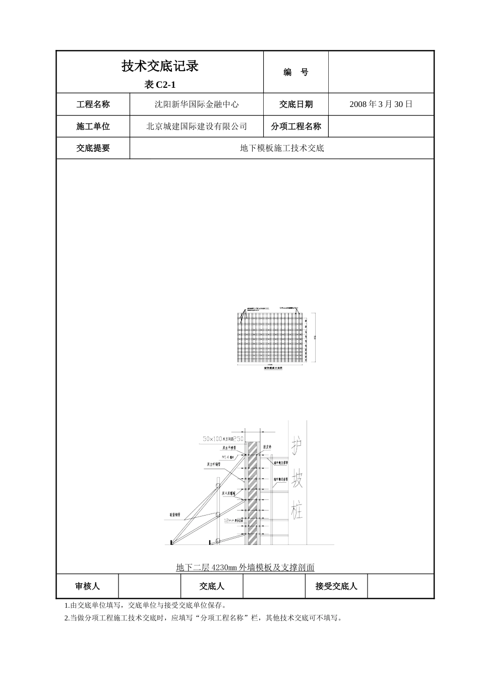
技术交底记录表 C2-1编 号工程名称沈阳新华国际金融中心交底日期2008 年 3 月 30 日施工单位北京城建国际建设有限公司分项工程名称交底提要地下模板施工技术交底交底内容:1.施工准备1.1 机具准备1.1.1 运输工具:塔吊1.1.2 其它机具: 圆盘锯、平刨、电刨、空压机、水准仪、吸尘器、激光垂准仪、锤子、斧头、电钻、活动扳子、手锯、水平尺、线坠、撬棍。1.2 材料准备1.2.1 主要材料:12mm 和 15mm 厚多层板、穿墙螺栓 M14、山型件及螺帽、Φ48×3.5 无缝钢管、直角扣件、对接扣件、旋转扣件、50mm×100mm 方木、100mm×100mm 方木、10#槽钢、碗扣立杆、碗扣横杆、可调顶托、海绵条、灰砂砖。1.2.2 材料要求:地下室模板采纳 12mm 和 15mm 厚多层板12mm 厚多层板:用于墙体、梁、顶板、门窗洞口、楼梯等部位。15mm 厚多层板:用于框架柱、电梯井。1.2.3 脱模剂:水性脱模剂1.3 作业条件1.3.1 已弹好模板位置线、门窗洞口位置线、标高线、控制线。1.3.2 完成施工缝剔凿,并清理洁净。1.3.3 完成钢筋隐检、水电管线、预留等工作。1.3.4 墙体和柱子模板下口做好水泥砂浆找平层,地锚已埋好。1.3.5 第二次使用的多层板已完成脱模模剂涂刷工作。2.施工工艺2.1 模板加工2.1.1 模板加工要求:柱、梁的模板加工必须满足截面尺寸,尺寸过大的模板需进行刨边,否则禁止使用。次龙骨必须双面刨光,主龙骨至少要单面刨光。翘曲、变形的方木不得作为龙骨使用。2.1.2 模板加工的管理与验收2.1.2.1 每批多层板进场前,技术、质量、材料管理人员按材料标准及检测报告对材料进行验收。2.1.2.2 所有 100mm 高方木进场后均应进行压刨处理,未经压刨的方木严禁用于模板加工。2.1.2.3 木模由劳务承包方现场加工:依据图纸、方案、洽商、现场实际尺寸等画出本班组施工范围内梁、板、墙、柱模板的拼装图(要有拼板编号), 2.1.2.4 在模板加工过程中,项目部技术、质量、材料管理人员要随时监控加工质量及方案落实情审核人交底人接受交底人1. 由交底单位填写,交底单位与接受交底单位保存。2. 当做分项工程施工技术交底时,应填写“分项工程名称”栏,其他技术交底可不填写。技术交底记录表 C2-1编 号工程名称沈阳新华国际金融中心交底日期2008 年 3 月 30 日施工单位北京城建国际建设有限公司分项工程名称交底提要地下模板施工技术交底况,不符要求的要坚决予以返工以降低质量成本。对加工好的模板要经过验收方能投入...

1、当您付费下载文档后,您只拥有了使用权限,并不意味着购买了版权,文档只能用于自身使用,不得用于其他商业用途(如 [转卖]进行直接盈利或[编辑后售卖]进行间接盈利)。
2、本站所有内容均由合作方或网友上传,本站不对文档的完整性、权威性及其观点立场正确性做任何保证或承诺!文档内容仅供研究参考,付费前请自行鉴别。
3、如文档内容存在违规,或者侵犯商业秘密、侵犯著作权等,请点击“违规举报”。

碎片内容

地下模板施工技术交底

您可能关注的文档

确认删除?
VIP
微信客服
  • 扫码咨询
会员Q群
  • 会员专属群点击这里加入QQ群
客服邮箱
回到顶部