电脑桌面
添加小米粒文库到电脑桌面
安装后可以在桌面快捷访问

地下防水施工技术交底02

地下防水施工技术交底02_第1页
1/3
地下防水施工技术交底02_第2页
2/3
地下防水施工技术交底02_第3页
3/3
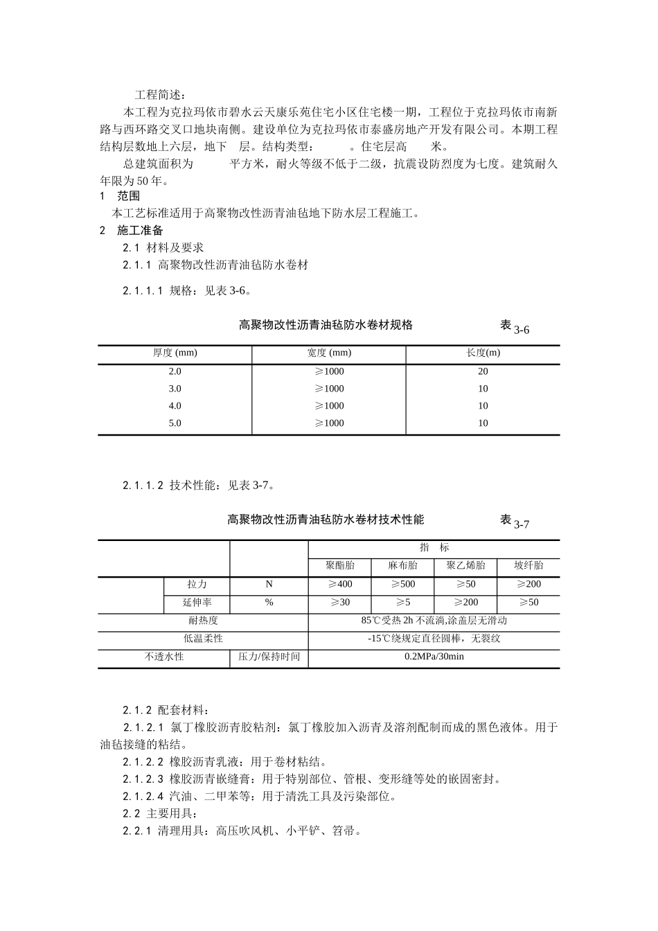
工程简述:本工程为克拉玛依市碧水云天康乐苑住宅小区住宅楼一期,工程位于克拉玛依市南新路与西环路交叉口地块南侧。建设单位为克拉玛依市泰盛房地产开发有限公司。本期工程结构层数地上六层,地下 层。结构类型: 。住宅层高 米。总建筑面积为 平方米,耐火等级不低于二级,抗震设防烈度为七度。建筑耐久年限为 50 年。1 范围 本工艺标准适用于高聚物改性沥青油毡地下防水层工程施工。2 施工准备 2.1 材料及要求 2.1.1 高聚物改性沥青油毡防水卷材 2.1.1.1 规格:见表 3-6。 高聚物改性沥青油毡防水卷材规格 表 3-6厚度 (mm)宽度 (mm)长度(m)2.0≥1000203.0≥1000104.0≥1000105.0≥100010 2.1.1.2 技术性能:见表 3-7。 高聚物改性沥青油毡防水卷材技术性能 表 3-7指 标聚酯胎麻布胎聚乙烯胎坡纤胎拉力N≥400≥500≥50≥200延伸率%≥30≥5≥200≥50耐热度85℃受热 2h 不流淌,涂盖层无滑动低温柔性-15℃绕规定直径圆棒,无裂纹不透水性压力/保持时间0.2MPa/30min 2.1.2 配套材料: 2.1.2.1 氯丁橡胶沥青胶粘剂:氯丁橡胶加入沥青及溶剂配制而成的黑色液体。用于油毡接缝的粘结。 2.1.2.2 橡胶沥青乳液:用于卷材粘结。 2.1.2.3 橡胶沥青嵌缝膏:用于特别部位、管根、变形缝等处的嵌固密封。 2.1.2.4 汽油、二甲苯等:用于清洗工具及污染部位。 2.2 主要用具: 2.2.1 清理用具:高压吹风机、小平铲、笤帚。 2.2.2 操作工具、电动搅拌器、油毛刷、铁桶、汽油喷灯或专用火焰喷枪、压子、手持压滚、铁辊、剪刀、量尺、1500mmφ30 管(铁、塑料)、划(放)线用品。 2.3 作业条件: 2.3.1 施工前审核图纸,编制防水工程施工方案,并进行技术交底。地下防水工程必须由专业队施工,操作人员持证上岗。 2.3.2 铺贴防水层的基层必须按设计施工完毕,并经养护后干燥,含水率不大于 9%;基层应平整、牢固、不空鼓开裂、不起砂。 2.3.3 防水层施工涂底胶前(冷底子油),应将基层表面清理洁净。 2.3.4 施工用材料均为易燃,因而应准备好相应的消防器材。3 操作工艺 3.1 工艺流程:基层清理→涂刷基层处理剂→铺贴附加层→热熔铺贴卷材→热熔封边→做保护层 3.2 基层清理:施工前将验收合格的基层清理洁净。 3.3 涂刷基层处理剂:在基层表面满刷一道用汽油稀释的氯丁橡胶沥青胶粘剂,涂刷应均匀,不透底。 3.4 铺贴附加层:管根、阴阳角部位加铺一层卷材。按法律规范及设计要求将卷材裁成...

1、当您付费下载文档后,您只拥有了使用权限,并不意味着购买了版权,文档只能用于自身使用,不得用于其他商业用途(如 [转卖]进行直接盈利或[编辑后售卖]进行间接盈利)。
2、本站所有内容均由合作方或网友上传,本站不对文档的完整性、权威性及其观点立场正确性做任何保证或承诺!文档内容仅供研究参考,付费前请自行鉴别。
3、如文档内容存在违规,或者侵犯商业秘密、侵犯著作权等,请点击“违规举报”。

碎片内容

地下防水施工技术交底02

您可能关注的文档

确认删除?
VIP
微信客服
  • 扫码咨询
会员Q群
  • 会员专属群点击这里加入QQ群
客服邮箱
回到顶部