电脑桌面
添加小米粒文库到电脑桌面
安装后可以在桌面快捷访问

塔吊基础施工技术交底

塔吊基础施工技术交底_第1页
1/4
塔吊基础施工技术交底_第2页
2/4
塔吊基础施工技术交底_第3页
3/4
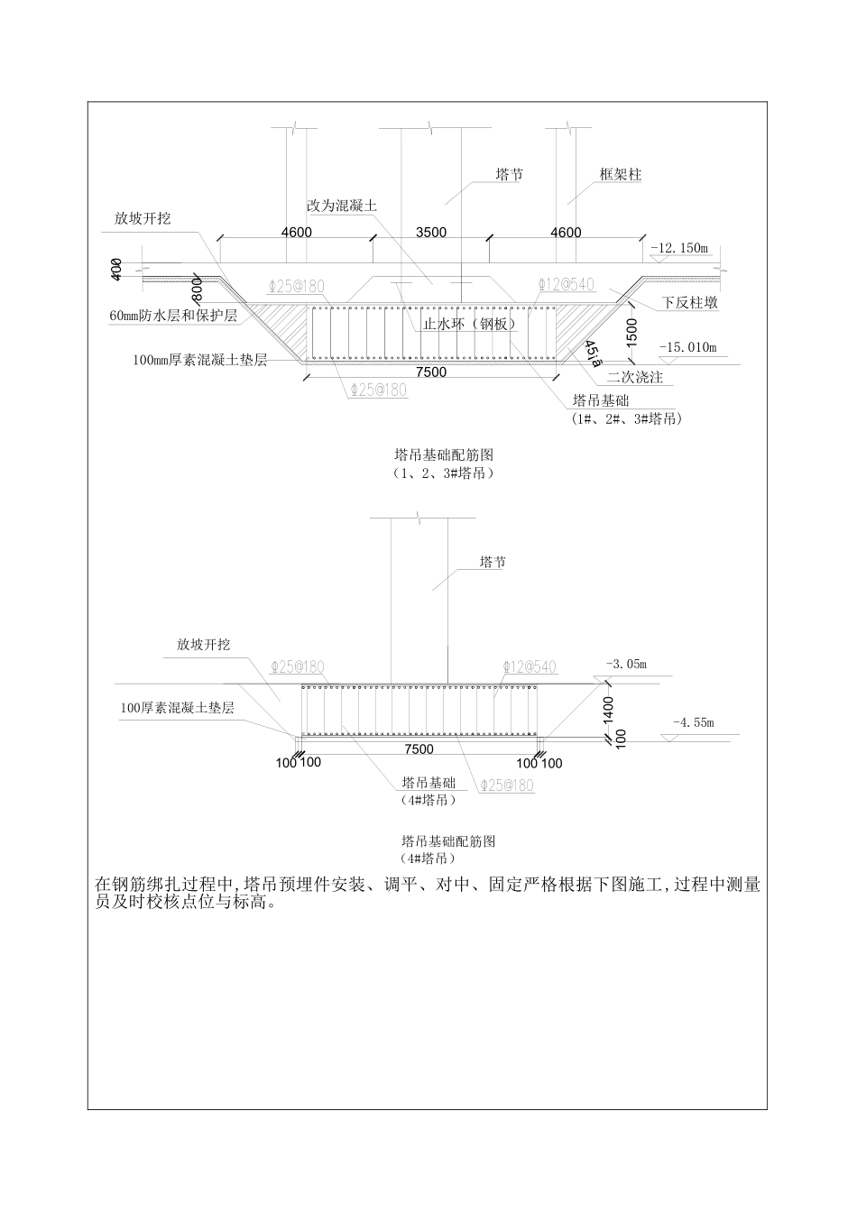
交底内容:本交底适用于顺义平各庄限价商品住房 4#标项目塔吊基础施工。一、材料要求 钢筋:C25、C 12,混凝土:C15、C3 5,塔吊预埋件等。二、主要机具 铁锹、挖土机、钢筋弯曲机、钢筋切断机等 三、施工工艺 工艺流程:测量放线→土方开挖→垫层施工→项目测量员验收→支模→钢筋绑扎→塔吊 预埋件安装、调平、对中、固定→混凝土浇筑→防水层施工1、测量放线 塔吊基础施工前,根据基础定位图纸(塔吊基础定位图),将塔吊基础中心线、塔吊基础边线、土方开挖线定于-4、5 5 m(4#塔吊基础)与—15、0 10m(1#、2#、3#塔吊基础)土层上,经项目部测量员验收后,方可进行土方开挖。 2、土方开挖 本工程 1#、2#、3#塔吊基础埋于基础底板以下,塔吊基础顶标高同筏板底标高。开挖时先用机械开挖,每边留出 1m 工作面,开挖过程中注意基坑得防护,机械分别开挖至-4、45m(1#塔吊基础)与-14、910m,后采纳人工清 100mm 到塔吊基础垫层标高。在开挖得过程中,施工队测量员要常常检查,若发现土质问题及时向项目部报告,并经项目处理后,方可进行下道工序,基坑挖完毕后必须上报项目部测量员验收合格后方可进行下到工序. 3、垫层施工 塔吊基础下做 10 0 mm 厚素混凝土垫层,混凝土标号 C15。4、测量放线 待防水保护层施工完毕后,由施工队测量员放塔吊基础轴线与边线,并报项目部进行验收,验收合格后方可进行塔吊基础支模。 5、支模 待测量放线验收合格后,根据塔吊基础边线进行模板支设。 6、钢筋绑扎 钢筋全部采纳整料施工,由上下两层双排双向钢筋组成,塔吊基础配筋上下铁HRB400 直径 25,拉筋H RB400 直径 12 钢筋,其中上铁钢筋末端做 90°弯钩,长度 15d,下铁钢筋末端做 90°弯钩,长度 1 2 d,并绑扎牢固。基础截面与配筋见下图:35004600150075004600塔吊基础(1#、2#、3#塔吊)二次浇注下反柱墩框架柱塔节改为混凝土800400止水环(钢板)塔吊基础配筋图(1、2、3#塔吊)-12.150m45¡ã-15.010m放坡开挖100mm厚素混凝土垫层60mm防水层和保护层 35004600150075004600塔吊基础(1#、2#、3#塔吊)二次浇注下反柱墩框架柱塔节改为混凝土800400止水环(钢板)14007500塔吊基础(4#塔吊)塔节100厚素混凝土垫层-3.05m100100100100100-4.55m放坡开挖塔吊基础配筋图(1、2、3#塔吊)塔吊基础配筋图(4#塔吊)-12.150m45¡ã-15.010m放坡开挖100mm厚素混凝土垫层60mm防水层和保护层在钢筋绑扎过程中,塔吊预埋件安装、调平...

1、当您付费下载文档后,您只拥有了使用权限,并不意味着购买了版权,文档只能用于自身使用,不得用于其他商业用途(如 [转卖]进行直接盈利或[编辑后售卖]进行间接盈利)。
2、本站所有内容均由合作方或网友上传,本站不对文档的完整性、权威性及其观点立场正确性做任何保证或承诺!文档内容仅供研究参考,付费前请自行鉴别。
3、如文档内容存在违规,或者侵犯商业秘密、侵犯著作权等,请点击“违规举报”。

碎片内容

塔吊基础施工技术交底

确认删除?
VIP
微信客服
  • 扫码咨询
会员Q群
  • 会员专属群点击这里加入QQ群
客服邮箱
回到顶部