电脑桌面
添加小米粒文库到电脑桌面
安装后可以在桌面快捷访问

塔吊工程施工安全技术交底(表格)

塔吊工程施工安全技术交底(表格)_第1页
1/1
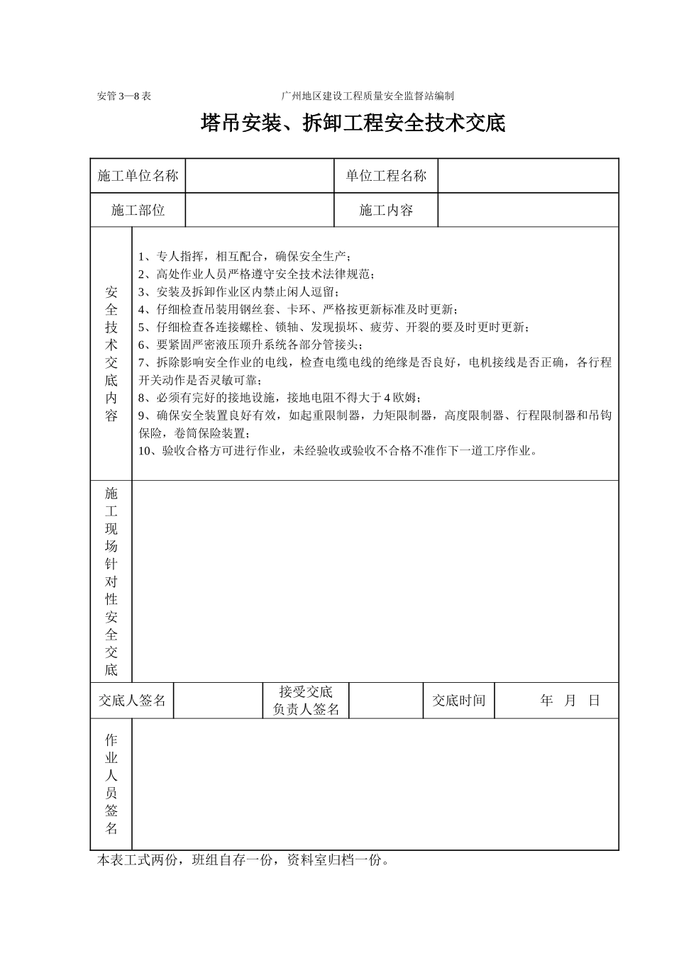
安管 3—8 表 广州地区建设工程质量安全监督站编制塔吊安装、拆卸工程安全技术交底施工单位名称单位工程名称施工部位施工内容安全技术交底内容1、专人指挥,相互配合,确保安全生产;2、高处作业人员严格遵守安全技术法律规范;3、安装及拆卸作业区内禁止闲人逗留;4、仔细检查吊装用钢丝套、卡环、严格按更新标准及时更新;5、仔细检查各连接螺栓、锁轴、发现损坏、疲劳、开裂的要及时更时更新;6、要紧固严密液压顶升系统各部分管接头;7、拆除影响安全作业的电线,检查电缆电线的绝缘是否良好,电机接线是否正确,各行程开关动作是否灵敏可靠;8、必须有完好的接地设施,接地电阻不得大于 4 欧姆;9、确保安全装置良好有效,如起重限制器,力矩限制器,高度限制器、行程限制器和吊钩保险,卷筒保险装置;10、验收合格方可进行作业,未经验收或验收不合格不准作下一道工序作业。施工现场针对性安全交底交底人签名接受交底负责人签名交底时间年 月 日作业人员签名本表工式两份,班组自存一份,资料室归档一份。

1、当您付费下载文档后,您只拥有了使用权限,并不意味着购买了版权,文档只能用于自身使用,不得用于其他商业用途(如 [转卖]进行直接盈利或[编辑后售卖]进行间接盈利)。
2、本站所有内容均由合作方或网友上传,本站不对文档的完整性、权威性及其观点立场正确性做任何保证或承诺!文档内容仅供研究参考,付费前请自行鉴别。
3、如文档内容存在违规,或者侵犯商业秘密、侵犯著作权等,请点击“违规举报”。

碎片内容

塔吊工程施工安全技术交底(表格)

您可能关注的文档

确认删除?
VIP
微信客服
  • 扫码咨询
会员Q群
  • 会员专属群点击这里加入QQ群
客服邮箱
回到顶部