电脑桌面
添加小米粒文库到电脑桌面
安装后可以在桌面快捷访问

广东省交通建设工程现场检测和工程材料试验收费标准表

广东省交通建设工程现场检测和工程材料试验收费标准表_第1页
1/13
广东省交通建设工程现场检测和工程材料试验收费标准表_第2页
2/13
广东省交通建设工程现场检测和工程材料试验收费标准表_第3页
3/13
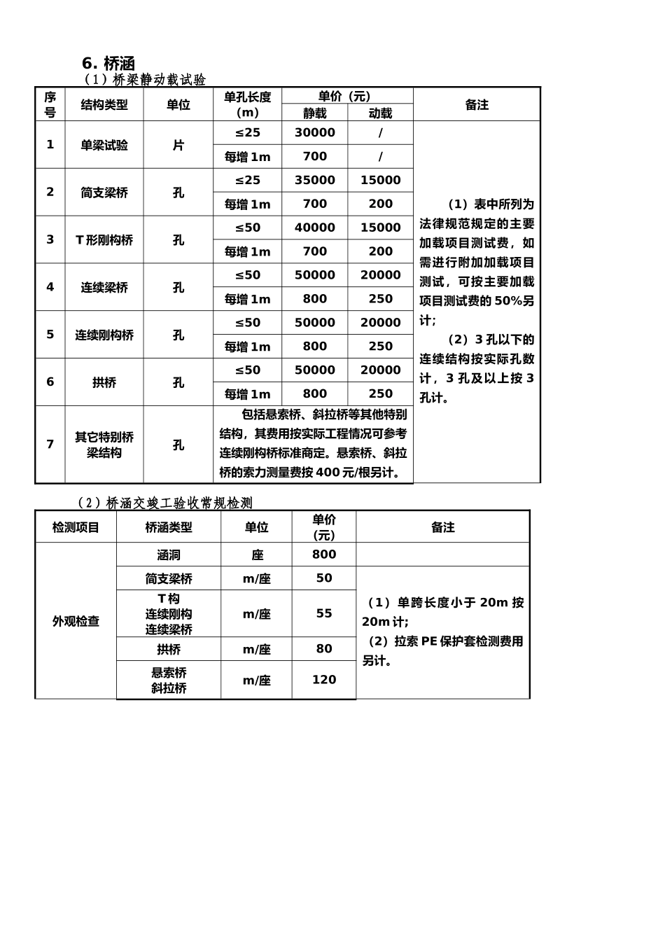
附件 1广东省交通建设工程现场检测和工程材料试(检)验收费标准表(原有检测项目) 一、现场检测收费项目及收费标准 1.路基序号检测项目检测方法单位单价(元)备注1平整度3 米直尺处10每处 10 尺2压实度灌砂法点80环刀法点203弯沉贝克曼梁点15不含弯沉车租赁费自动弯沉仪点104宽度钢尺量断面105纵断高程水准仪断面156中线偏位经纬仪或全站仪点157横坡水准仪断面10 2.基层、底基层序号检测项目检测方法单位单价(元)备注1平整度3 米直尺处15每处 10 尺2压实度灌砂法点1003弯沉贝克曼梁点15不含弯沉车租赁费自动弯沉仪点104厚度人工开挖点/层10钻芯法点/层2005宽度钢尺量断面106纵断高程水准仪断面157中线偏位经纬仪或全站仪点158横坡水准仪断面10 3.路面序号检测项目检测方法单位单价(元)备注1平整度3 米直尺处15每处 10 尺连续式平整度仪或颠簸累积仪km/车道1002厚度钻芯法点400沥青路面500水泥路面3压实度(沥青路面)钻芯法点100不含钻芯费用4弯沉(沥青路面)贝克曼梁点15不含弯沉车租赁费自动弯沉仪点105抗滑性能构造深度(铺砂法)点30摆式摩擦仪点45横向力系数测试车km/车道8006劈裂强度(砼路面)芯样强度个507宽度钢尺量断面108纵段高程水准仪断面159中线偏位经纬仪或全站仪点1510横坡水准仪断面10注:表中“km/车道”表示“单向单车道每公里”。4.基桩序号检测方法单价(元)超过 30m 长部分加收(元/m)备注1声波透射法2 管700/根83 管1000/根154 管1500/根205 管2000/根302反射波法桩径(cm)<80400/根80-150500/根>150600/根3钻孔抽芯法钻径(mm)76210/m施工单位负责对抽芯孔进行回灌。91255/m101/110320/m 5.地基基础序号检测项目名称单位单价(元)备注1土基回弹模量(承载板法)点1000 6. 桥涵 (1)桥梁静动载试验序号结构类型单位单孔长度(m)单价(元)备注静载动载1单梁试验片≤2530000/(1)表中所列为法律规范规定的主要加载项目测试费,如需进行附加加载项目测试,可按主要加载项目测试费的 50%另计;(2)3 孔以下的连续结构按实际孔数计,3 孔及以上按 3孔计。每增 1m700/2简支梁桥孔≤253500015000每增 1m7002003T 形刚构桥孔≤504000015000每增 1m7002004连续梁桥孔≤505000020000每增 1m8002505连续刚构桥孔≤505000020000每增 1m8002506拱桥孔≤505000020000每增 1m8002507其它特别桥梁结构孔包括悬索桥、斜拉桥等其他特别结构,其费用按实际工程情况可参考连续刚构桥...

1、当您付费下载文档后,您只拥有了使用权限,并不意味着购买了版权,文档只能用于自身使用,不得用于其他商业用途(如 [转卖]进行直接盈利或[编辑后售卖]进行间接盈利)。
2、本站所有内容均由合作方或网友上传,本站不对文档的完整性、权威性及其观点立场正确性做任何保证或承诺!文档内容仅供研究参考,付费前请自行鉴别。
3、如文档内容存在违规,或者侵犯商业秘密、侵犯著作权等,请点击“违规举报”。

碎片内容

广东省交通建设工程现场检测和工程材料试验收费标准表

您可能关注的文档

确认删除?
VIP
微信客服
  • 扫码咨询
会员Q群
  • 会员专属群点击这里加入QQ群
客服邮箱
回到顶部