电脑桌面
添加小米粒文库到电脑桌面
安装后可以在桌面快捷访问

建筑工程监理规划cvbVIP专享

建筑工程监理规划cvb_第1页
1/9
建筑工程监理规划cvb_第2页
2/9
建筑工程监理规划cvb_第3页
3/9
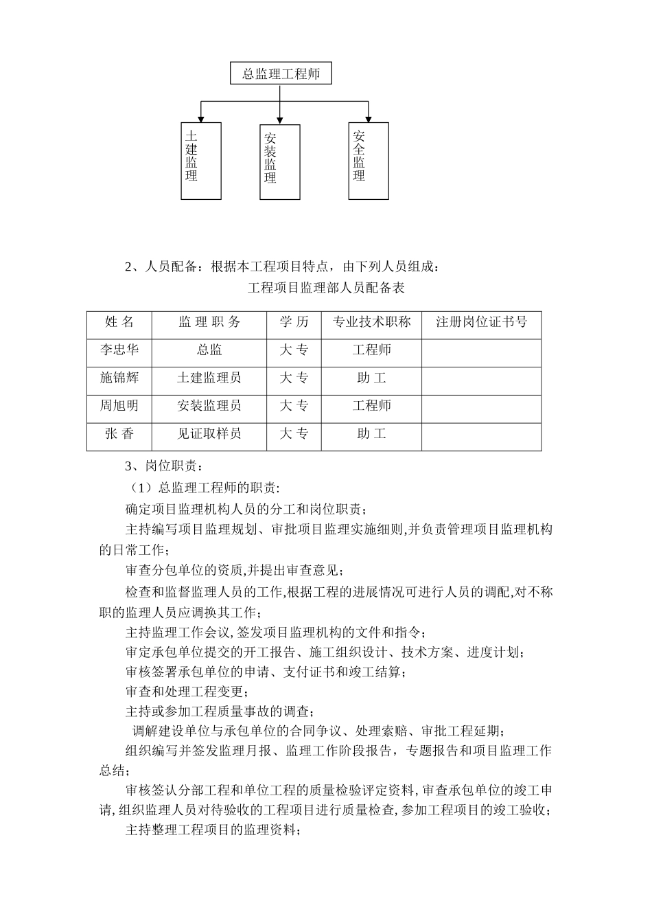
监理规划一、工程概况:1、工程名称:翠园新村 118 幢工程2、工程地点:金坛市南环一路南侧、东环二路西侧 3、建设单位:金坛市创业房地产开发有限公司4、设计单位:无锡轻大建筑设计讨论院有限公司5、勘察单位:金坛市金石岩土工程有限公司6、施工单位:江苏城东建设工程有限公司7、监理单位:江苏东方建设项目管理咨询有限公司翠园新村 118 幢工程,主要结构类型为剪力墙,总建筑面积为 9449.56 平方米,地下建筑面积为 1721 平方米,地上建筑面积为 7728.56 平方米,占地面积为 612.14 平方米,建筑层数为 11+1 层,建筑高度为 42.3 米,地上耐火等级为二级,地下耐火等级为一级,结构设计安全等级二级,屋面防水等级为Ⅱ级,抗震设防烈度为 7 度,抗震设防类别为丙类,建筑类别为商住,高层建筑分类为二类高层,使用年限 50 年。基础为桩基础,基础垫层砼等级 100 厚 C15 素混凝土;三层以下是 C30;三层以上是 C25,钢筋采纳 HPB235、HRB335 及 HRB400钢筋。框架填充墙及内隔墙±0.00 以上采纳蒸压粉煤灰加气混凝土砌块 A5.0 级,采纳 Mb5.0 混合砂浆,女儿墙采纳水泥空心砖,采纳 M7.5 混合砂浆砌筑;屋面为卷材防水屋面。 二、工程项目监理范围翠园新村 118 幢工程施工阶段的监理。三、监理工作目标 1、工期目标:在合同工期内完成2、质量目标:合格3、投资目标:不超过建设单位投资总额4、安全目标:无伤亡事故。四、监理工作依据 1、建设工程的相关法律、法规; 2、经有关部门批准本工程的项目文件; 3、与本工程有关的标准、法律规范、设计文件和技术资料; 4、建设工程委托监理合同; 5、与本工程相关的合同文件。 五、项目监理组织机构、岗位职责、人员配备及进退场计划1、项目监理组织机构:本工程项目监理部组织机构采纳直线制。如下图: 2、人员配备:根据本工程项目特点,由下列人员组成:工程项目监理部人员配备表3、岗位职责:(1)总监理工程师的职责:确定项目监理机构人员的分工和岗位职责;主持编写项目监理规划、审批项目监理实施细则,并负责管理项目监理机构的日常工作;审查分包单位的资质,并提出审查意见;检查和监督监理人员的工作,根据工程的进展情况可进行人员的调配,对不称职的监理人员应调换其工作;主持监理工作会议,签发项目监理机构的文件和指令;审定承包单位提交的开工报告、施工组织设计、技术方案、进度计划;审核签署承包单位的申请、支付证书和竣工结算;...

1、当您付费下载文档后,您只拥有了使用权限,并不意味着购买了版权,文档只能用于自身使用,不得用于其他商业用途(如 [转卖]进行直接盈利或[编辑后售卖]进行间接盈利)。
2、本站所有内容均由合作方或网友上传,本站不对文档的完整性、权威性及其观点立场正确性做任何保证或承诺!文档内容仅供研究参考,付费前请自行鉴别。
3、如文档内容存在违规,或者侵犯商业秘密、侵犯著作权等,请点击“违规举报”。

碎片内容

建筑工程监理规划cvb

确认删除?
VIP
微信客服
  • 扫码咨询
会员Q群
  • 会员专属群点击这里加入QQ群
客服邮箱
回到顶部