电脑桌面
添加小米粒文库到电脑桌面
安装后可以在桌面快捷访问

建筑物理实验报告

建筑物理实验报告_第1页
1/31
建筑物理实验报告_第2页
2/31
建筑物理实验报告_第3页
3/31
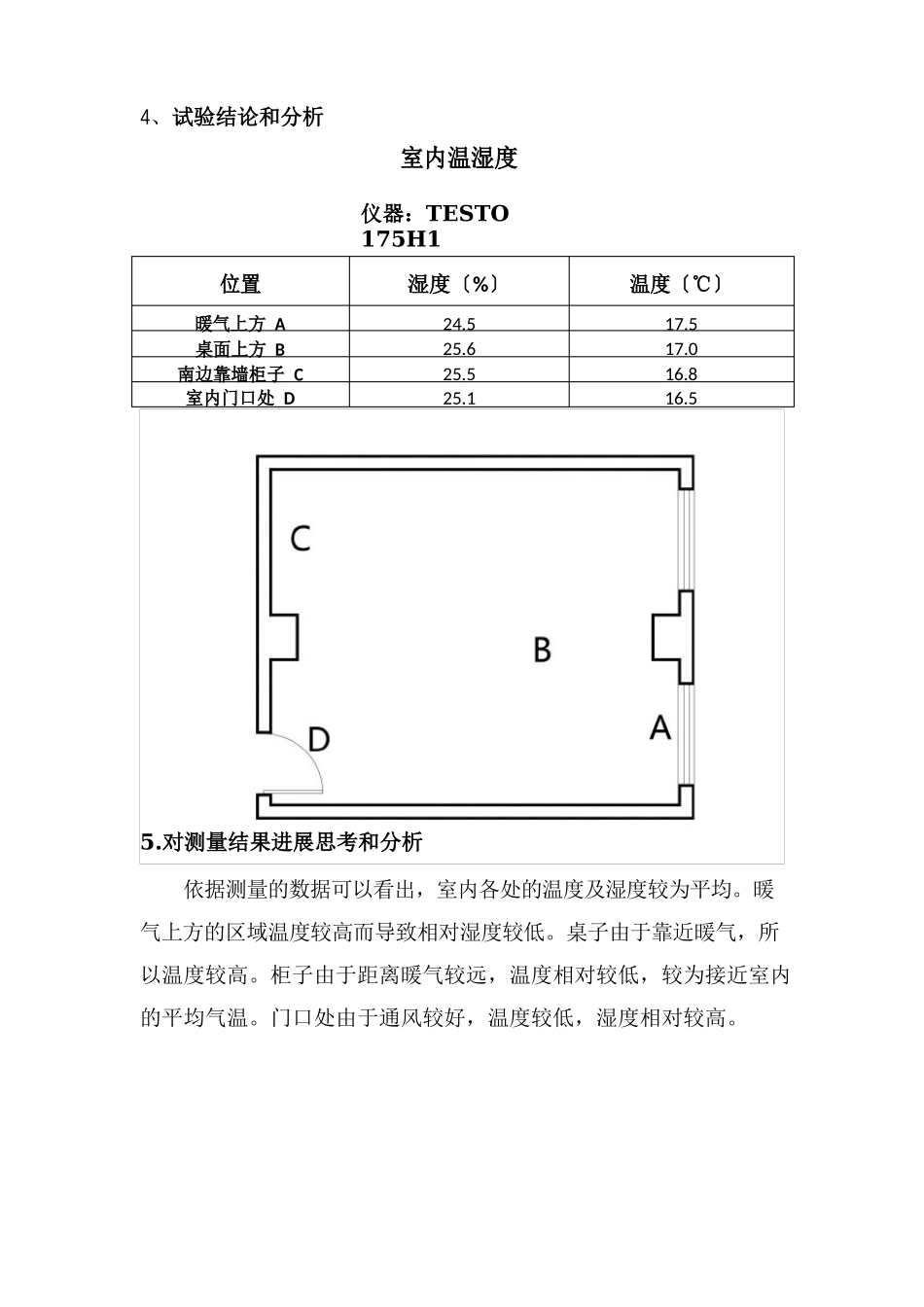
建筑物理试验报告[建筑热工、建筑光学和建筑声学试验]XXX XXXX XXXXXXX建筑物理试验报告第一局部建筑热工学试验〔一〕温度、相对湿度1、试验原理:通过试验了解室外热环境参数测定的根本内容;初步把握常用仪器的性能和使用方法;明确各项测量的目的;进一步感受和了解室外气象参数对建筑热环境的影响。2、试验设备:TESTO 175H1 温湿度计3、试验方法:`(1)在测定前 10min 左右,把湿球温度计感应端的纱布用洁净水润湿。(2)假设为手动通风干湿球温度计,用钥匙上紧上部的发条,并把它悬挂于测点。待 3~4min,当温度计数值稳定后,即可分别读取干、湿球温度计的指示值。读数时,视平线应与温度计水银面平齐。先读小数,后读整数。(3)依据干湿球温度计的读数,获得测点空气温度。(4)依据干、湿球温度计读数值查表,即可得到被测点空气的相对湿度。4、试验结论和分析室内温湿度仪器:TESTO 175H1位置湿度〔%〕温度〔℃〕暖气上方 A24.517.5桌面上方 B25.617.0南边靠墙柜子 C25.516.8室内门口处 D25.116.55.对测量结果进展思考和分析依据测量的数据可以看出,室内各处的温度及湿度较为平均。暖气上方的区域温度较高而导致相对湿度较低。桌子由于靠近暖气,所以温度较高。柜子由于距离暖气较远,温度相对较低,较为接近室内的平均气温。门口处由于通风较好,温度较低,湿度相对较高。〔二〕室内风向、风速1、试验原理:QDF 型热球式电风速计的头部有始终径约 0.8mm 的玻璃球,球内绕有镍镉丝线圈和两个串联的热电偶。热电偶的两端连接在支柱上并直接暴露于气流中。当确定大小的电流通过镍镉丝线圈 时,玻璃球的温度上升,其上升的程度和气流速度有关。当流速大时, 玻璃球温度上升的程度小;反之,则上升的程度大。温度上升的程度反映在热电偶产生的热电势,经校正后用气流速度在电表上表示出 来,就可用它直接来测量气流速度。2、试验设备:TESTO 4253、试验方法:(1)把仪器杆放直,测点朝上,滑套向下压紧,保证测头在零风速下校准仪器。(2)把校正开关置于“满度”位置,渐渐调整“满度调整”旋钮, 使电表指针在满刻度的位置。再把校正开关置于“零位”的位置,用“粗调”、“细调”两个旋钮,使电表指针在零点的位置。(3)轻轻拉动滑套,使侧头露出相当长度,让侧头上的红点对准迎风面,待指针较稳定时,即可从电表上读出风速的大小。假设指针摇摆不定,可读取中间示值。(4)风向可承受放烟或悬挂丝的方法测定。...

1、当您付费下载文档后,您只拥有了使用权限,并不意味着购买了版权,文档只能用于自身使用,不得用于其他商业用途(如 [转卖]进行直接盈利或[编辑后售卖]进行间接盈利)。
2、本站所有内容均由合作方或网友上传,本站不对文档的完整性、权威性及其观点立场正确性做任何保证或承诺!文档内容仅供研究参考,付费前请自行鉴别。
3、如文档内容存在违规,或者侵犯商业秘密、侵犯著作权等,请点击“违规举报”。

碎片内容

建筑物理实验报告

您可能关注的文档

确认删除?
VIP
微信客服
  • 扫码咨询
会员Q群
  • 会员专属群点击这里加入QQ群
客服邮箱
回到顶部