电脑桌面
添加小米粒文库到电脑桌面
安装后可以在桌面快捷访问

建筑电气照明安装工程监理细则

建筑电气照明安装工程监理细则_第1页
1/14
建筑电气照明安装工程监理细则_第2页
2/14
建筑电气照明安装工程监理细则_第3页
3/14
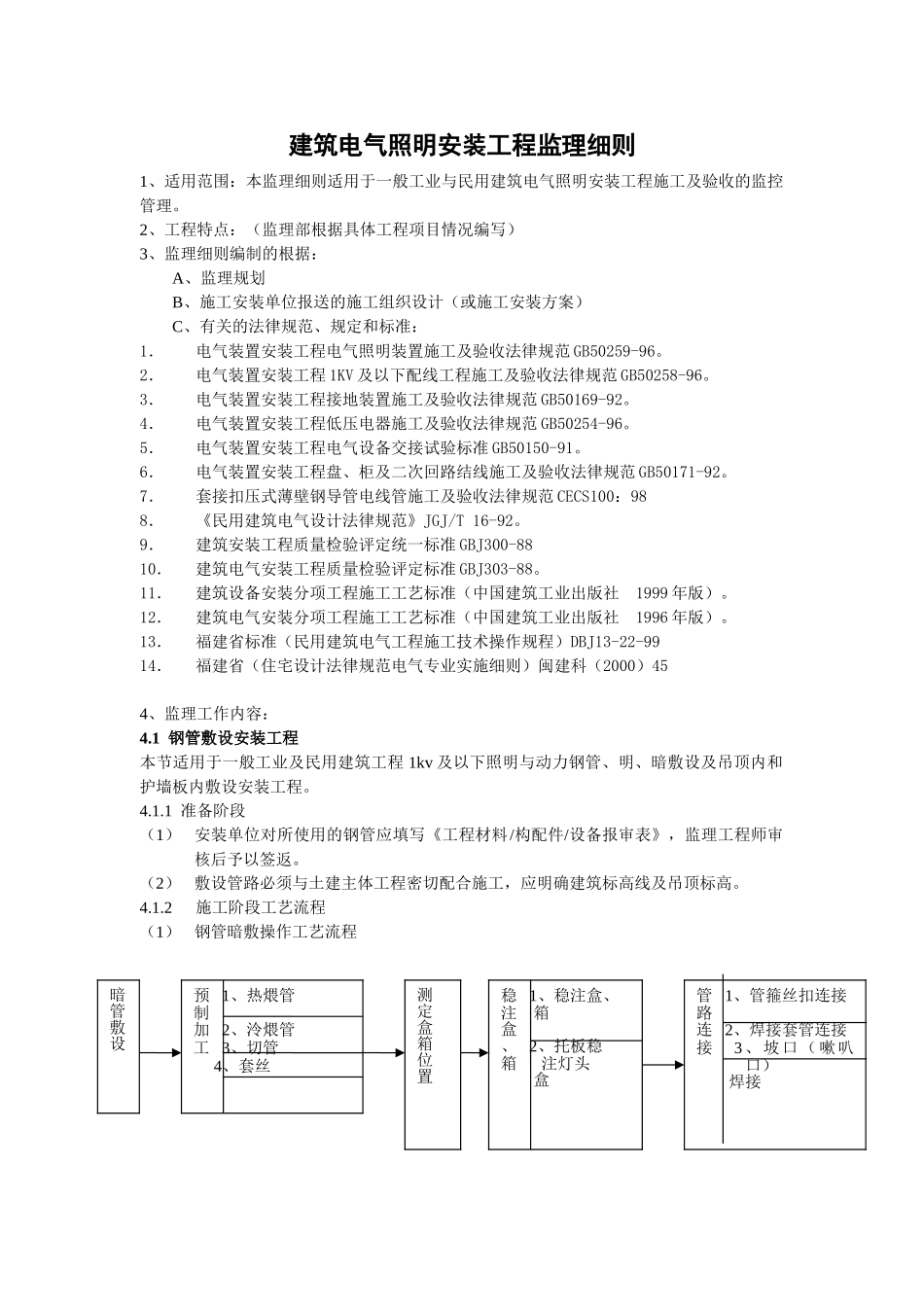
建筑电气照明安装工程监理细则1、适用范围:本监理细则适用于一般工业与民用建筑电气照明安装工程施工及验收的监控管理。2、工程特点:(监理部根据具体工程项目情况编写)3、监理细则编制的根据:A、监理规划B、施工安装单位报送的施工组织设计(或施工安装方案)C、有关的法律规范、规定和标准:1.电气装置安装工程电气照明装置施工及验收法律规范 GB50259-96。2.电气装置安装工程 1KV 及以下配线工程施工及验收法律规范 GB50258-96。3.电气装置安装工程接地装置施工及验收法律规范 GB50169-92。4.电气装置安装工程低压电器施工及验收法律规范 GB50254-96。5.电气装置安装工程电气设备交接试验标准 GB50150-91。6.电气装置安装工程盘、柜及二次回路结线施工及验收法律规范 GB50171-92。7.套接扣压式薄壁钢导管电线管施工及验收法律规范 CECS100:988.《民用建筑电气设计法律规范》JGJ/T 16-92。9.建筑安装工程质量检验评定统一标准 GBJ300-8810.建筑电气安装工程质量检验评定标准 GBJ303-88。11.建筑设备安装分项工程施工工艺标准(中国建筑工业出版社 1999 年版)。12.建筑电气安装分项工程施工工艺标准(中国建筑工业出版社 1996 年版)。13.福建省标准(民用建筑电气工程施工技术操作规程)DBJ13-22-9914.福建省(住宅设计法律规范电气专业实施细则)闽建科(2000)454、监理工作内容:4.1 钢管敷设安装工程本节适用于一般工业及民用建筑工程 1kv 及以下照明与动力钢管、明、暗敷设及吊顶内和护墙板内敷设安装工程。4.1.1 准备阶段(1)安装单位对所使用的钢管应填写《工程材料/构配件/设备报审表》,监理工程师审核后予以签返。(2)敷设管路必须与土建主体工程密切配合施工,应明确建筑标高线及吊顶标高。4.1.2施工阶段工艺流程(1)钢管暗敷操作工艺流程暗管敷设预 1、热煨管制 加 2、泠煨管工 3、切管 4、套丝测定盒箱位置稳 1、稳注盒、 注 箱盒、 2、托板稳箱 注灯头 盒管 1、管箍丝扣连接路 连 2、焊接套管连接接 3、坡口(嗽叭口) 焊接(2)明管、吊顶内、护墙板内管路敷操作工艺流程4.1.3 监控要点(1) 施工过程中,测定盒、箱位置后,施工必须通知监理人员到场,按图复测认可后,才能进行后续工序。(2) 管路连接好后,监理人员应按标准抽查其连接情况。(3) 暗管埋入墙体前应检查其位置是否与图相符,施工方必须按图施工。(4) 2 地线的焊接和防腐处理,必须按法律...

1、当您付费下载文档后,您只拥有了使用权限,并不意味着购买了版权,文档只能用于自身使用,不得用于其他商业用途(如 [转卖]进行直接盈利或[编辑后售卖]进行间接盈利)。
2、本站所有内容均由合作方或网友上传,本站不对文档的完整性、权威性及其观点立场正确性做任何保证或承诺!文档内容仅供研究参考,付费前请自行鉴别。
3、如文档内容存在违规,或者侵犯商业秘密、侵犯著作权等,请点击“违规举报”。

碎片内容

建筑电气照明安装工程监理细则

您可能关注的文档

确认删除?
VIP
微信客服
  • 扫码咨询
会员Q群
  • 会员专属群点击这里加入QQ群
客服邮箱
回到顶部