电脑桌面
添加小米粒文库到电脑桌面
安装后可以在桌面快捷访问

建设工程项目监理规划

建设工程项目监理规划_第1页
1/67
建设工程项目监理规划_第2页
2/67
建设工程项目监理规划_第3页
3/67
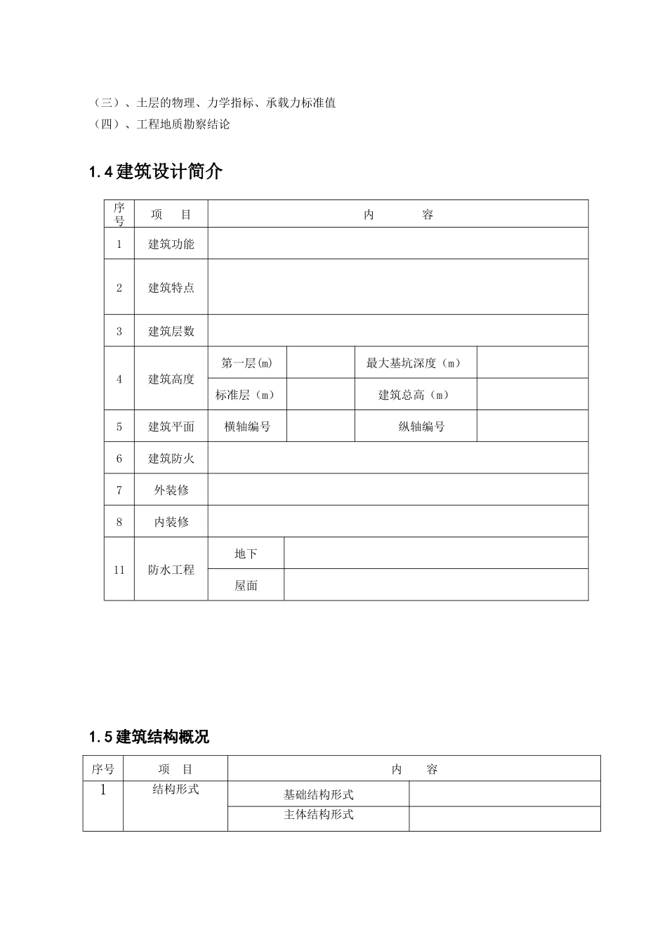
珠海 XXX 有限公司 XXX 工程监理规划第一节 工程项目概况1.1 工程环境工程项目所在的区域位置;周边道路与四邻单位;工程项目占地面积;场地拆迁情况;“三通一平”情况;交通情况;场区水、电情况等。1.2 工程基本情况1.0.1 工程名称:珠海 XXXX 有限公司 XXXX 工程1.0.2 工程建设地点:珠海 XXX1.0.3 投资规模:珠海 XXX 厂区一期工程,建筑面积:XXX㎡。1.0.4 工 期:施工工期为 个日历天(从 年 月 日起算)1.0.5 质量要求:合格,或达到 省 / 市优良样板 工程标准1.0.6 安全要求:合格,或达到 省 / 市双优 工程标准1.0.7 项目特征:总建筑面积约 7.2㎡,交房标准为毛坯,园建绿化面积约 1 万㎡1.0.8 结构类型:框支剪力墙结构体系 1.0.9 工程建设有关单位名称:建设单位: 勘察单位:XXXX 勘察设计院设计单位:XXXX 建筑设计院施工单位:XXXX 建筑工程有限公司监理单位:珠海市工程监理有限公司1.0.10 工程概况:本工程项目由(厂房、测试楼、综合楼、门卫、模型房)等组成,建筑平面均呈(矩形),为(钢筋混凝土框架)结构。所有建筑的水电、消防、防雷为普通设计。1.3 工程地质条件(一)、地层土质概述(二)、水位情况(三)、土层的物理、力学指标、承载力标准值(四)、工程地质勘察结论1.4 建筑设计简介序号项 目内 容1建筑功能2建筑特点3建筑层数4建筑高度第一层(m)最大基坑深度(m)标准层(m)建筑总高(m)5建筑平面横轴编号纵轴编号6建筑防火7外装修8内装修11防水工程地下屋面1.5 建筑结构概况序号项 目内 容1结构形式基础结构形式主体结构形式屋盖结构形式2土质、水位基底以上土质分层情况地下水位标高地下水质3地基持力层以下土质类别地基承载力4地下防水结构自防水材料防水5混凝土强度等级梁、板柱楼梯6抗震等级工程设防烈度剪力墙抗震等级框架7钢筋类别非预应力筋及等级8钢筋接头形式机械连接焊接9结构断面尺寸基础底板厚度(mm)外墙厚度(mm)内墙厚度(mm)楼板厚度(mm)1.6 电气工程(一)、供配电系统(二)、电气照明(三)、消防系统(四)、防雷与接地(五)、闭路电视监控系统(六)电视系统(七)综合布线系统1.7 给排水工程(一) 给水系统(二) 排水系统(三) 雨水排水1.8 消防工程(一)室外消防系统(二)室内消火栓系统(三)消防喷淋系统(四)消防烟感系统1.9 采暖、空调通风工程1.10.11 工程建设管理格局(见附图一) 监 监督 管理 监 督 承包...

1、当您付费下载文档后,您只拥有了使用权限,并不意味着购买了版权,文档只能用于自身使用,不得用于其他商业用途(如 [转卖]进行直接盈利或[编辑后售卖]进行间接盈利)。
2、本站所有内容均由合作方或网友上传,本站不对文档的完整性、权威性及其观点立场正确性做任何保证或承诺!文档内容仅供研究参考,付费前请自行鉴别。
3、如文档内容存在违规,或者侵犯商业秘密、侵犯著作权等,请点击“违规举报”。

碎片内容

建设工程项目监理规划

范哲铺+ 关注
实名认证
内容提供者

想你所想,急你所急,你需要的都在店铺里可以找到。

确认删除?
VIP
微信客服
  • 扫码咨询
会员Q群
  • 会员专属群点击这里加入QQ群
客服邮箱
回到顶部