电脑桌面
添加小米粒文库到电脑桌面
安装后可以在桌面快捷访问

开关插座安装交底记录

开关插座安装交底记录_第1页
1/10
开关插座安装交底记录_第2页
2/10
开关插座安装交底记录_第3页
3/10
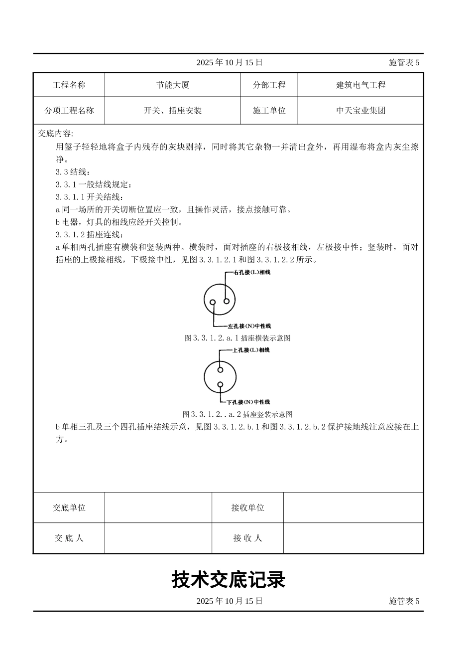
技术交底记录2025 年 10 月 15 日施管表 5工程名称节能大厦分部工程建筑电气工程分项工程名称开关、插座安装施工单位中天宝业集团交底内容:1、依据标准:《建筑工程施工质量验收统一标准》GB50300-2001《建筑电气工程施工质量验收法律规范》GB50303-20252、施工准备2.1 材料要求:2.1.1 各型开关:规格型号必须符合设计要求,并有产品合格证。2.1.2 各型插座:规格型号必须符合设计要求,并有产品合格证。2.1.3 塑料(台)板:应具有足够的强度。塑料(台)板应平整,无弯翘变形等现象,并有产品合格证。2.1.4 木制(台)板:其厚度应符合设计要求和施工验收法律规范的规定。其板面应平整,无劈裂和弯翘变形现象,油漆层完好无脱落。2.1.5 其他材料:金属膨胀螺栓、塑料胀管、镀锌木螺丝、镀锌机螺丝、木砖等。2.2 主要机具:2.2.1 红铅笔、卷尺、水平尺、线坠、绝缘手套、工具袋、高凳等。2.2.2 手锤、錾子、剥线钳、尖嘴钳、扎锥、丝锥、套管、电钻、电锤、钻头、射钉枪等。2.3 作业条件:2.3.1 各种管路、盒子已经敷设完毕。盒子收口平整。2.3.2 线路的导线已穿完,并已做完绝缘摇测。2.3.3 墙面的浆活、油漆及壁纸等内装修工作均已完成。3、操作工艺3.1 工艺流程:清理——接线——安装3.2 清理:交底单位接收单位交 底 人接 收 人技术交底记录2025 年 10 月 15 日施管表 5工程名称节能大厦分部工程建筑电气工程分项工程名称开关、插座安装施工单位中天宝业集团交底内容:用錾子轻轻地将盒子内残存的灰块剔掉,同时将其它杂物一并清出盒外,再用湿布将盒内灰尘擦净。3.3 结线:3.3.1 一般结线规定:3.3.1.1 开关结线:a 同一场所的开关切断位置应一致,且操作灵活,接点接触可靠。b 电器,灯具的相线应经开关控制。3.3.1.2 插座连线:a 单相两孔插座有横装和竖装两种。横装时,面对插座的右极接相线,左极接中性;竖装时,面对插座的上极接相线,下极接中性,见图 3.3.1.2.1 和图 3.3.1.2.2 所示。图 3.3.1.2.a.1 插座横装示意图图 3.3.1.2..a.2 插座竖装示意图b 单相三孔及三个四孔插座结线示意,见图 3.3.1.2.b.1 和图 3.3.1.2.b.2 保护接地线注意应接在上方。交底单位接收单位交 底 人接 收 人技术交底记录2025 年 10 月 15 日施管表 5工程名称节能大厦分部工程建筑电气工程分项工程名称开关、插座安装施工单位中天宝业集团交底内容:图 3.3.1.2.b.1 单相三孔插座示意图图 3...

1、当您付费下载文档后,您只拥有了使用权限,并不意味着购买了版权,文档只能用于自身使用,不得用于其他商业用途(如 [转卖]进行直接盈利或[编辑后售卖]进行间接盈利)。
2、本站所有内容均由合作方或网友上传,本站不对文档的完整性、权威性及其观点立场正确性做任何保证或承诺!文档内容仅供研究参考,付费前请自行鉴别。
3、如文档内容存在违规,或者侵犯商业秘密、侵犯著作权等,请点击“违规举报”。

碎片内容

开关插座安装交底记录

确认删除?
VIP
微信客服
  • 扫码咨询
会员Q群
  • 会员专属群点击这里加入QQ群
客服邮箱
回到顶部