电脑桌面
添加小米粒文库到电脑桌面
安装后可以在桌面快捷访问

找平层检验批质量验收记录表

找平层检验批质量验收记录表_第1页
1/7
找平层检验批质量验收记录表_第2页
2/7
找平层检验批质量验收记录表_第3页
3/7
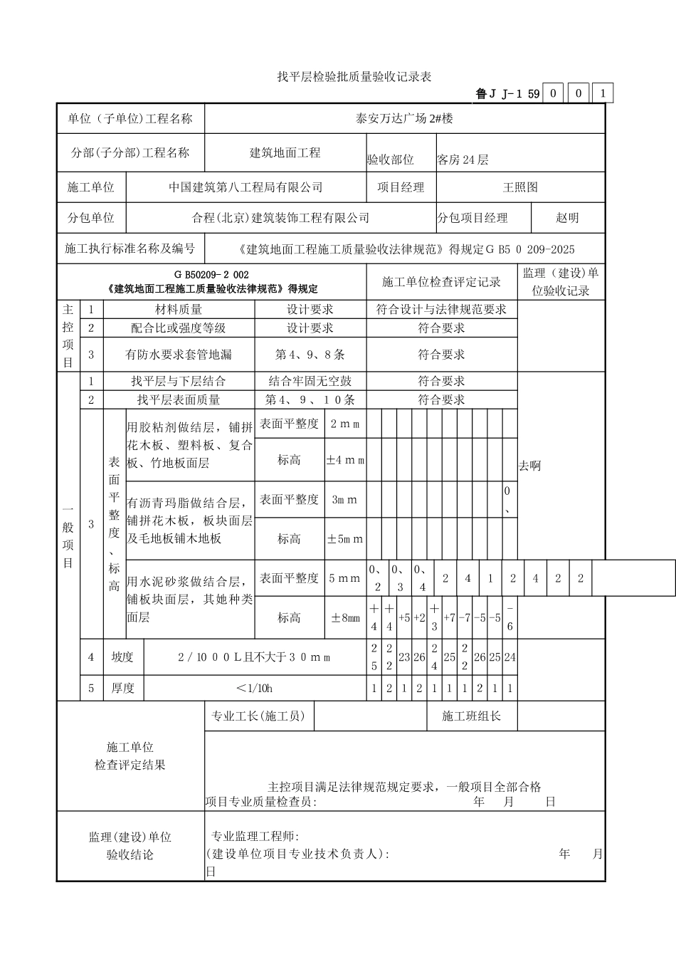
找平层检验批质量验收记录表鲁J J-1 59001单位(子单位)工程名称泰安万达广场 2#楼分部(子分部)工程名称建筑地面工程验收部位客房 24 层施工单位中国建筑第八工程局有限公司项目经理王照图分包单位合程(北京)建筑装饰工程有限公司分包项目经理赵明施工执行标准名称及编号《建筑地面工程施工质量验收法律规范》得规定G B5 0 209-2025G B50209-2 002《建筑地面工程施工质量验收法律规范》得规定施工单位检查评定记录监理(建设)单位验收记录主控项目1材料质量设计要求符合设计与法律规范要求2配合比或强度等级设计要求符合要求3有防水要求套管地漏第 4、9、8 条符合要求一般项目1找平层与下层结合结合牢固无空鼓符合要求去啊 2找平层表面质量第 4、9、1 0 条符合要求3表面平整度、标高用胶粘剂做结层,铺拼花木板、塑料板、复合板、竹地板面层表面平整度2 m m标高±4 m m有沥青玛脂做结合层,铺拼花木板,板块面层及毛地板铺木地板表面平整度3m m0、标高±5m m用水泥砂浆做结合层,铺板块面层,其她种类面层表面平整度5 mm 0、20、30、42412422标高±8mm +4+4 +5 +2 +3 +7 -7 -5 -5 -64坡度2/10 0 0 L且不大于 3 0m m2522 23 26 24 25 22 26 25 24 5厚度<1/10h1 2 1 2 1 1 1 2 1 1施工单位检查评定结果专业工长(施工员)施工班组长主控项目满足法律规范规定要求,一般项目全部合格项目专业质量检查员: 年 月 日监理(建设)单位验收结论 专业监理工程师:(建设单位项目专业技术负责人): 年 月 日山东省建设工程质量监督总站监制 找平层检验批质量验收记录表鲁 JJ-159002单位(子单位)工程名称泰安万达广场2#楼分部(子分部)工程名称建筑地面工程验收部位客房 25 层施工单位中国建筑第八工程局有限公司项目经理王照图分包单位合程(北京)建筑装饰工程有限公司分包项目经理赵明施工执行标准名称及编号《建筑地面工程施工质量验收法律规范》得规定 GB50209-2 00 2G B5 0 2 0 9-2 0 02《建筑地面工程施工质量验收法律规范》得规定施工单位检查评定记录监理(建设)单位验收记录主控项目1材料质量设计要求符合设计与法律规范要求 2配合比或强度等级设计要求符合要求3有防水要求套管地漏第4、9、8 条符合要求一般项目1找平层与下层结合结合牢固无空鼓符合要求 2找平层表面质量第 4、9、10 条符合要求3表面平整度、标高...

1、当您付费下载文档后,您只拥有了使用权限,并不意味着购买了版权,文档只能用于自身使用,不得用于其他商业用途(如 [转卖]进行直接盈利或[编辑后售卖]进行间接盈利)。
2、本站所有内容均由合作方或网友上传,本站不对文档的完整性、权威性及其观点立场正确性做任何保证或承诺!文档内容仅供研究参考,付费前请自行鉴别。
3、如文档内容存在违规,或者侵犯商业秘密、侵犯著作权等,请点击“违规举报”。

碎片内容

找平层检验批质量验收记录表

确认删除?
VIP
微信客服
  • 扫码咨询
会员Q群
  • 会员专属群点击这里加入QQ群
客服邮箱
回到顶部