电脑桌面
添加小米粒文库到电脑桌面
安装后可以在桌面快捷访问

高考物理总复习 实验创新增分 专题八 测定金属丝的电阻率学案-人教版高三全册物理学案

高考物理总复习 实验创新增分 专题八 测定金属丝的电阻率学案-人教版高三全册物理学案_第1页
1/17
高考物理总复习 实验创新增分 专题八 测定金属丝的电阻率学案-人教版高三全册物理学案_第2页
2/17
高考物理总复习 实验创新增分 专题八 测定金属丝的电阻率学案-人教版高三全册物理学案_第3页
3/17
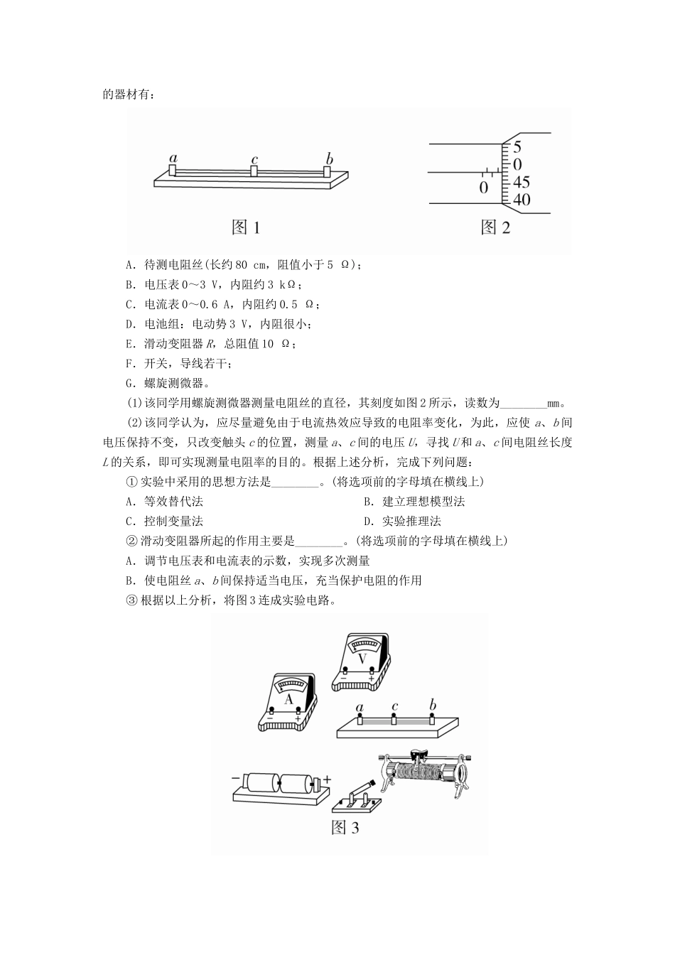
实验八 测定金属丝的电阻率一、实验目的1.掌握电流表、电压表和滑动变阻器的使用方法。2.掌握螺旋测微器和游标卡尺的使用和读数方法。3.会用伏安法测电阻,进一步测定金属的电阻率。二、实验原理1.把金属丝接入电路中,用伏安法测金属丝的电阻,Rx=,因为金属丝的电阻为小电阻,所以采用电流表外接法。实验电路图如图所示。2.用毫米刻度尺测金属丝接入电路部分的长度 l,用螺旋测微器测得金属丝的直径 d,算出横截面积 S=。3.根据电阻定律 R=ρ,得金属丝电阻率 ρ=。三、实验器材被测金属丝,直流电源(4 V),电流表(0~0.6 A),电压表(0~3 V),滑动变阻器(50 Ω),开关,导线若干,螺旋测微器,毫米刻度尺。四、实验步骤1.用螺旋测微器在被测金属丝上的三个不同位置各测一次直径,求出其平均值 d,计算出横截面积 S=。2.将金属丝两端固定在接线柱上悬空挂直,用毫米刻度尺测量接入电路中的被测金属丝的有效长度,反复测量 3 次,求出其平均值 l。3.按实验电路图连接好用伏安法测电阻的实验电路,把滑动变阻器的滑片调节到使接入电路中的电阻值最大的位置。4.电路经检查确认无误后,闭合开关 S,改变滑动变阻器滑片的位置,读出几组相应的电流表、电压表的示数 I 和 U 的值,断开开关 S,求出导线电阻 R 的平均值。测量时通过金属丝的电流应控制在 1.00 A 以下,本实验中电流表量程为 0~0.6 A,每次通电时间应尽量短(以能读取电表数据为准),读数完毕立即断开开关 S,防止温度升高使金属丝长度和电阻率发生明显变化。计算时,务必算出每次的电阻值再求平均值,不能先分别求电压 U 和电流 I 的平均值,再由欧姆定律得平均值,否则会带来较大计算误差。完成表格。5.拆除实验线路,整理好实验器材五、数据处理1.求 Rx(1)计算法:用 Rx=分别算出各次的数值,再取平均值。(2)图象法:画出 UI 图象,UI 图象的斜率等于 Rx。2.计算电阻率:将记录的数据 U、I、l、d 的值代入电阻率计算式 ρ=Rx=。六、误差分析1.系统误差(1)采用伏安法测量金属丝的电阻时,由于采用的是电流表外接法,测量值小于真实值,使电阻率的测量值偏小。(2)由于金属丝通电后发热升温,会使金属丝的电阻率变大,造成测量误差。2.偶然误差(1)金属丝的横截面积是利用直径计算而得到的,直径的测量是产生误差的主要来源之一。(2)金属丝的长度测量、电流表和电压表的读数等均会带来偶然误差。七、注意...

1、当您付费下载文档后,您只拥有了使用权限,并不意味着购买了版权,文档只能用于自身使用,不得用于其他商业用途(如 [转卖]进行直接盈利或[编辑后售卖]进行间接盈利)。
2、本站所有内容均由合作方或网友上传,本站不对文档的完整性、权威性及其观点立场正确性做任何保证或承诺!文档内容仅供研究参考,付费前请自行鉴别。
3、如文档内容存在违规,或者侵犯商业秘密、侵犯著作权等,请点击“违规举报”。

碎片内容

高考物理总复习 实验创新增分 专题八 测定金属丝的电阻率学案-人教版高三全册物理学案

您可能关注的文档

确认删除?
VIP
微信客服
  • 扫码咨询
会员Q群
  • 会员专属群点击这里加入QQ群
客服邮箱
回到顶部