电脑桌面
添加小米粒文库到电脑桌面
安装后可以在桌面快捷访问

施工现场质量管理检查记录

施工现场质量管理检查记录_第1页
1/7
施工现场质量管理检查记录_第2页
2/7
施工现场质量管理检查记录_第3页
3/7
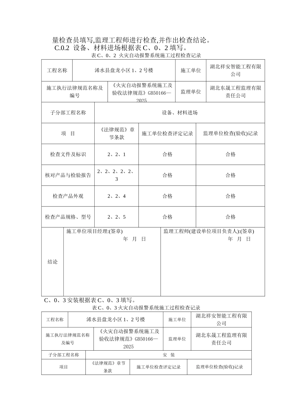
附录 B 施工现场质量管理检查记录表 B 施工现场质量管理检查记录工程名称浠水县盘龙小区 1、2 号楼建设单位浠水东城置业有限公司 监理单位湖北东晟工程监理有限责任公司设计单位海南南方建筑设计有限公司项目负责人吴卫东施工单位湖北祥安智能工程有限公司施工许可证序号项目内容1现场质量管理制度合格2质量责任制合格3主要专业工种人员操作上岗证书合格4施工图审查情况合格5施工组织设计、施工方案及审批合格6施工技术标准合格7工程质量检验制度合格8现场材料、设备管理合格9其她项目合格结论施工单位项目负责人:(签章)年 月 日监理工程师:(签章)年 月 日建设单位项目负责人:(签章)年 月 日附录 C 火灾自动报警系统施工过程检查记录C.0.1 火灾自动报警系统施工过程质量检查记录应由施工单位质量检查员填写,监理工程师进行检查,并作出检查结论。C.0.2 设备、材料进场根据表 C、0、2 填写。表 C、0、2 火灾自动报警系统施工过程检查记录工程名称浠水县盘龙小区 1、2 号楼施工单位湖北祥安智能工程有限公司施工执行法律规范名称及编号《火灾自动报警系统施工及验收法律规范》GB50166—2025监理单位湖北东晟工程监理有限责任公司子分部工程名称设备、材料进场项 目《法律规范》章节条款施工单位检查评定记录监理单位检查(验收)记录检查文件及标识2、2、1合格合格核对产品与检验报告2、2、2、2、2、3合格合格检查产品外观2、2、4合格合格检查产品规格、型号2、2、5合格合格结论施工单位项目经理:(签章)年 月 日监理工程师(建设单位项目负责人):(签章)年 月 日C、0、3 安装根据表 C、0、3 填写。表 C、0、3 火灾自动报警系统施工过程检查记录工程名称浠水县盘龙小区 1、2 号楼施工单位湖北祥安智能工程有限公司施工执行法律规范名称及编号《火灾自动报警系统施工及验收法律规范》GB50166—2025监理单位湖北东晟工程监理有限责任公司子分部工程名称安 装项目《法律规范》章节条款施工单位检查评定记录监理单位检查(验收)记录电缆电线3、2、1合格合格3、2、2合格合格3、2、3合格合格3、2、4合格合格3、2、5合格合格3、2、6合格合格3、2、7合格合格3、2、8合格合格3、2、9合格合格3、2、10合格合格3、2、11合格合格3、2、12合格合格3、2、13合格合格3、2、14合格合格3、2、15合格合格控制器类设备3、3、1合格合格3、3、2合格合格3、3、3合格合格3、3、4合格合格3、3、5合格合格火灾探测器3、4、1合格合格3、4、2合格合...

1、当您付费下载文档后,您只拥有了使用权限,并不意味着购买了版权,文档只能用于自身使用,不得用于其他商业用途(如 [转卖]进行直接盈利或[编辑后售卖]进行间接盈利)。
2、本站所有内容均由合作方或网友上传,本站不对文档的完整性、权威性及其观点立场正确性做任何保证或承诺!文档内容仅供研究参考,付费前请自行鉴别。
3、如文档内容存在违规,或者侵犯商业秘密、侵犯著作权等,请点击“违规举报”。

碎片内容

施工现场质量管理检查记录

您可能关注的文档

确认删除?
VIP
微信客服
  • 扫码咨询
会员Q群
  • 会员专属群点击这里加入QQ群
客服邮箱
回到顶部