电脑桌面
添加小米粒文库到电脑桌面
安装后可以在桌面快捷访问

框架结构工程技术交底

框架结构工程技术交底_第1页
1/5
框架结构工程技术交底_第2页
2/5
框架结构工程技术交底_第3页
3/5
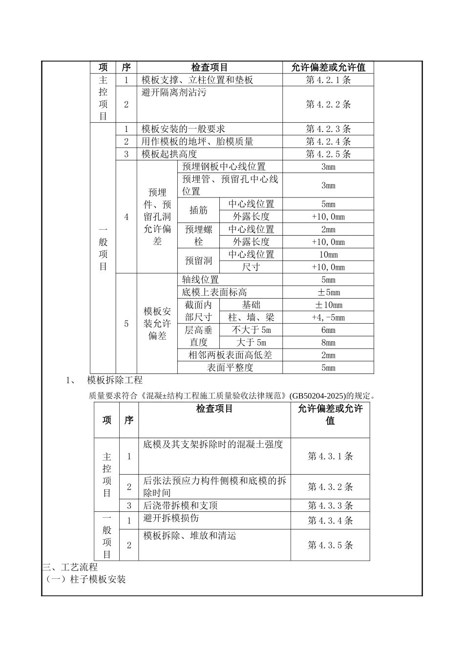
技术交底记录鲁 JJ 一 005工程名称山东乳山香港平远国际城74#楼施工单位万通建设集团有限公司交底部位框架结构工序名称模板安装与拆除交底提要:框架结构模板的相关材料、机具准备、质量要求及施工工艺交底内容:框架结构模板工程一、施工准备(一)作业条件1、模板设计:根据工程结构型式和特点及现场施工条件,对模板进行设计,确定模板平面布置,纵横龙骨规格、数量、排列尺寸,柱箍选用的型式和间距,梁板支撑间距,梁柱节点、主次梁节点大样。验算模板和支撑的强度、刚度及稳定性。模板的数量应在模板设计时按流水段划分,进行综合讨论,确定模板的合理配制数量。2、模板拼装:(1)拼装场地夯实平整,条件许可时可设拼装操作平台。(2)按模板设计图尺寸,采纳沉头自攻螺丝将竹胶板与方木拼成整片模板,接缝处要求附加小龙骨。(3)竹胶板模板开的边及时用防水油漆封边两道,防止竹胶板模板使用过程中开裂、起皮。3、模板加工好后,专人仔细检查模板规格尺寸,根据配模图编号,并均匀涂刷脱模剂,分规格码放,并有防雨,防潮、防砸措施。4、放好轴线、模板边线、水平控制标高,模板底口平整、坚实,若达不到要求的应做水泥砂浆找平层,柱子加固用的地锚已预埋好且可以使用。5、柱子、墙钢筋绑扎完毕,水电管线及预埋件已安装,绑好钢筋保护层垫块,并办理好隐蔽验收手续。(二)材质要求1、竹胶板模板:尺寸1220×2440mm,厚度为12mm (单个工程最好选用不超过两种厚度为合理)。2、方木:50×100mm,100×100mm方木,要求规格统一,尺寸规矩。3、对拉螺栓:采纳Φ14mm以上的I级钢筋(最好用HRB235),双边套丝扣,并且两边带好两个螺母,沾油备用。4、脱模剂:严禁使用油性脱模剂,必须使用水性脱模剂。5、模板截面支撑用料:采纳钢筋支撑,两端点好防锈漆。(三)工器具1、木工圆锯,木工平刨,压刨,手提电锯、手提压刨,打眼电钻,线坠,靠尺板,方尺,铁水平,翘棍、柱箍,钢管支柱,钢管脚手架等。二、质量要求质量要求符合《混凝土结构工程施工质量验收法律规范》(GB50204-2025)的规定。项序检查项目允许偏差或允许值主控项目1模板支撑、立柱位置和垫板第 4.2.1 条2避开隔离剂沾污第 4.2.2 条一般项目1模板安装的一般要求第 4.2.3 条2用作模板的地坪、胎模质量第 4.2.4 条3模板起拱高度第 4.2.5 条4预埋件、预留孔洞允许偏差预埋钢板中心线位置3mm预埋管、预留孔中心线位置3mm插筋中心线位置5mm外露长度+10,0mm预埋螺栓中心线位置2mm外...

1、当您付费下载文档后,您只拥有了使用权限,并不意味着购买了版权,文档只能用于自身使用,不得用于其他商业用途(如 [转卖]进行直接盈利或[编辑后售卖]进行间接盈利)。
2、本站所有内容均由合作方或网友上传,本站不对文档的完整性、权威性及其观点立场正确性做任何保证或承诺!文档内容仅供研究参考,付费前请自行鉴别。
3、如文档内容存在违规,或者侵犯商业秘密、侵犯著作权等,请点击“违规举报”。

碎片内容

框架结构工程技术交底

您可能关注的文档

确认删除?
VIP
微信客服
  • 扫码咨询
会员Q群
  • 会员专属群点击这里加入QQ群
客服邮箱
回到顶部