电脑桌面
添加小米粒文库到电脑桌面
安装后可以在桌面快捷访问

正泰电气工业园区混凝土构件监理实施细则

正泰电气工业园区混凝土构件监理实施细则_第1页
1/8
正泰电气工业园区混凝土构件监理实施细则_第2页
2/8
正泰电气工业园区混凝土构件监理实施细则_第3页
3/8
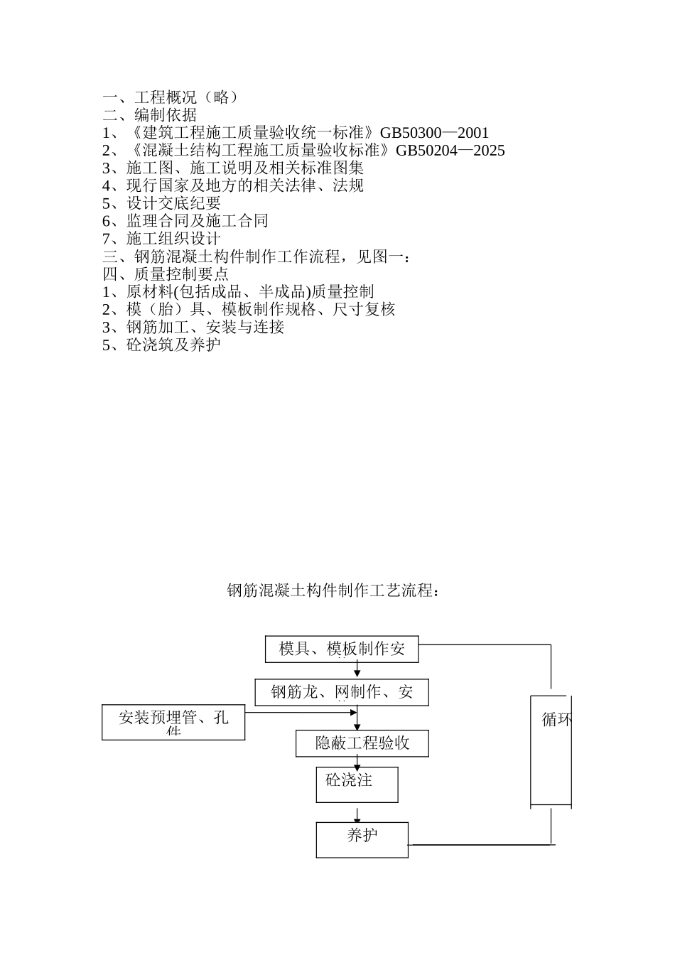
编号 : 混凝土构件监理实施细则项目名称 正泰电气工业园区 _ 编 制 陆建仁 总监理工程师 杨再兴 日 期 ___2025-2__________ 上海建通工程建设有限公司一、工程概况(略)二、编制依据1、《建筑工程施工质量验收统一标准》GB50300—20012、《混凝土结构工程施工质量验收标准》GB50204—20253、施工图、施工说明及相关标准图集4、现行国家及地方的相关法律、法规 5、设计交底纪要6、监理合同及施工合同7、施工组织设计三、钢筋混凝土构件制作工作流程,见图一:四、质量控制要点1、原材料(包括成品、半成品)质量控制2、模(胎)具、模板制作规格、尺寸复核3、钢筋加工、安装与连接5、砼浇筑及养护钢筋混凝土构件制作工艺流程:循环 模具、模板制作安装钢筋龙、网制作、安装安装预埋管、孔件隐蔽工程验收砼浇注养护 图 一五、监理细则(一)原材料(成品、半成品)1、钢筋① 钢筋质量必须符合现行国家标准《钢筋混凝土用热轧带肋钢筋》GB1499 等的规定,钢筋进场须有产品合格证,出厂检验报告,并按规定抽样检验。② 当钢筋有脆断、焊接性能不良或力学性能显著不正常等现象时,应对该批钢筋进行化学成分检验或其他专项检验。③ 钢筋应平直、无损伤,表面不得有裂纹、油污、颗粒状或片状老锈。2、混凝土① 商品砼,生产厂商的资质,检测能力,经营范围等应符合本工程要求,所用原材料及外加剂应符合国家现行标准。② 自拌砼(须在符合法律规范和设计要求的条件下采纳)a、水泥质量必须符合现行国家标准《硅酸盐水泥、普通硅酸盐水泥》GB175 等的规定,其进场时须对其品种、级别、包装、出厂日期等进行检查,并按规定抽样就其强度、安定性及其他必要的性能指标进行复验。 当在使用中对水泥质量有怀疑或水泥出厂超过三个月(快硬硅酸盐水泥超过一个月)时,应进行复验,并按复验结果使用。b、普通混凝土所用的粗、细骨料的质量应符合国家现行标准《普通混凝土用碎石或卵石质量标准及检验方法》JGJ53、《普通混凝土用砂质量标准及检验方法》JGJ52 的规定。严禁使用海砂。c、拌制混凝土宜采纳饮用水;当采纳其他水源时,水质应符合国家现场标准《混凝土拌合用水标准》JGJ63 的规定。d、混凝土中掺用外加剂的质量及应用技术应符合现行国家标准《混凝土外加剂》 GB8076、《混凝土外加剂应用 技术法律规范》GB50119 等和有关环境保护的规定。当使用氯化物的外加剂时,混凝土中氯化物的总含量应符合现行国家标准《混凝土质量控...

1、当您付费下载文档后,您只拥有了使用权限,并不意味着购买了版权,文档只能用于自身使用,不得用于其他商业用途(如 [转卖]进行直接盈利或[编辑后售卖]进行间接盈利)。
2、本站所有内容均由合作方或网友上传,本站不对文档的完整性、权威性及其观点立场正确性做任何保证或承诺!文档内容仅供研究参考,付费前请自行鉴别。
3、如文档内容存在违规,或者侵犯商业秘密、侵犯著作权等,请点击“违规举报”。

碎片内容

正泰电气工业园区混凝土构件监理实施细则

您可能关注的文档

元素商铺+ 关注
实名认证
内容提供者

欢迎挑选合适的文档

确认删除?
VIP
微信客服
  • 扫码咨询
会员Q群
  • 会员专属群点击这里加入QQ群
客服邮箱
回到顶部