电脑桌面
添加小米粒文库到电脑桌面
安装后可以在桌面快捷访问

污水管网许建工程砌筑安全技术交底

污水管网许建工程砌筑安全技术交底_第1页
1/1
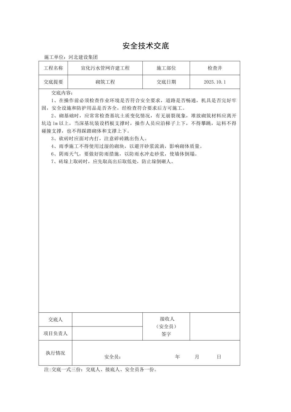
安全技术交底施工单位:河北建设集团工程名称宣化污水管网许建工程施工部位检查井交底提要砌筑工程交底日期2025.10.1交底内容:1、在操作前必须检查作业环境是否符合安全要求,道路是否畅通,机具是否完好牢固,安全设施和防护用品是否齐全,经检查符合要求后方可施工。2、砌基础时,应常常检查基坑土质变化情况,有无崩裂现象,堆放砌筑材料应离开坑边 1m 以上,当深基坑装设档板支撑时,操作人员应沿梯子上下,不得攀跳,运料不得碰撞支撑,也不得踩踏砌体和支撑上下。3、砍砖时应面对内打,注意碎砖跳出伤人。4、雨季施工不得使用过湿的砌块,以避开砂浆流淌,影响砌体质量。6、阴雨天气,要做好防雨措施,以防雨水冲走砂浆,使墙体倒塌。7、砖垛上取砖时,应先取高出后取低处,防止垛倒砸人。交底人接收人(安全员)签字项目负责人执行情况 安全员: 年 月 日注:交底一式三份:交底人、接底人、安全员各一份。

1、当您付费下载文档后,您只拥有了使用权限,并不意味着购买了版权,文档只能用于自身使用,不得用于其他商业用途(如 [转卖]进行直接盈利或[编辑后售卖]进行间接盈利)。
2、本站所有内容均由合作方或网友上传,本站不对文档的完整性、权威性及其观点立场正确性做任何保证或承诺!文档内容仅供研究参考,付费前请自行鉴别。
3、如文档内容存在违规,或者侵犯商业秘密、侵犯著作权等,请点击“违规举报”。

碎片内容

污水管网许建工程砌筑安全技术交底

确认删除?
VIP
微信客服
  • 扫码咨询
会员Q群
  • 会员专属群点击这里加入QQ群
客服邮箱
回到顶部