电脑桌面
添加小米粒文库到电脑桌面
安装后可以在桌面快捷访问

混凝土试模校验记录

混凝土试模校验记录_第1页
1/12
混凝土试模校验记录_第2页
2/12
混凝土试模校验记录_第3页
3/12
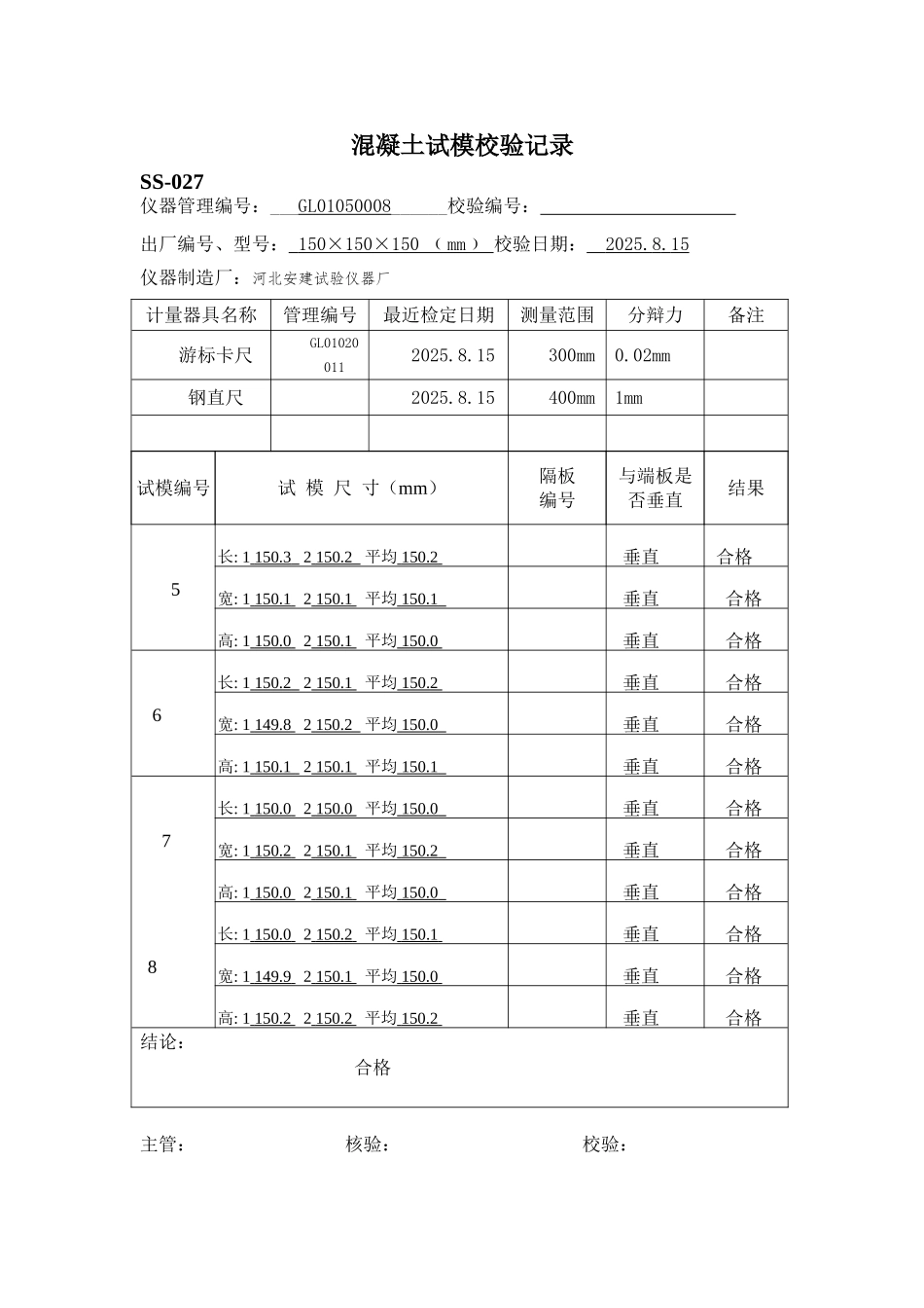
混凝土试模校验记录SS-027仪器管理编号:___GL01050008______校验编号: 出厂编号、型号: 150×150×150 ﹙mm﹚ 校验日期: 2025. 8 . 1 5 仪器制造厂:河北安建试验仪器厂计量器具名称管理编号最近检定日期测量范围分辩力备注游标卡尺GL010200112025.8.15300mm0.02mm钢直尺2025.8.15400mm1mm试模编号试 模 尺 寸(mm)隔板编号与端板是 否垂直结果 1 长: 1 150.1 2 150.0 平均 150.0 垂直 合格宽: 1 150.2 2 150.1 平均 150.2 垂直合格高: 1 150.0 2 150.0 平均 150.0 垂直合格2 长: 1 149.9 2 150.0 平均 150.0 垂直合格宽: 1 150.1 2 150.1 平均 150.1 垂直合格高: 1 150.2 2 150.3 平均 150.2 垂直合格3长: 1 150.1 2 150.3 平均 150.2 垂直合格宽: 1 150.0 2 150.0 平均 150.0 垂直合格高: 1 149.9 2 150.1 平均 150.0 垂直合格4长: 1 150.3 2 150.1 平均 150.2 垂直合格宽: 1 150.1 2 150.0 平均 150.1 垂直合格高: 1 150.0 2 150.0 平均 150.0 垂直合格结论: 合格主管: 核验: 校验混凝土试模校验记录SS-027仪器管理编号:___GL01050008______校验编号: 出厂编号、型号: 150×150×150 ﹙mm﹚ 校验日期: 2025. 8 . 1 5 仪器制造厂:河北安建试验仪器厂计量器具名称管理编号最近检定日期测量范围分辩力备注游标卡尺GL010200112025.8.15300mm0.02mm钢直尺2025.8.15400mm1mm试模编号试 模 尺 寸(mm)隔板编号与端板是 否垂直结果5长: 1 150.3 2 150.2 平均 150.2 垂直 合格宽: 1 150.1 2 150.1 平均 150.1 垂直合格高: 1 150.0 2 150.1 平均 150.0 垂直合格 6长: 1 150.2 2 150.1 平均 150.2 垂直合格宽: 1 149.8 2 150.2 平均 150.0 垂直合格高: 1 150.1 2 150.1 平均 150.1 垂直合格7长: 1 150.0 2 150.0 平均 150.0 垂直合格宽: 1 150.2 2 150.1 平均 150.2 垂直合格高: 1 150.0 2 150.1 平均 150.0 垂直合格 8 长: 1 150.0 2 150.2 平均 150.1 垂直合格宽: 1 149.9 2 150.1 平均 150.0 垂直合格高: 1 150.2 2 150.2 平均 150.2 垂直合格结论: 合格主管: 核验: 校验:混凝土试模校验记录SS-027仪器管理编号:___GL01050008______校验编号: 出厂编号、型号: 150×150×150 ﹙mm﹚ 校验日期: 2025....

1、当您付费下载文档后,您只拥有了使用权限,并不意味着购买了版权,文档只能用于自身使用,不得用于其他商业用途(如 [转卖]进行直接盈利或[编辑后售卖]进行间接盈利)。
2、本站所有内容均由合作方或网友上传,本站不对文档的完整性、权威性及其观点立场正确性做任何保证或承诺!文档内容仅供研究参考,付费前请自行鉴别。
3、如文档内容存在违规,或者侵犯商业秘密、侵犯著作权等,请点击“违规举报”。

碎片内容

混凝土试模校验记录

确认删除?
VIP
微信客服
  • 扫码咨询
会员Q群
  • 会员专属群点击这里加入QQ群
客服邮箱
回到顶部