电脑桌面
添加小米粒文库到电脑桌面
安装后可以在桌面快捷访问

现浇混凝土基础检验批质量验收记录表

现浇混凝土基础检验批质量验收记录表_第1页
1/2
现浇混凝土基础检验批质量验收记录表_第2页
2/2
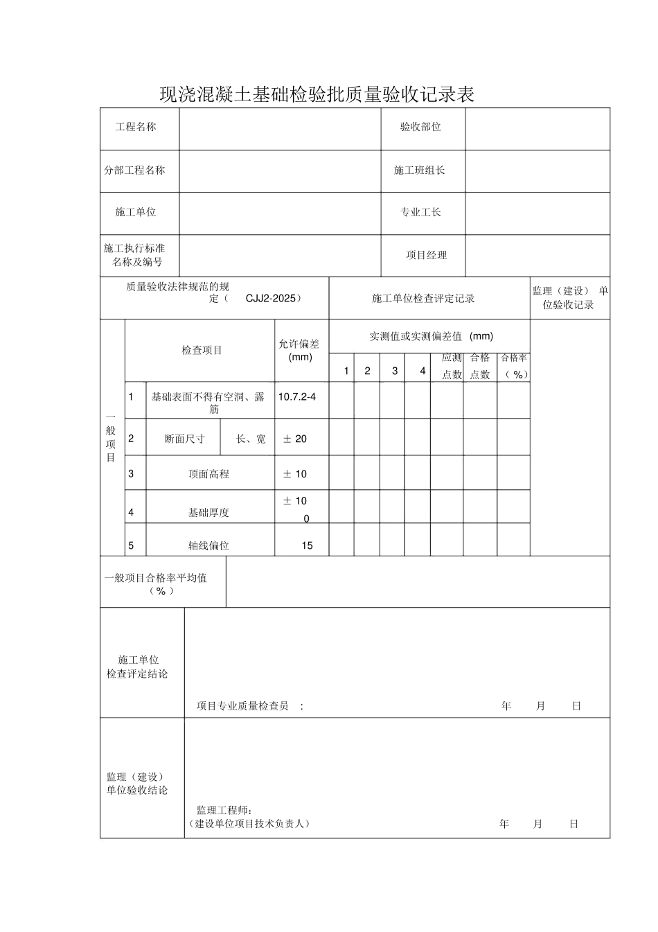
现浇混凝土基础检验批质量验收记录表工程名称验收部位分部工程名称施工班组长施工单位专业工长施工执行标准项目经理名称及编号质量验收法律规范的规定(CJJ2-2025)施工单位检查评定记录监理(建设) 单位验收记录允许偏差实测值或实测偏差值 (mm)检查项目(mm)应测 合格 合格率2341点数 点数( %)1基础表面不得有空洞、露10.7.2-4一筋般2断面尺寸长、宽± 20项目3顶面高程± 104基础厚度± 1005轴线偏位15一般项目合格率平均值(% )施工单位检查评定结论项目专业质量检查员:年月日监理(建设)单位验收结论监理工程师:(建设单位项目技术负责人)年月日现浇混凝土基础质量检验标准10.7.1 基础施工涉及的模板与支架,钢筋、混凝土、 预应力混凝土,砌体质量检验应符合本法律规范第 5.4 、 6.5 、 7.13 、8.5 、 9.6节的规定。10.7.2-4 现浇混凝土基础的质量检验应符合本法律规范第 10.7.1条规定,且应符合下列要求:一般项目1)现浇混凝土基础允许偏差应符合表10.7.2-3 的要求。表 10.7.2-3 现浇混凝土基础允许偏差允许偏差检验频率项目检查方法(mm)范围点数断面尺寸长、宽± 204用钢尺量,长、宽各2 点顶面高程± 10每座基4用水准仪测量基础厚度± 10础4用钢尺量,长、宽各2 点0轴线偏位154用经纬仪测量,纵、横各2 点2)基础表面不得有孔洞、露筋。检查数量:全数检查。检查方法:观察。

1、当您付费下载文档后,您只拥有了使用权限,并不意味着购买了版权,文档只能用于自身使用,不得用于其他商业用途(如 [转卖]进行直接盈利或[编辑后售卖]进行间接盈利)。
2、本站所有内容均由合作方或网友上传,本站不对文档的完整性、权威性及其观点立场正确性做任何保证或承诺!文档内容仅供研究参考,付费前请自行鉴别。
3、如文档内容存在违规,或者侵犯商业秘密、侵犯著作权等,请点击“违规举报”。

碎片内容

现浇混凝土基础检验批质量验收记录表

确认删除?
VIP
微信客服
  • 扫码咨询
会员Q群
  • 会员专属群点击这里加入QQ群
客服邮箱
回到顶部