电脑桌面
添加小米粒文库到电脑桌面
安装后可以在桌面快捷访问

现浇结构混凝土工程检验批质量验收记录

现浇结构混凝土工程检验批质量验收记录_第1页
1/2
现浇结构混凝土工程检验批质量验收记录_第2页
2/2
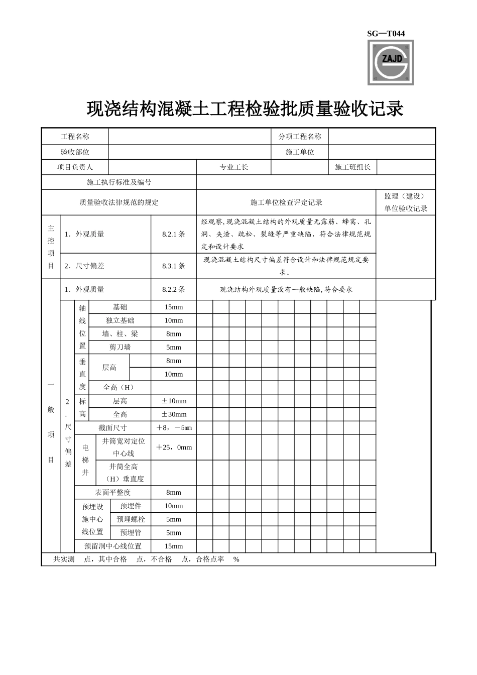
SG—T044现浇结构混凝土工程检验批质量验收记录工程名称分项工程名称验收部位施工单位项目负责人专业工长施工班组长施工执行标准及编号质量验收法律规范的规定施工单位检查评定记录监理(建设)单位验收记录主控项目1.外观质量8.2.1 条经观察,现浇混凝土结构的外观质量无露筋、蜂窝、孔洞、夹渣、疏松、裂缝等严重缺陷,符合法律规范规定和设计要求2.尺寸偏差8.3.1 条现浇混凝土结构尺寸偏差符合设计和法律规范规定要求。一般项目1.外观质量8.2.2 条现浇结构外观质量没有一般缺陷,符合要求2.尺寸偏差轴线位置基础15mm独立基础10mm墙、柱、梁8mm剪刀墙5mm垂直度层高8mm10mm全高(H)标高层高±10mm全高±30mm截面尺寸+8,-5mm电梯井井筒宽对定位中心线+25,0mm井筒全高(H)垂直度表面平整度8mm预埋设施中心线位置预埋件10mm预埋螺栓5mm预埋管5mm预留洞中心线位置15mm共实测 点,其中合格 点,不合格 点,合格点率 %施工单位检查评定结果经检查,该检验批中主控项目全部合格,一般项目满足法律规范规定和设计图纸要求,施工质量好,资料完整,评定为合格。项目专业质量检查员: 项目专业质量(技术)负责人: 年 月 日监理(建设)单位验收结论监理工程师(建设单位项目技术负责人): 年 月 日四川省建设厅制

1、当您付费下载文档后,您只拥有了使用权限,并不意味着购买了版权,文档只能用于自身使用,不得用于其他商业用途(如 [转卖]进行直接盈利或[编辑后售卖]进行间接盈利)。
2、本站所有内容均由合作方或网友上传,本站不对文档的完整性、权威性及其观点立场正确性做任何保证或承诺!文档内容仅供研究参考,付费前请自行鉴别。
3、如文档内容存在违规,或者侵犯商业秘密、侵犯著作权等,请点击“违规举报”。

碎片内容

现浇结构混凝土工程检验批质量验收记录

确认删除?
VIP
微信客服
  • 扫码咨询
会员Q群
  • 会员专属群点击这里加入QQ群
客服邮箱
回到顶部