电脑桌面
添加小米粒文库到电脑桌面
安装后可以在桌面快捷访问

电缆桥架购买合同VIP免费

电缆桥架购买合同_第1页
1/3
电缆桥架购买合同_第2页
2/3
电缆桥架购买合同_第3页
3/3
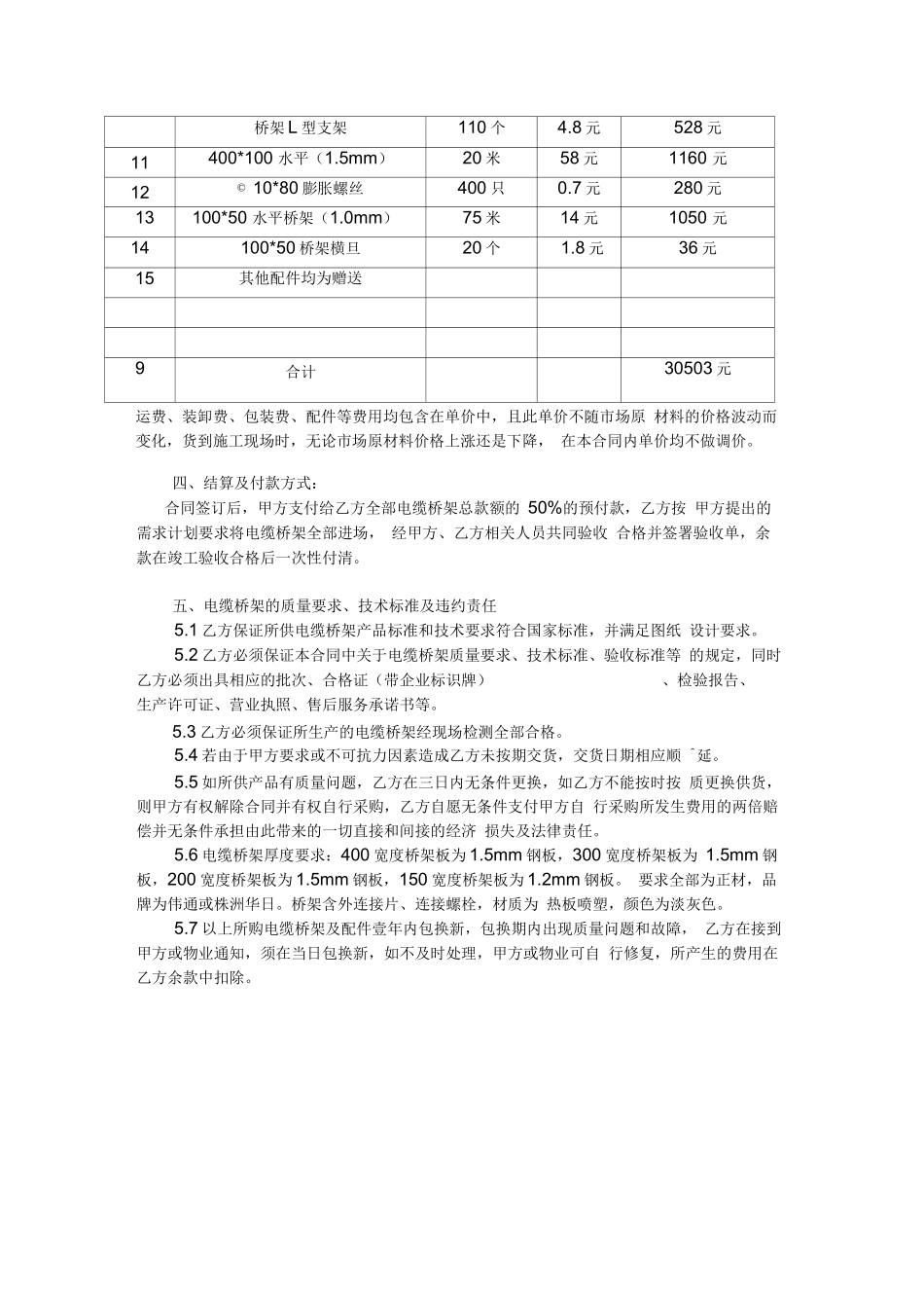
电缆桥架购买合同甲方(需方):株洲奔狐百货实业有限公司乙方(供方):依照《中华人民共和国合同法》及其他有关法律、行政法规之相关规定,甲、乙双方在遵循平等、自愿、公平、诚实信用的原则基础上,就甲方向乙方购买电缆桥架事宜,经友好协商达成一致,订立本合同。一、供货时间:1.1甲方根据自身安装项目的施工进度情况,于2017年1月13日前以书面形式或电话通知乙方供货时间、规格、数量的需求计划。1.2乙方必须严格按照甲方提供的计划,准时将所购电缆桥架送到施工现场,分楼号卸至指定地点。二、本合同总价款:暂定人民币________________元(大写:人民币_________________________元整。本合同所约定的单价费用为包干价不再调整。最终结算时实际供货量如有增减,按设计图纸中的所对应型号价。、购买的产品名称、型号、数量、单价、总额:序号品名及型号数量单价金额1400*200梯式(1.5mm)130米57元7410元2400*200水平(1.5mm)26米67元1742元3立转平弯(1.5mm)4个67元268元正三通(1.5mm)8个87元696元90度弯头(1.5mm)6个67元402元4200*100梯式(1.5mm)140米30元4200元5200*100水平(1.5mm)50米26元1300元6立转平弯(1.5mm)10个34元340元正三通(1.5mm)1个44元44元90度弯头(1.5mm)10个34元340元横旦55根2.5元137元7300*100梯式(1.5mm)58米40.5元2349元8正三通2个53元106元(400*100)*(200*100)3个75元225元9150*100水平(1.2mm)210米30元6300元1090度弯头(1.5mm40个30元1200元平转弯头13个30元390元桥架L型支架110个4.8元528元11400*100水平(1.5mm)20米58元1160元12©10*80膨胀螺丝400只0.7元280元13100*50水平桥架(1.0mm)75米14元1050元14100*50桥架横旦20个1.8元36元15其他配件均为赠送9合计30503元运费、装卸费、包装费、配件等费用均包含在单价中,且此单价不随市场原材料的价格波动而变化,货到施工现场时,无论市场原材料价格上涨还是下降,在本合同内单价均不做调价。四、结算及付款方式:合同签订后,甲方支付给乙方全部电缆桥架总款额的50%的预付款,乙方按甲方提出的需求计划要求将电缆桥架全部进场,经甲方、乙方相关人员共同验收合格并签署验收单,余款在竣工验收合格后一次性付清。五、电缆桥架的质量要求、技术标准及违约责任5.1乙方保证所供电缆桥架产品标准和技术要求符合国家标准,并满足图纸设计要求。5.2乙方必须保证本合同中关于电缆桥架质量要求、技术标准、验收标准等的规定,同时乙方必须出具相应的批次、合格证(带企业标识牌)、检验报告、生产许可证、营业执照、售后服务承诺书等。5.3乙方必须保证所生产的电缆桥架经现场检测全部合格。5.4若由于甲方要求或不可抗力因素造成乙方未按期交货,交货日期相应顺^延。5.5如所供产品有质量问题,乙方在三日内无条件更换,如乙方不能按时按质更换供货,则甲方有权解除合同并有权自行采购,乙方自愿无条件支付甲方自行采购所发生费用的两倍赔偿并无条件承担由此带来的一切直接和间接的经济损失及法律责任。5.6电缆桥架厚度要求:400宽度桥架板为1.5mm钢板,300宽度桥架板为1.5mm钢板,200宽度桥架板为1.5mm钢板,150宽度桥架板为1.2mm钢板。要求全部为正材,品牌为伟通或株洲华日。桥架含外连接片、连接螺栓,材质为热板喷塑,颜色为淡灰色。5.7以上所购电缆桥架及配件壹年内包换新,包换期内出现质量问题和故障,乙方在接到甲方或物业通知,须在当日包换新,如不及时处理,甲方或物业可自行修复,所产生的费用在乙方余款中扣除。可向甲方注册地人民法院乙方(供方)盖章:代理人:日期:六、合同纠纷的解决方式:本合同在执行过程中发生争议,双方协商不成时,提起诉讼。七、其他事项:7.1未尽事宜双方协商解决,另行签订补充协议;7.2本合同一式贰份,甲、乙双方各执壹份。甲方(需方)盖章:代理人:日期:

1、当您付费下载文档后,您只拥有了使用权限,并不意味着购买了版权,文档只能用于自身使用,不得用于其他商业用途(如 [转卖]进行直接盈利或[编辑后售卖]进行间接盈利)。
2、本站所有内容均由合作方或网友上传,本站不对文档的完整性、权威性及其观点立场正确性做任何保证或承诺!文档内容仅供研究参考,付费前请自行鉴别。
3、如文档内容存在违规,或者侵犯商业秘密、侵犯著作权等,请点击“违规举报”。

碎片内容

电缆桥架购买合同

确认删除?
VIP
微信客服
  • 扫码咨询
会员Q群
  • 会员专属群点击这里加入QQ群
客服邮箱
回到顶部