电脑桌面
添加小米粒文库到电脑桌面
安装后可以在桌面快捷访问

电缆桥架安装工程检验批施工质量验收记录

电缆桥架安装工程检验批施工质量验收记录_第1页
1/2
电缆桥架安装工程检验批施工质量验收记录_第2页
2/2
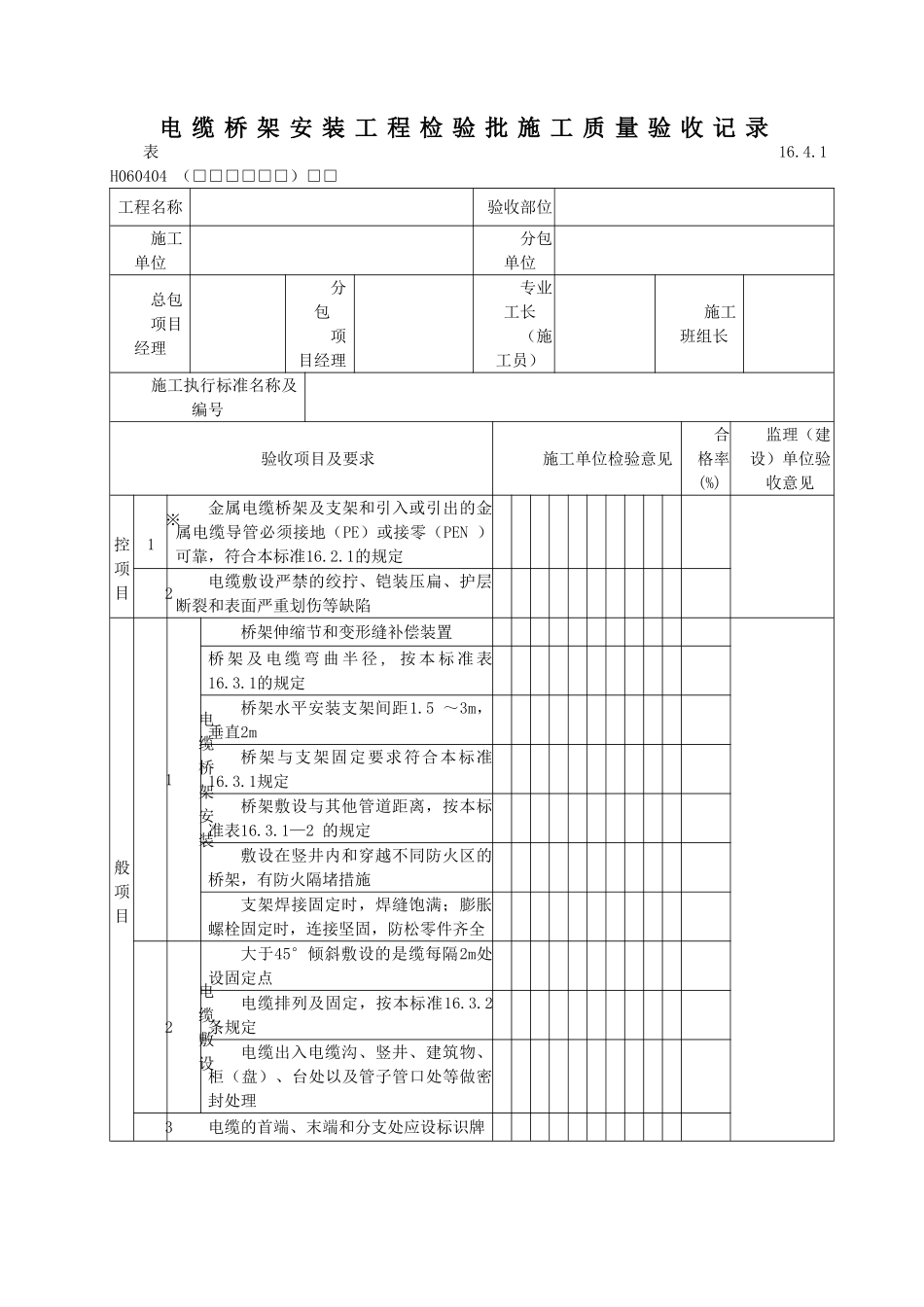
电 缆 桥 架 安 装 工 程 检 验 批 施 工 质 量 验 收 记 录表16.4.1 H060404 (□□□□□□)□□工程名称验收部位施工单位分包单位总包项目经理分包项目经理专业工长(施工员)施工班组长施工执行标准名称及编号验收项目及要求施工单位检验意见合格率(%)监理(建设)单位验收意见控项目※1金属电缆桥架及支架和引入或引出的金属电缆导管必须接地(PE)或接零(PEN )可靠,符合本标准16.2.1的规定2电缆敷设严禁的绞拧、铠装压扁、护层断裂和表面严重划伤等缺陷般项目1电缆桥架安装桥架伸缩节和变形缝补偿装置桥 架 及 电 缆 弯 曲 半 径 , 按 本 标 准 表16.3.1的规定桥架水平安装支架间距1.5 ~3m,垂直2m桥架与支架固定要求符合本标准16.3.1规定桥架敷设与其他管道距离,按本标准表16.3.1—2 的规定敷设在竖井内和穿越不同防火区的桥架,有防火隔堵措施支架焊接固定时,焊缝饱满;膨胀螺栓固定时,连接坚固,防松零件齐全2电缆敷设大于45°倾斜敷设的是缆每隔2m处设固定点电缆排列及固定,按本标准16.3.2条规定电缆出入电缆沟、竖井、建筑物、柜(盘)、台处以及管子管口处等做密封处理3电缆的首端、末端和分支处应设标识牌施工单位检验结果目质量检查员:年 月 日监理(建设)单位验收结论监理工程师:( 建设单位项目技术负责人) :年 月 日

1、当您付费下载文档后,您只拥有了使用权限,并不意味着购买了版权,文档只能用于自身使用,不得用于其他商业用途(如 [转卖]进行直接盈利或[编辑后售卖]进行间接盈利)。
2、本站所有内容均由合作方或网友上传,本站不对文档的完整性、权威性及其观点立场正确性做任何保证或承诺!文档内容仅供研究参考,付费前请自行鉴别。
3、如文档内容存在违规,或者侵犯商业秘密、侵犯著作权等,请点击“违规举报”。

碎片内容

电缆桥架安装工程检验批施工质量验收记录

阳光书坊+ 关注
实名认证
内容提供者

阳光书坊,传播未来

确认删除?
VIP
微信客服
  • 扫码咨询
会员Q群
  • 会员专属群点击这里加入QQ群
客服邮箱
回到顶部