电脑桌面
添加小米粒文库到电脑桌面
安装后可以在桌面快捷访问

电缆桥架安装施工要求及规范

电缆桥架安装施工要求及规范_第1页
1/23
电缆桥架安装施工要求及规范_第2页
2/23
电缆桥架安装施工要求及规范_第3页
3/23
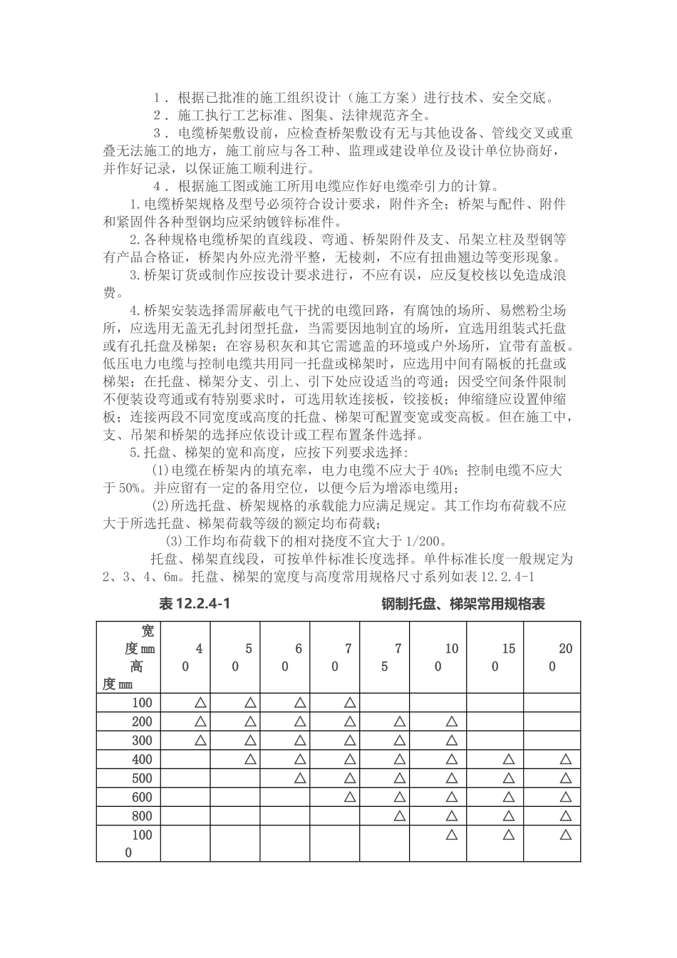
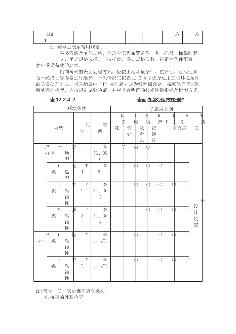
电缆桥架安装施工要求及法律规范1 一般规定1.1 本章适用于电压为 10KV 及以下新建扩建的一般工业与民用建筑电缆、桥架安装和桥架内电缆敷设1.2 电缆桥架安装和桥架内电缆敷设,应按已批准的设计文件施工。1.3 由支、吊、托架支撑的托盘(槽)或梯架直线段、弯通非直线段组合而成,敷设电缆具有连续性的刚性结构系统,为电缆桥架。见图 12.1.3 1.4 金属电缆桥架及其支架和引入或引出的金属电缆导管必须接地(PE)或接零(PEN)可靠,且必须符合下列规定: 1.金属电缆桥架及支架全长应不少于 2 处与接地(PE)或接零(PEN)干线相连接; 2.非镀锌电缆桥架间连接板的两端跨接线铜芯接地线,接地线最小允许截面积不小于 4mm2; 3.镀锌电缆桥架间连接板的两端不跨接接地线,但连接板两端不少于 2 个有防松螺帽或防松垫圈的连接固定螺栓。1.5 电缆敷设严禁有绞拧、铠装压扁、护层断裂和表面严重划伤等缺陷。1.6 电缆桥架处如有防火要求的场所,应实行防火隔离措施。12.2 施工准备2.1 技术准备: 1.根据已批准的施工组织设计(施工方案)进行技术、安全交底。 2.施工执行工艺标准、图集、法律规范齐全。 3.电缆桥架敷设前,应检查桥架敷设有无与其他设备、管线交叉或重叠无法施工的地方,施工前应与各工种、监理或建设单位及设计单位协商好,并作好记录,以保证施工顺利进行。 4.根据施工图或施工所用电缆应作好电缆牵引力的计算。1.电缆桥架规格及型号必须符合设计要求,附件齐全;桥架与配件、附件和紧固件各种型钢均应采纳镀锌标准件。2.各种规格电缆桥架的直线段、弯通、桥架附件及支、吊架立柱及型钢等有产品合格证,桥架内外应光滑平整,无棱刺,不应有扭曲翘边等变形现象。3.桥架订货或制作应按设计要求进行,不应有误,应反复校核以免造成浪费。4.桥架安装选择需屏蔽电气干扰的电缆回路,有腐蚀的场所、易燃粉尘场所,应选用无盖无孔封闭型托盘,当需要因地制宜的场所,宜选用组装式托盘或有孔托盘及梯架;在容易积灰和其它需遮盖的环境或户外场所,宜带有盖板。低压电力电缆与控制电缆共用同一托盘或梯架时,应选用中间有隔板的托盘或梯架;在托盘、梯架分支、引上、引下处应设适当的弯通;因受空间条件限制不便装设弯通或有特别要求时,可选用软连接板,铰接板;伸缩缝应设置伸缩板;连接两段不同宽度或高度的托盘、梯架可配置变宽或变高板。但在施工中,支、吊架和桥架的选择应依设计或工程布置条...

1、当您付费下载文档后,您只拥有了使用权限,并不意味着购买了版权,文档只能用于自身使用,不得用于其他商业用途(如 [转卖]进行直接盈利或[编辑后售卖]进行间接盈利)。
2、本站所有内容均由合作方或网友上传,本站不对文档的完整性、权威性及其观点立场正确性做任何保证或承诺!文档内容仅供研究参考,付费前请自行鉴别。
3、如文档内容存在违规,或者侵犯商业秘密、侵犯著作权等,请点击“违规举报”。

碎片内容

电缆桥架安装施工要求及规范

元素商铺+ 关注
实名认证
内容提供者

欢迎挑选合适的文档

确认删除?
VIP
微信客服
  • 扫码咨询
会员Q群
  • 会员专属群点击这里加入QQ群
客服邮箱
回到顶部