电脑桌面
添加小米粒文库到电脑桌面
安装后可以在桌面快捷访问

石膏板吊顶工程

石膏板吊顶工程_第1页
1/4
石膏板吊顶工程_第2页
2/4
石膏板吊顶工程_第3页
3/4
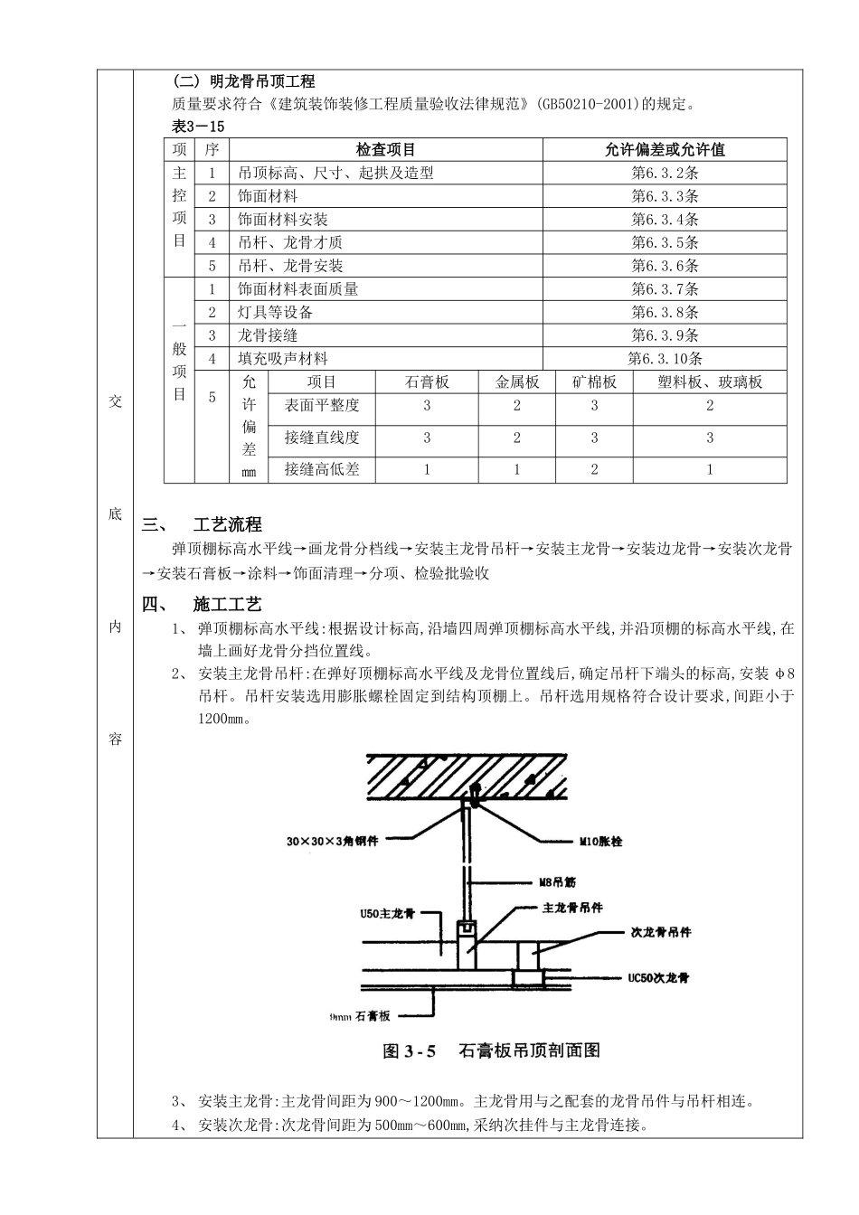
石膏板吊顶工程 分项工程质量技术交底卡GD2301003 施工单位工程名称分部工程交底部位日 期 年 月 日交底内容一、施工准备(一) 作业条件1、在所要吊顶的范围内,机电安装均已施工完毕,各种管线均已试压合格,已经过隐蔽验收。2、已确定灯位、通风口及各种照明孔口的位置。3、顶棚罩面板安装前,应作完墙、地湿作业工程项目。4、搭好顶棚施工操作平台架子。5、轻钢骨架顶棚在大面积施工前,应做样板,对顶棚的起拱度、灯槽、窗帘盒、通风口等处进行构造处理,经鉴定后再大面积施工。(二) 材质准备轻钢龙骨、配件、吊扦、膨胀螺栓、自攻螺钉、拉铆钉、石膏板、纸带、石膏粉等 ,进场检验合格且有出厂质量证明文件。(三) 施工机具型材切割机、电动曲线锯、手电钻、电锤、自攻螺钉钻、手提电动砂纸机等。二、质量要求(一) 暗龙骨吊顶工程 质量要求符合《建筑装饰装修工程质量验收法律规范》(GB50210-2001)的规定。表 3-14项序检查项目允许偏差或允许值主控项目1标高、尺寸、起拱、造型第6.2.2条2饰面材料第6.2.3条3吊杆、龙骨、饰面材料安装第6.2.4条4吊杆、龙骨材料、间距及连接方式第6.2.5条5石膏板接缝第6.2.6条一般项目1预制构件支承位置和方法第6.2.7条2安装控制标志第6.2.8条3预制构件吊装第6.2.9条4临时固定措施和位置校正第6.2.10条5允许偏差mm项目纸面石膏板金属板矿棉板模板、塑料板、格栅表面平整度3222接缝直线度31.533接缝高低差111.51交底内容(二) 明龙骨吊顶工程质量要求符合《建筑装饰装修工程质量验收法律规范》(GB50210-2001)的规定。表3-15项序检查项目允许偏差或允许值主控项目1吊顶标高、尺寸、起拱及造型第6.3.2条2饰面材料第6.3.3条3饰面材料安装第6.3.4条4吊杆、龙骨才质第6.3.5条5吊杆、龙骨安装第6.3.6条一般项目1饰面材料表面质量第6.3.7条2灯具等设备第6.3.8条3龙骨接缝第6.3.9条4填充吸声材料第6.3.10条5允许偏差㎜项目石膏板金属板矿棉板塑料板、玻璃板表面平整度3232接缝直线度3233接缝高低差1121三、工艺流程弹顶棚标高水平线→画龙骨分档线→安装主龙骨吊杆→安装主龙骨→安装边龙骨→安装次龙骨→安装石膏板→涂料→饰面清理→分项、检验批验收四、施工工艺1、 弹顶棚标高水平线:根据设计标高,沿墙四周弹顶棚标高水平线,并沿顶棚的标高水平线,在墙上画好龙骨分挡位置线。2、 安装主龙骨吊杆:在弹好顶棚标高水平线及龙骨位置线后,确定吊杆下端头的标高,安装 φ8吊杆。吊杆安装选用膨胀螺栓固定到结...

1、当您付费下载文档后,您只拥有了使用权限,并不意味着购买了版权,文档只能用于自身使用,不得用于其他商业用途(如 [转卖]进行直接盈利或[编辑后售卖]进行间接盈利)。
2、本站所有内容均由合作方或网友上传,本站不对文档的完整性、权威性及其观点立场正确性做任何保证或承诺!文档内容仅供研究参考,付费前请自行鉴别。
3、如文档内容存在违规,或者侵犯商业秘密、侵犯著作权等,请点击“违规举报”。

碎片内容

石膏板吊顶工程

您可能关注的文档

确认删除?
VIP
微信客服
  • 扫码咨询
会员Q群
  • 会员专属群点击这里加入QQ群
客服邮箱
回到顶部