电脑桌面
添加小米粒文库到电脑桌面
安装后可以在桌面快捷访问

稳定土拌和设备(厂拌)

稳定土拌和设备(厂拌)_第1页
1/4
稳定土拌和设备(厂拌)_第2页
2/4
稳定土拌和设备(厂拌)_第3页
3/4
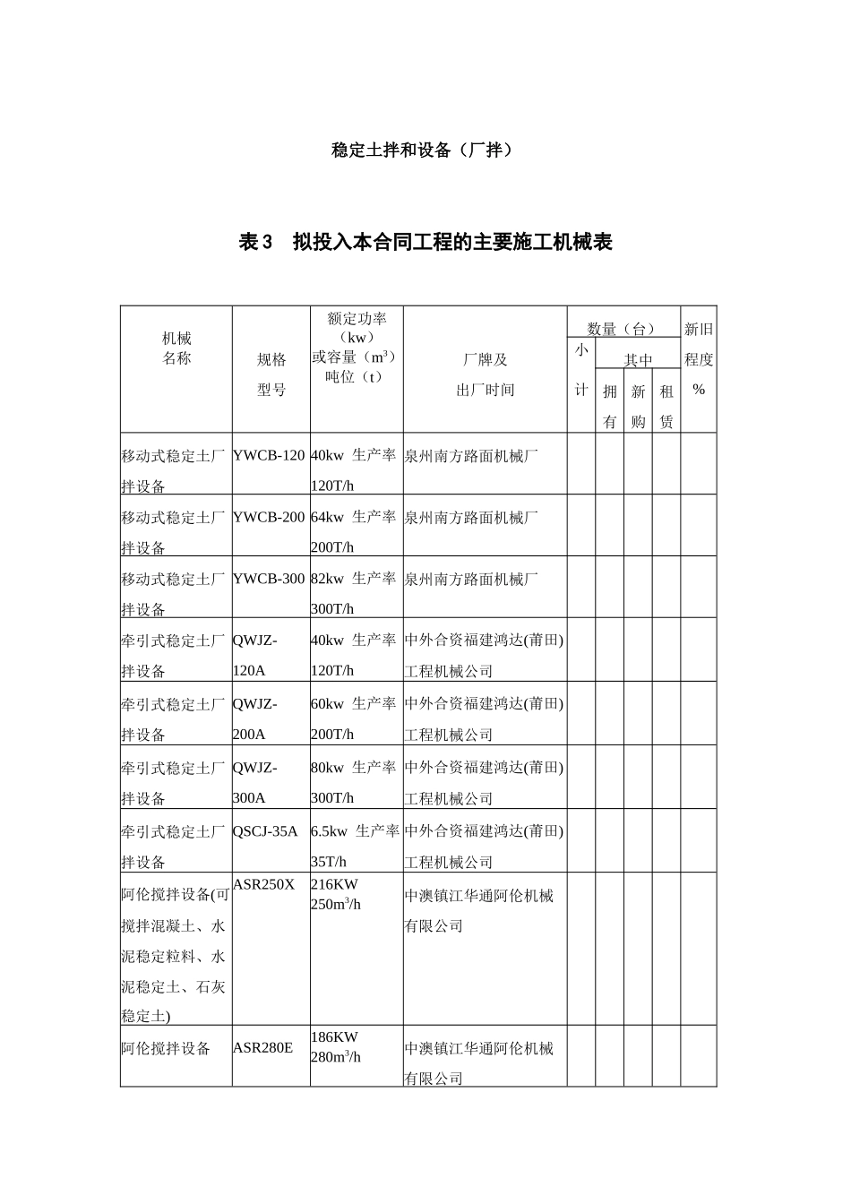
稳定土拌和设备(厂拌)表 3 拟投入本合同工程的主要施工机械表机械名称规格型号额定功率(kw)或容量(m3)吨位(t)厂牌及出厂时间数量(台)新旧程度%小计其中拥有新购租赁移动式稳定土厂拌设备YWCB-120 40kw 生产率120T/h泉州南方路面机械厂移动式稳定土厂拌设备YWCB-200 64kw 生产率200T/h泉州南方路面机械厂移动式稳定土厂拌设备YWCB-300 82kw 生产率300T/h泉州南方路面机械厂牵引式稳定土厂拌设备QWJZ-120A40kw 生产率120T/h中外合资福建鸿达(莆田)工程机械公司牵引式稳定土厂拌设备QWJZ-200A60kw 生产率200T/h中外合资福建鸿达(莆田)工程机械公司牵引式稳定土厂拌设备QWJZ-300A80kw 生产率300T/h中外合资福建鸿达(莆田)工程机械公司牵引式稳定土厂拌设备QSCJ-35A6.5kw 生产率35T/h中外合资福建鸿达(莆田)工程机械公司阿伦搅拌设备(可搅拌混凝土、水泥稳定粒料、水泥稳定土、石灰稳定土)ASR250X216KW 250m3/h中澳镇江华通阿伦机械有限公司阿伦搅拌设备ASR280E186KW280m3/h中澳镇江华通阿伦机械有限公司阿伦搅拌设备ASR200G130KW200m3/h中澳镇江华通阿伦机械有限公司移动式稳定土厂拌设备WCQ20061kw 200T/h湖南建材机械厂移动式稳定土厂拌设备WCQ30084kw 300T/h湖南建材机械厂稳定土厂拌设备 WCQ25072kw 250T/h陕西建设机械集团公司稳定土厂拌设备 WCQ20070kw 200T/h 徐州筑路机械厂稳定土厂拌设备 WCQ300110kw 300T/h徐州筑路机械厂固定式稳定土厂拌设备WBS200A70kw 200T/h交通部新津筑路机械厂固定式稳定土厂拌设备WBS200B70kw 200T/h交通部新津筑路机械厂固定式稳定土厂拌设备WBS200C70kw 200T/h交通部新津筑路机械厂固定式稳定土厂拌设备WBS5034kw 100T/h交通部新津筑路机械厂固定式稳定土厂拌设备WBS10036kw 100T/h交通部新津筑路机械厂固定式稳定土厂拌设备WBS20066kw 200T/h交通部新津筑路机械厂固定式稳定土厂拌设备WBS20064kw 200T/h山东建筑机械厂稳定土厂拌设备 NM150A功率 45kw 120~150t/h日本新泻(NIIGATA)稳定土厂拌设备 NM300功率 94.3kw 200~300t/h日本新泻(NIIGATA)稳定土厂拌设备 NDM150功率 30.5kw 150t/h日本新泻(NIIGATA)稳定土厂拌设备 NDM250功率 46.6kw 250t/h日本新泻(NIIGATA)稳定土厂拌设备 NDM450功率 49.4kw 450t/h日本新泻(NIIGATA)稳定土厂拌设备 NDM600功率 90.8kw 600t/h日本新泻(NIIGATA)稳定土厂拌设备 TD-100功率 30kw 100t/h日本铁工(T...

1、当您付费下载文档后,您只拥有了使用权限,并不意味着购买了版权,文档只能用于自身使用,不得用于其他商业用途(如 [转卖]进行直接盈利或[编辑后售卖]进行间接盈利)。
2、本站所有内容均由合作方或网友上传,本站不对文档的完整性、权威性及其观点立场正确性做任何保证或承诺!文档内容仅供研究参考,付费前请自行鉴别。
3、如文档内容存在违规,或者侵犯商业秘密、侵犯著作权等,请点击“违规举报”。

碎片内容

稳定土拌和设备(厂拌)

阳光书坊+ 关注
实名认证
内容提供者

阳光书坊,传播未来

确认删除?
VIP
微信客服
  • 扫码咨询
会员Q群
  • 会员专属群点击这里加入QQ群
客服邮箱
回到顶部