电脑桌面
添加小米粒文库到电脑桌面
安装后可以在桌面快捷访问

系列球型支座应用指南

系列球型支座应用指南_第1页
1/7
系列球型支座应用指南_第2页
2/7
系列球型支座应用指南_第3页
3/7
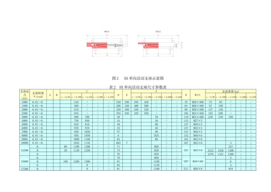
QZ 系列球型支座应用指南1. 产品介绍QZ 系列球型支座严格执行中华人民共和国国家标准 GB/T 17955-2000《球型支座技术条件》,同时还参照欧洲标准化委员会 CEN/TC 167 技术委员会 1993 年 8 月颁布的结构物支座标准草案第七篇“球型和柱型聚四氟乙烯支座”和第二篇“滑动部件”、英国标准BS 5400《钢桥、混凝土桥及结合桥梁》第九篇“桥梁支座”的规定。2. 示意及规格尺寸球型支座结构示意图见图 1、图 2、图 3;其规格尺寸见表 1、表 2、和表 3。图 1 SX 双向活动支座示意图表 1 SX 双向活动支座尺寸参数表支座反力(kN)支座转角θ(rad)ABCDEFHM×L支座重量(kg)e =±50 e =±100 e =±150 e =±200 e =±250e =±50 e =±100 e =±150 e =±200 e =±250e =±50 e =±100 e =±150 e =±200 e =±25010000.01~0.510///240290350450///79M20×4006471///15000.01~0.560///290330400500///84M20×4008592///20000.01~0.610///320360430530///89M20×400111119///25000.01~0.655///355395450550///105M24×460165176///30000.01~0.690790//3870//110M24×460195207219//40000.01~0.750850//4330//115M27×5//50000.01~0.810910//4980//127M30×5//60000.01~0.870970//5340//137M33×5//70000.01~0.9201020//5780//147M36×5//80000.01~0.9501050//6920//152M40×6//90000.01~0.10001100//6460//162M42×6//100000.01~0.10351135//6657//167M42×6//125000.0011001200//71000//191M45×6172//0.011201220//73020//114411791215//0.5011501250//76050//120712441280//150000.//79080//207M48×605//0.10012001300//811100//143814761515//0.1//841130//1//175000.114012401340//811100//211M56×8721//0.//851140//174517861827//0.0//881170//0//200000.120013001400//871160//227M60×8074//0.24013401440//9101200//210021482196//0.0//9401230//219222412291//225000.//09601100//1160M64×800//0.//09601120//116012601360//0.//09601140//116012601360//250000.//14341090//123M64×800//0.//14341150//123013301430//0.//14341180//123013301430//275000.//410001120//128M72×800//0.//410001130//128013801480//0.//410001180//128013801480//300000.//010501170//129M72×800//0.//010501190//129013901490//0.//010501210//129013901490//图 2 DX 单向活动支座示意图...

1、当您付费下载文档后,您只拥有了使用权限,并不意味着购买了版权,文档只能用于自身使用,不得用于其他商业用途(如 [转卖]进行直接盈利或[编辑后售卖]进行间接盈利)。
2、本站所有内容均由合作方或网友上传,本站不对文档的完整性、权威性及其观点立场正确性做任何保证或承诺!文档内容仅供研究参考,付费前请自行鉴别。
3、如文档内容存在违规,或者侵犯商业秘密、侵犯著作权等,请点击“违规举报”。

碎片内容

系列球型支座应用指南

您可能关注的文档

确认删除?
VIP
微信客服
  • 扫码咨询
会员Q群
  • 会员专属群点击这里加入QQ群
客服邮箱
回到顶部