电脑桌面
添加小米粒文库到电脑桌面
安装后可以在桌面快捷访问

职工住宅楼主体工程监理实施细则

职工住宅楼主体工程监理实施细则_第1页
1/18
职工住宅楼主体工程监理实施细则_第2页
2/18
职工住宅楼主体工程监理实施细则_第3页
3/18
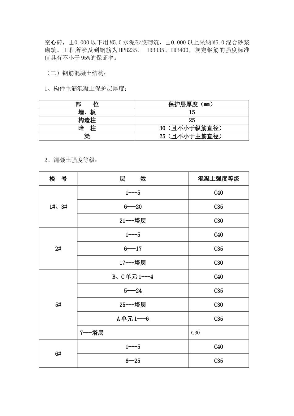
主体工程监理实施细则 【西安市农业技术推广中心职工住宅楼】编 制:审 批:时 间:2025 年 8 月 20 日目 录一、工程特点........................................................3(一)本工程使用的材料:........................................3(二)钢筋混凝土结构:..........................................3二、各分项工程监理工作程序..........................................41、模板工程:...................................................42、钢筋工程:....................................................53、混凝土工程:.................................................64、砌体工程:...................................................75、测量放线:...................................................8三、监理工作控制要点及目标值:......................................91、事前检查工作.................................................92、钢筋工程:..................................................103、模板工程:..................................................124、混凝土工程..................................................135、填充墙砌体工程..............................................16四、监理工作方法和措施。...........................................171、准备工作....................................................172、钢筋工程工作方法和措施......................................183、模板工程工作方法和措施......................................194、混凝土工程工作方法和措施....................................195、砌体工程工作方法和措施......................................20五、收集整理相应技术资料...........................................20一、工程特点本工程由各单体 1—3#楼、5#楼、6#楼、公建、幼儿园及室外(包括管网、景观、绿化、道路以及其他配套设施等)。1#、3#楼地下 1 层,地上 34 层,设有管道层;2#楼地下 1 层,地上 27 层,设有管道层;5#楼由 A、B、C 三个单元组成,A 单元地下 1 层,地上 19 层,B、C 单元地下 1 层,地上 33 层,为设置管道层;6#楼地下 1 层,地上 27 层,设有管道层;幼儿园按架空层上 3 层设置。本工程使用年限为 50 年,按 8 度抗震设...

1、当您付费下载文档后,您只拥有了使用权限,并不意味着购买了版权,文档只能用于自身使用,不得用于其他商业用途(如 [转卖]进行直接盈利或[编辑后售卖]进行间接盈利)。
2、本站所有内容均由合作方或网友上传,本站不对文档的完整性、权威性及其观点立场正确性做任何保证或承诺!文档内容仅供研究参考,付费前请自行鉴别。
3、如文档内容存在违规,或者侵犯商业秘密、侵犯著作权等,请点击“违规举报”。

碎片内容

职工住宅楼主体工程监理实施细则

您可能关注的文档

确认删除?
VIP
微信客服
  • 扫码咨询
会员Q群
  • 会员专属群点击这里加入QQ群
客服邮箱
回到顶部