电脑桌面
添加小米粒文库到电脑桌面
安装后可以在桌面快捷访问

脚手架工程施工安全技术交底(表格)

脚手架工程施工安全技术交底(表格)_第1页
1/2
脚手架工程施工安全技术交底(表格)_第2页
2/2
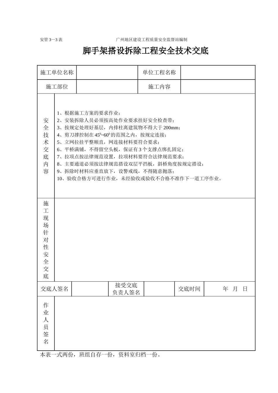
安管 3—3 表 广州地区建设工程质量安全监督站编制脚手架搭设拆除工程安全技术交底施工单位名称单位工程名称施工部位施工内容安全技术交底内容1、根据施工方案的要求作业;2、安装拆除人员必须按高处作业要求挂好安全检查带;3、按规定处理好基层,内排柱离建筑物不得大于 200mm;4、剪刀撑控制在 450~600的范围之内,按规定连接;5、立网拉挂平整顺直,网连接材料要符合要求;6、平桥满铺,不得留空头板,保证有 3 个支撑点绑扎固定;7、拉项点按法律规范设置,拉项材料要符合法律规范要求;8、主要通道必须按法律规范搭设双层平挡板,斜桥角度按规定搭设;9、拆除时材料应垂直放下,设警戒线,不得随意抛落;10、验收合格方可进行作业,未经验收或验收不合格不准作下一道工序作业。施工现场针对性安全交底交底人签名接受交底负责人签名交底时间年 月 日作业人员签名本表一式两份,班组自存一份,资料室归档一份。

1、当您付费下载文档后,您只拥有了使用权限,并不意味着购买了版权,文档只能用于自身使用,不得用于其他商业用途(如 [转卖]进行直接盈利或[编辑后售卖]进行间接盈利)。
2、本站所有内容均由合作方或网友上传,本站不对文档的完整性、权威性及其观点立场正确性做任何保证或承诺!文档内容仅供研究参考,付费前请自行鉴别。
3、如文档内容存在违规,或者侵犯商业秘密、侵犯著作权等,请点击“违规举报”。

碎片内容

脚手架工程施工安全技术交底(表格)

人从众+ 关注
实名认证
内容提供者

欢迎光临小店,本店以公文和教育为主,希望符合您的需求。

确认删除?
VIP
微信客服
  • 扫码咨询
会员Q群
  • 会员专属群点击这里加入QQ群
客服邮箱
回到顶部