电脑桌面
添加小米粒文库到电脑桌面
安装后可以在桌面快捷访问

表7.12.1-自动化元件单元工程安装质量检查表

表7.12.1-自动化元件单元工程安装质量检查表_第1页
1/1
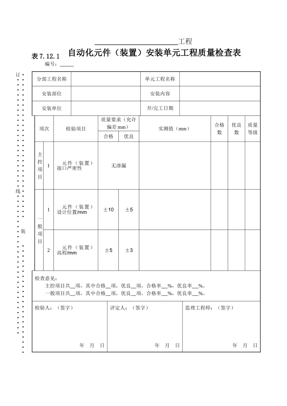
_______________________工程 自动化元件(装置)安装单元工程质量检查表 编号: 分部工程名称单元工程名称安装部位安装内容安装单位开/完工日期项次检验项目质量要求(允许偏差 mm)实测值(mm)合格数优良数质量等级合格优良主控项目1元件(装置)接口严密性无渗漏一般项目1元件(装置)设计位置/mm±10±52元件(装置)高程/mm±5±3检查意见:主控项目共 项,其中合格 项,优良 项,合格率 %,优良率 %。一般项目共 项,其中合格 项,优良 项,合格率 %,优良率 %。检验人:(签字)年 月 日评定人:(签字)年 月 日监理工程师:(签字)年 月 日·····························装······················订······················线····························表 7.12.1

1、当您付费下载文档后,您只拥有了使用权限,并不意味着购买了版权,文档只能用于自身使用,不得用于其他商业用途(如 [转卖]进行直接盈利或[编辑后售卖]进行间接盈利)。
2、本站所有内容均由合作方或网友上传,本站不对文档的完整性、权威性及其观点立场正确性做任何保证或承诺!文档内容仅供研究参考,付费前请自行鉴别。
3、如文档内容存在违规,或者侵犯商业秘密、侵犯著作权等,请点击“违规举报”。

碎片内容

表7.12.1-自动化元件单元工程安装质量检查表

您可能关注的文档

确认删除?
VIP
微信客服
  • 扫码咨询
会员Q群
  • 会员专属群点击这里加入QQ群
客服邮箱
回到顶部