电脑桌面
添加小米粒文库到电脑桌面
安装后可以在桌面快捷访问

装饰工程施工现场围护安全技术交底

装饰工程施工现场围护安全技术交底_第1页
1/1
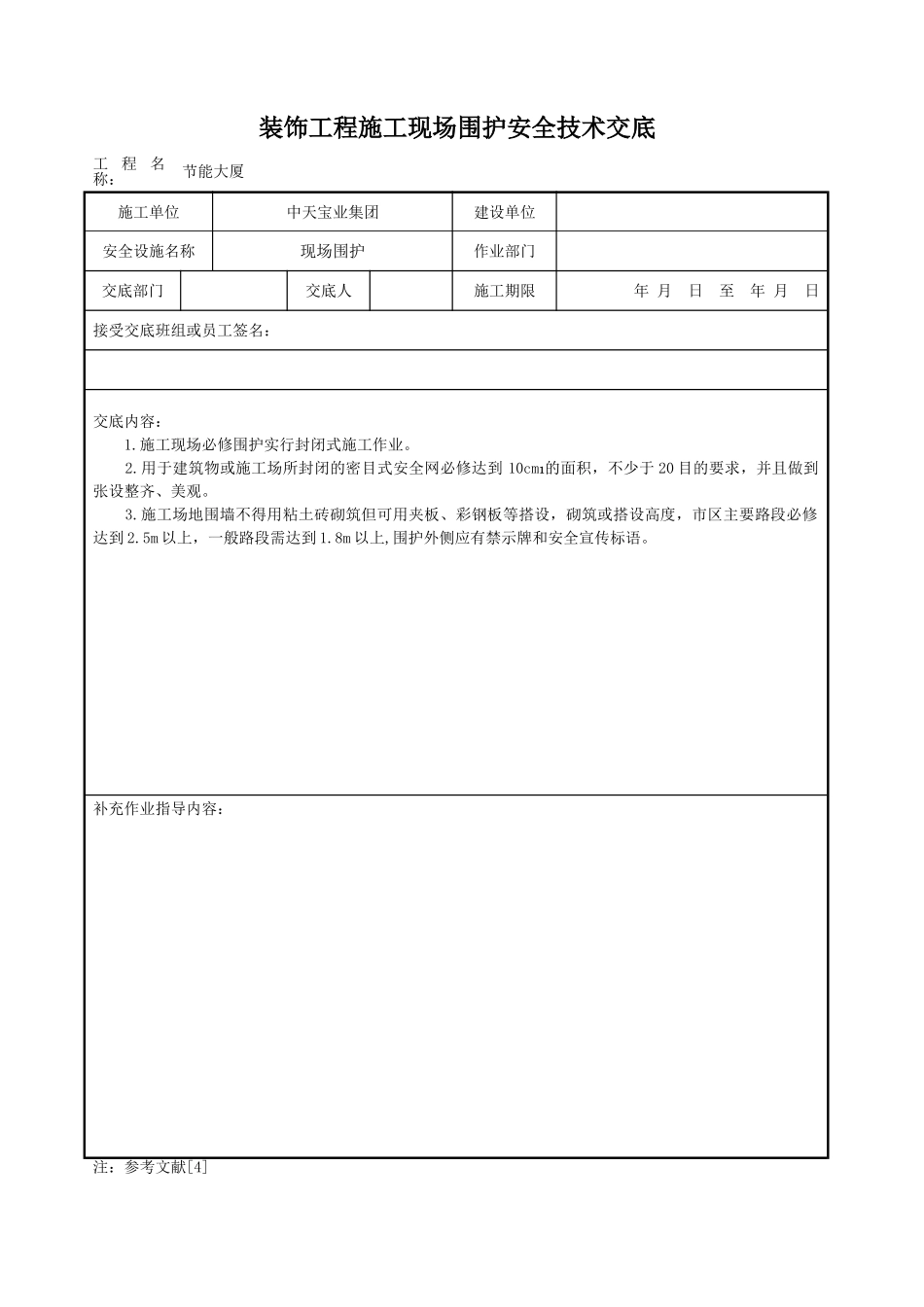
装饰工程施工现场围护安全技术交底工程名称:节能大厦施工单位中天宝业集团建设单位安全设施名称现场围护作业部门交底部门交底人施工期限年 月 日 至 年 月 日接受交底班组或员工签名:交底内容: 1.施工现场必修围护实行封闭式施工作业。 2.用于建筑物或施工场所封闭的密目式安全网必修达到 10cm的面积,不少于 20 目的要求,并且做到张设整齐、美观。 3.施工场地围墙不得用粘土砖砌筑但可用夹板、彩钢板等搭设,砌筑或搭设高度,市区主要路段必修达到 2.5m 以上,一般路段需达到 1.8m 以上,围护外侧应有禁示牌和安全宣传标语。 补充作业指导内容:注:参考文献[4]

1、当您付费下载文档后,您只拥有了使用权限,并不意味着购买了版权,文档只能用于自身使用,不得用于其他商业用途(如 [转卖]进行直接盈利或[编辑后售卖]进行间接盈利)。
2、本站所有内容均由合作方或网友上传,本站不对文档的完整性、权威性及其观点立场正确性做任何保证或承诺!文档内容仅供研究参考,付费前请自行鉴别。
3、如文档内容存在违规,或者侵犯商业秘密、侵犯著作权等,请点击“违规举报”。

碎片内容

装饰工程施工现场围护安全技术交底

文森传品+ 关注
实名认证
内容提供者

一家传播文化教育的小店,资料丰富,随意挑选。

确认删除?
VIP
微信客服
  • 扫码咨询
会员Q群
  • 会员专属群点击这里加入QQ群
客服邮箱
回到顶部