电脑桌面
添加小米粒文库到电脑桌面
安装后可以在桌面快捷访问

触电伤害应急预案

触电伤害应急预案_第1页
1/4
触电伤害应急预案_第2页
2/4
触电伤害应急预案_第3页
3/4
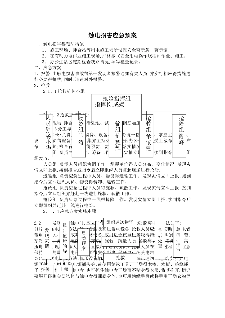
触电损害应急预案一、触电损害得预防措施1、 施工现场、拌合站等用电施工场所设置安全警示牌、警示语。2、 在有动力电作业施工现场,严格按《安全用电操作规程》作业、施工。3、 办公生活区定期检查线路情况,填写检查记录。二、应急方案1、报警:由触电损害事故得第一发现者报警通知有关人员,并实行相应得措施进行必要得抢救,同时,迅速对外报警。2、抢救2.1、1 抢救机构小组 2、1、2 抢救重点部位: 施工现场,拌合站、生活驻地、试验室、钢筋加工场。 2.1、3 分工与职责指挥长:负责人员、物资、设备、财力得统一指挥调度。掌握主要物资、设备、人员得配备情况;召集并主持必要得联合办公会议;接受上级命令、发布命令或通知;检查有关单位得预防、防护措施落实情况。物资组:负责物资储运、筹备工作。发现灾情立即上报,接到指令后立即组织发放。人员组:负责人员组织协调工作。掌握单位得人员分布、变化情况;发现灾情立即上报,接到报告或指令后立即组织人员赶赴现场进行抢险。运输组:负责应急过程中人员、物资得运输工作。发现灾情立即上报,接到指令后立即组织人员、物资得装卸、运输工作。抢救组:负责应急过程中人员得施救、疏散工作。发现灾情立即上报,接到指令后立即组织并赶赴一线进行施救、疏散工作。抢险组:负责应急过程中一线得抢险工作。发现灾情立即上报,接到指令后立即组织并赶赴一线进行抢险。2、1、4 应急方案实施步骤2.2、1、发现有人触电时,应立即使触电人员脱离电源;脱离电源方法如下:(1)高压触电脱离方法:触电者触及高压带电设备,抢救人员应迅速切断使触电者带电得开关、刀闸或其她断路设备,或用适合该电压等级得绝缘工具(绝缘手套、穿绝缘鞋、并使用绝缘棒)等方法,将触电者与带电设备脱离。触电者未脱离高压电源前,现场抢救人员不得直接用手触及伤员。抢救人员在抢救过程中应注意保持自身与周围带电部分必要得安全距离,保证自己免受电击。(2)低压触电脱离方法:低压设备触电,抢救人员应设法迅速切断电源,如拉开电源开关、刀闸,拔除电源插头等;或使用绝缘工具、干燥得木棒、木板、绝缘绳子等绝缘材料解脱触电者;也可抓住触电者干燥而不贴身得衣服,将其拖开,切记要避开碰到金属物体与触电者得裸露身体;也可用绝缘手套或将手用干燥衣物等发现灾情报告值班领导启动预案组织运送物资施救、疏散人员抢救善后处理总结、评审上报报警人员组:杨小华物资组:王涛运输组:刘耀辉抢险组:段峰抢救组:羊依建抢险指挥组指挥长:成媛包起绝缘后解脱...

1、当您付费下载文档后,您只拥有了使用权限,并不意味着购买了版权,文档只能用于自身使用,不得用于其他商业用途(如 [转卖]进行直接盈利或[编辑后售卖]进行间接盈利)。
2、本站所有内容均由合作方或网友上传,本站不对文档的完整性、权威性及其观点立场正确性做任何保证或承诺!文档内容仅供研究参考,付费前请自行鉴别。
3、如文档内容存在违规,或者侵犯商业秘密、侵犯著作权等,请点击“违规举报”。

碎片内容

触电伤害应急预案

确认删除?
VIP
微信客服
  • 扫码咨询
会员Q群
  • 会员专属群点击这里加入QQ群
客服邮箱
回到顶部