电脑桌面
添加小米粒文库到电脑桌面
安装后可以在桌面快捷访问

设备用可编程电子定时器

设备用可编程电子定时器_第1页
1/2
设备用可编程电子定时器_第2页
2/2
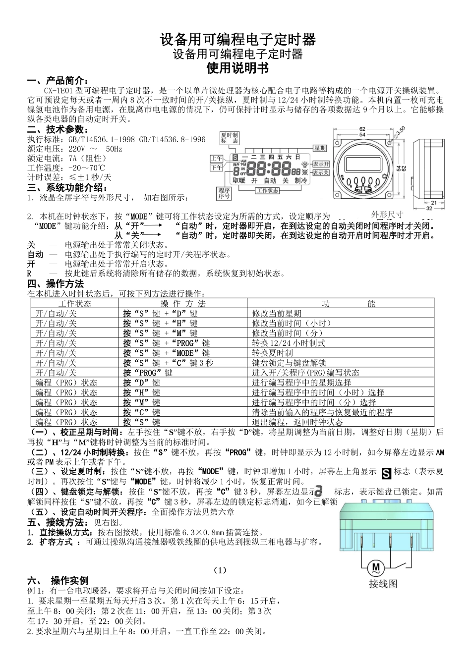
设备用可编程电子定时器设备用可编程电子定时器使用说明书一、产品简介: CX-TE01 型可编程电子定时器,是一个以单片微处理器为核心配合电子电路等构成的一个电源开关操纵装置。它可预设定每天或者一周内 8 次不一致时间的开/关操纵,夏时制与 12/24 小时制转换功能。本机内置一枚可充电镍氢电池作为备用电源,在脱离市电电源的情况下,仍可保持计时显示与储存的各项数据达 9 个月以上。它能够操纵各类电器的自动定时开关。二、技术参数:执行标准:GB/T14536.1-1998 GB/T14536.8-1996额定电压:220V ~ 50Hz额定电流:7A(阻性)工作温度:-20~70℃ 计时误差:≤±1 秒/天三、系统功能介绍:1.液晶全屏字符与外形尺寸, 如右图所示:2. 本机在时钟状态下,按“MODE”键可将工作状态设定为所需的方式,设定顺序为 开 自动 关。 “MODE”键功能介绍:从“开” “自动”时,定时器即开启,在到达设定的自动关闭时间程序时才关闭。从“关” “自动”时,定时器即关闭,在到达设定的自动开启时间程序时才开启。关 电源输出处于常常关闭状态。自动 电源输出处于执行编写的定时开/关程序状态。开 电源输出处于常常开启状态。R 按此键后系统将清除所有储存的数据,系统恢复到初始状态。四、操作方法在本机进入时钟状态后,可按下列方法进行操作:工作状态操 作 方 法功 能开/自动/关按“S”键 +“D”键修改当前星期开/自动/关按“S”键 +“H”键修改当前时间(小时)开/自动/关按“S”键 +“M”键修改当前时间(分)开/自动/关按“S”键 +“PROG”键转换 12/24 小时制式开/自动/关按“S”键 +“MODE”键转换夏时制开/自动/关按“S”键 +“C”键 3 秒键盘锁定与键盘解锁开/自动/关按“PROG”键进入开/关程序(PRG)编写状态编程(PRG)状态按“D”键进行编写程序中的星期选择编程(PRG)状态按“H”键进行编写程序中的时间(小时)选择编程(PRG)状态按“M”键进行编写程序中的时间(分)选择编程(PRG)状态按“C”键清除当前输入的程序与恢复最近的程序编程(PRG)状态按“S”键退出编程,返回时钟状态(一)、校正星期与时间:左手按住“S”键不放,右手按“D”键,将星期调整为当前日期,调整好日期(星期)后再按“H”与“M”键将时钟调整为当前的标准时间。(二)、12/24 小时制转换:按住“S”键不放,再按“PROG”键,时钟即显示为 12 小时制,如今屏幕左边显示 AM或者 PM 表示上午或者下午。 (三...

1、当您付费下载文档后,您只拥有了使用权限,并不意味着购买了版权,文档只能用于自身使用,不得用于其他商业用途(如 [转卖]进行直接盈利或[编辑后售卖]进行间接盈利)。
2、本站所有内容均由合作方或网友上传,本站不对文档的完整性、权威性及其观点立场正确性做任何保证或承诺!文档内容仅供研究参考,付费前请自行鉴别。
3、如文档内容存在违规,或者侵犯商业秘密、侵犯著作权等,请点击“违规举报”。

碎片内容

设备用可编程电子定时器

确认删除?
VIP
微信客服
  • 扫码咨询
会员Q群
  • 会员专属群点击这里加入QQ群
客服邮箱
回到顶部