电脑桌面
添加小米粒文库到电脑桌面
安装后可以在桌面快捷访问

钢井架安装卸工程施工安全技术交底(表格)

钢井架安装卸工程施工安全技术交底(表格)_第1页
1/3
钢井架安装卸工程施工安全技术交底(表格)_第2页
2/3
钢井架安装卸工程施工安全技术交底(表格)_第3页
3/3
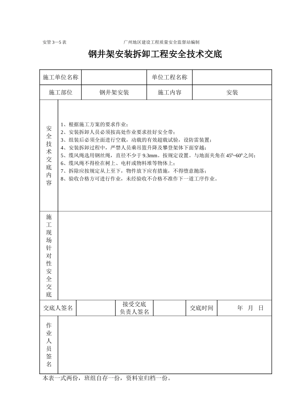
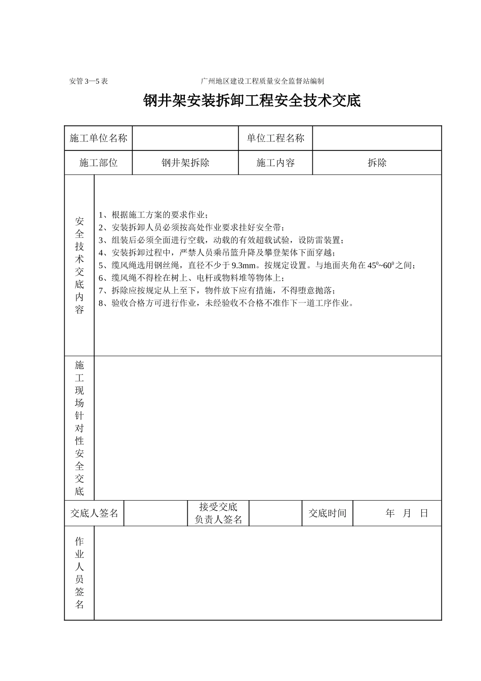
安管 3—5 表 广州地区建设工程质量安全监督站编制钢井架安装拆卸工程安全技术交底施工单位名称单位工程名称施工部位钢井架安装施工内容安装安全技术交底内容1、根据施工方案的要求作业;2、安装拆卸人员必须按高处作业要求挂好安全带;3、组装后必须全面进行空载,动载的有效超载试验,设防雷装置;4、安装拆卸过程中,严禁人员乘吊篮升降及攀登架体下面穿越;5、缆风绳选用钢丝绳,直径不少于 9.3mm。按规定设置。与地面夹角在 450~600之间;6、缆风绳不得栓在树上、电杆或物料堆等物体上;7、拆除应按规定从上至下,物件放下应有措施,不得堕意抛落;8、验收合格方可进行作业,未经验收不合格不准作下一道工序作业。施工现场针对性安全交底交底人签名接受交底负责人签名交底时间年 月 日作业人员签名本表一式两份,班组自存一份,资料室归档一份。安管 3—5 表 广州地区建设工程质量安全监督站编制钢井架安装拆卸工程安全技术交底施工单位名称单位工程名称施工部位钢井架拆除施工内容拆除安全技术交底内容1、根据施工方案的要求作业;2、安装拆卸人员必须按高处作业要求挂好安全带;3、组装后必须全面进行空载,动载的有效超载试验,设防雷装置;4、安装拆卸过程中,严禁人员乘吊篮升降及攀登架体下面穿越;5、缆风绳选用钢丝绳,直径不少于 9.3mm。按规定设置。与地面夹角在 450~600之间;6、缆风绳不得栓在树上、电杆或物料堆等物体上;7、拆除应按规定从上至下,物件放下应有措施,不得堕意抛落;8、验收合格方可进行作业,未经验收不合格不准作下一道工序作业。施工现场针对性安全交底交底人签名接受交底负责人签名交底时间年 月 日作业人员签名本表一式两份,班组自存一份,资料室归档一份。

1、当您付费下载文档后,您只拥有了使用权限,并不意味着购买了版权,文档只能用于自身使用,不得用于其他商业用途(如 [转卖]进行直接盈利或[编辑后售卖]进行间接盈利)。
2、本站所有内容均由合作方或网友上传,本站不对文档的完整性、权威性及其观点立场正确性做任何保证或承诺!文档内容仅供研究参考,付费前请自行鉴别。
3、如文档内容存在违规,或者侵犯商业秘密、侵犯著作权等,请点击“违规举报”。

碎片内容

钢井架安装卸工程施工安全技术交底(表格)

一帆文传+ 关注
实名认证
内容提供者

欢迎光临店铺,各类公文供您挑选。

确认删除?
VIP
微信客服
  • 扫码咨询
会员Q群
  • 会员专属群点击这里加入QQ群
客服邮箱
回到顶部