电脑桌面
添加小米粒文库到电脑桌面
安装后可以在桌面快捷访问

铁路工程最新常规检验项目及要求

铁路工程最新常规检验项目及要求_第1页
1/21
铁路工程最新常规检验项目及要求_第2页
2/21
铁路工程最新常规检验项目及要求_第3页
3/21
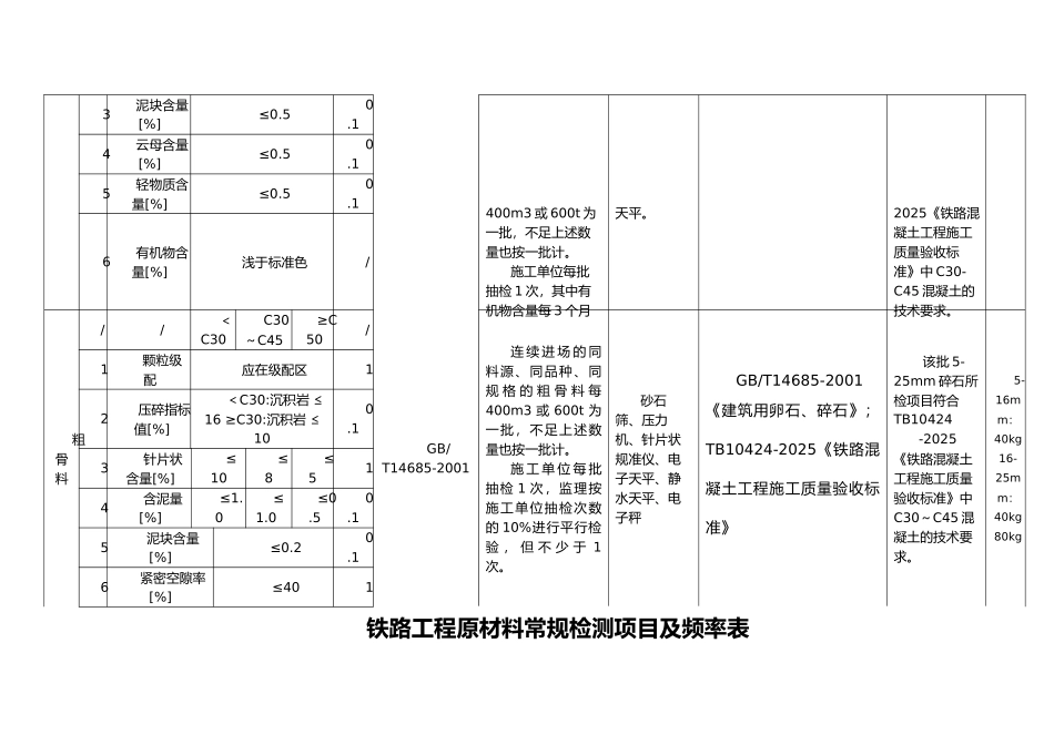
铁路工程原材料常规检测项目及频率表依据《铁路混凝土工和施工质量验收标准》TB10424-2025名称序号检测项目技术要求数据修约检测方法检测频率主要检测仪器检测评定依据试验结论取样数量水泥1比表面积[m2/kg]300~3501GB/T8074-2025同厂家、同编号、同生产日期且连续进场的散装水泥每500t[袋装每 200t]为一批,不足上述数量也按一批计。施工单位每批抽检,监理单位按 10%见证试验,但至少 1次。水泥净浆搅拌机、水泥胶砂搅拌机、比表面积测定仪、李氏比重瓶、维卡仪、雷氏膨胀测定仪、沸煮箱、水泥胶砂振动台、压力试验机、电子天平、电子分析天平GB/T8074-2025《水泥比表面积测定方法[勃氏法]》GB/T1346-2001《水泥标准稠度用水量、凝聚时间、安定性检验方法》GB/T17671-1999《水泥胶砂强度检验方法[ISO 法]》GB/T208-1994《水泥密度测定方法》GB175-2025《通用硅酸盐水泥》TB10424-2025《铁路混凝土工程施工质量验收标准》该批水泥所检项目符TB10424-2025《铁路混凝土工程施工质量验收标准》中P.O42.5 的技术要求。12kg2凝聚时间初凝[min]≥451GB/T1346-2001终凝[min]≤60013安定性沸煮法合格0.54强度3 天抗折≥3.50.1GB/T17671-199928 天抗折≥6.50.13 天抗压≥17.00.128 天抗压≥42.50.1粉煤灰//C50 以下砼C50 及以上砼//同厂家、同编号、同出厂日期的产品每 200t 为一批,不足 200t 时也按一批计。负压筛析仪、水泥胶砂流动度仪、水泥胶砂搅拌机、高温电阻GB/T1596-2025《用于水泥和混凝土中的粉煤灰》GB/T176-2025《水泥化学分析方法》TB10424-2025《铁路混凝土工程施工质量验收标准》该 批 粉 煤灰所检项目符合 TB10424-2025 《 铁 路混凝土工程施6kg1细度[%]≤25.0≤12.00.1GB1596-20252需水量≤10≤951GB1596-比[%)52025施工单位每批抽检一次,监理单位按施工单位抽检次数的炉、电子天平、分析天平工质量验收标准》C50 以下混 凝 土 [ 或3烧失量[%]≤8.0≤5.00.1GB/T176-2025矿渣粉1密度[g/cm3]≥2.80.01GB/T208-1994同 厂 家 、 同 编号、同出厂日期的产品每 200t 为一批,不足 200t 时也按一批计。施工单位每批抽检一次,监理单位按施工单位抽检次数的10%进行平行检验,但至少 1 次。李氏比重瓶、比表面积测定仪、水泥胶砂搅拌机、水泥胶砂流动度仪、高温电阻炉、电子天平、分析天平GB/T208-1994《水泥密度测定方法》GB/T8074-2025《水泥比表面积测定方法[勃氏法]》GB/T176-2025《水泥化学分析方...

1、当您付费下载文档后,您只拥有了使用权限,并不意味着购买了版权,文档只能用于自身使用,不得用于其他商业用途(如 [转卖]进行直接盈利或[编辑后售卖]进行间接盈利)。
2、本站所有内容均由合作方或网友上传,本站不对文档的完整性、权威性及其观点立场正确性做任何保证或承诺!文档内容仅供研究参考,付费前请自行鉴别。
3、如文档内容存在违规,或者侵犯商业秘密、侵犯著作权等,请点击“违规举报”。

碎片内容

铁路工程最新常规检验项目及要求

确认删除?
VIP
微信客服
  • 扫码咨询
会员Q群
  • 会员专属群点击这里加入QQ群
客服邮箱
回到顶部