电脑桌面
添加小米粒文库到电脑桌面
安装后可以在桌面快捷访问

铜-钢复合钢板的尺寸、复合方式

铜-钢复合钢板的尺寸、复合方式_第1页
1/1
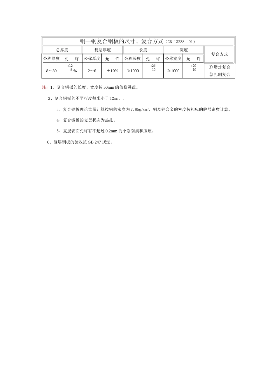
铜—钢复合钢板的尺寸、复合方式(GB 13238—91)总厚度复层厚度长度宽度复合方式公称厚度允 许公称厚度允 许公称长度允 许公称宽度允 许8~30%2~6±10%≥1000≥1000① 爆炸复合② 扎制复合注:1、复合钢板的长度、宽度按 50mm 的倍数进级。 2、复合钢板的不平行度每米小于 12mm。, 3、复合钢板理论重量计算按钢的密度为 7.85g/cm3,铜及铜合金的密度按相应的牌号密度计算。 4、复合钢板的交货状态为热扎。 5、复层表面允许有不超过 0.2mm 的个别划痕和压痕。 6、复层钢板的验收按 GB 247 规定。

1、当您付费下载文档后,您只拥有了使用权限,并不意味着购买了版权,文档只能用于自身使用,不得用于其他商业用途(如 [转卖]进行直接盈利或[编辑后售卖]进行间接盈利)。
2、本站所有内容均由合作方或网友上传,本站不对文档的完整性、权威性及其观点立场正确性做任何保证或承诺!文档内容仅供研究参考,付费前请自行鉴别。
3、如文档内容存在违规,或者侵犯商业秘密、侵犯著作权等,请点击“违规举报”。

碎片内容

铜-钢复合钢板的尺寸、复合方式

您可能关注的文档

确认删除?
VIP
微信客服
  • 扫码咨询
会员Q群
  • 会员专属群点击这里加入QQ群
客服邮箱
回到顶部