电脑桌面
添加小米粒文库到电脑桌面
安装后可以在桌面快捷访问

铝合金框扇及塑料框扇玻璃安装工艺

铝合金框扇及塑料框扇玻璃安装工艺_第1页
1/4
铝合金框扇及塑料框扇玻璃安装工艺_第2页
2/4
铝合金框扇及塑料框扇玻璃安装工艺_第3页
3/4
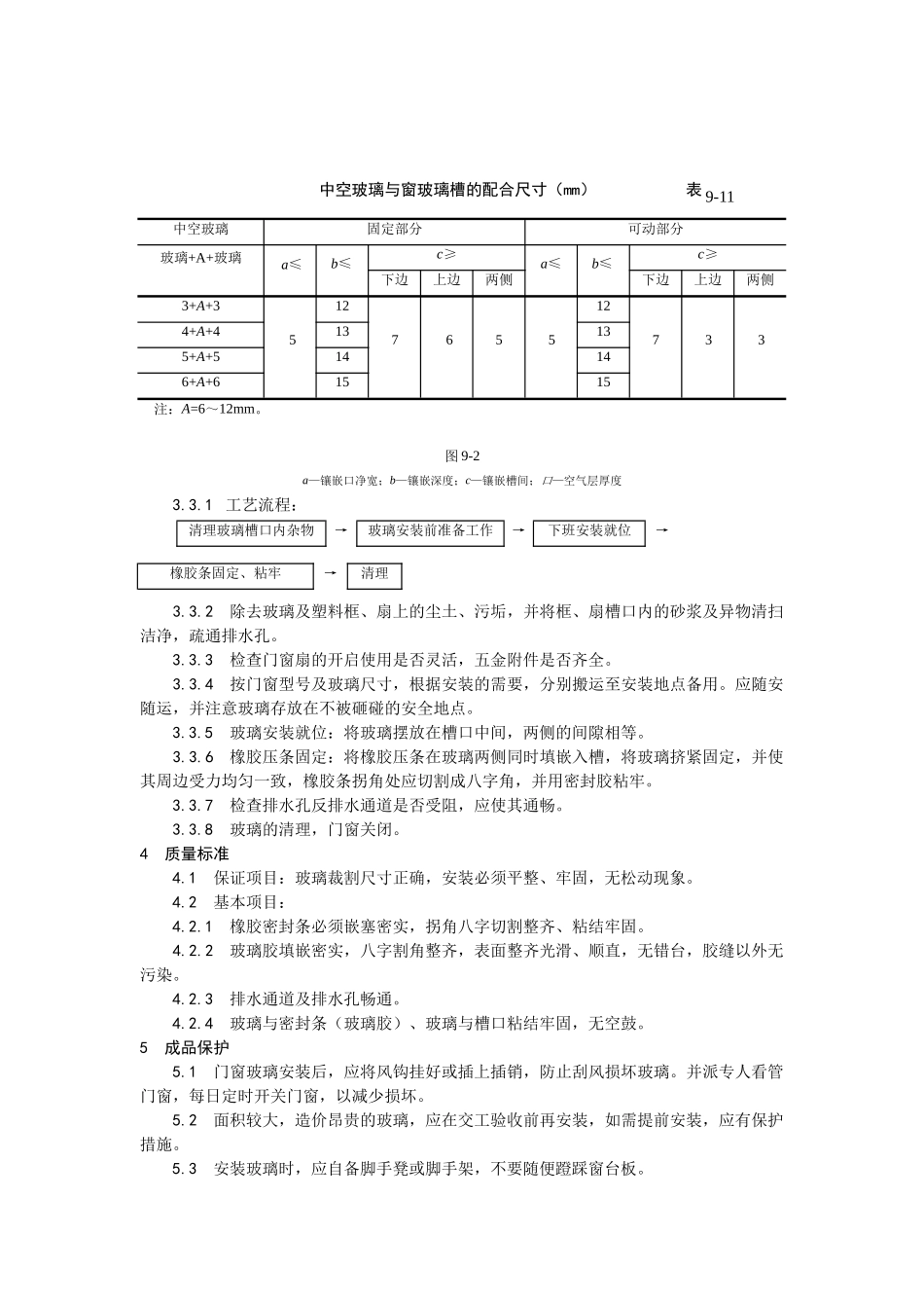
铝合金框、扇及塑料框、扇玻璃安装1 范围 本工艺标准适用于工业与民用建筑铝合金框、扇及塑料框、扇的玻璃安装工程。2 施工准备 2.1 材料及主要机具: 2.1.1 玻璃:平板玻璃、磨砂玻璃、彩色玻璃、压花玻璃等品种、规格按设计要求选用,进场的玻璃必须有产品合格证。 2.1.2 橡胶压条,规格应符合设计要求。 2.1.3 密封胶的使用应符合设计要求,并应有产品合格证及使用说明。 2.1.4 氯丁橡胶垫片及铝合金垫片,根据需要准备。 2.1.5 玻璃胶的选用应与铝合金相匹配,并应有出厂合格证。 2.1.6 主要机具:工作台、玻璃刀、直尺、钢丝甜、毛笔、手动吸盘、电动真空吸盘、电动吊篮(安装玻璃幕墙)、运玻璃小车、钢卷尺、工具袋、抹布或棉丝、安全带、注胶枪等。 2.2 作业条件: 2.2.1 玻璃安装应在门窗石金已装好,交活油漆末涂刷前。 2.2.2 玻璃安装前应对安装的框、扇几何尺寸、表面平整度、拼接节点等是否牢固进行仔细的检查。 2.2.3 根据安装需要将玻璃运到指定地点,并按安装顺序码放于安全处备用。 2.2.4 安装所需的垫片,橡胶条,密封胶等应提前准备运到现场备用。 2.2.5 安装玻璃所用的脚手架及高凳等提前准备好。3 操作工艺 3.1 塑料框扇玻璃安装: 3.1.1 工艺流程:清理玻璃槽口污物→玻璃安装前的准备→玻璃安装就位→橡胶压条固定→检查压条位置→将玻璃固定好→擦玻璃 3.1.2 应去除玻璃表面的尘土、油污等污物和水膜。并将玻璃槽口内的灰浆渣、异物清除洁净,使排水孔畅通。 3.1.3 核对玻璃的品种、尺寸、规格是否正确,框扇是否平整、牢固。 3.1.4 玻璃安装:将已裁割好的玻璃放入塑料框扇凹槽中间,内外两侧的间隙不少于2mm。装配后应保证玻璃与镶嵌槽间隙,并在主要部位装有减震垫块,使其能缓冲启闭等力的冲击。 3.1.5 用橡胶压条固定:玻璃安装后,及时将橡胶压条嵌入玻璃两侧密封,然后将玻璃挤紧。橡胶压条的规格要与凹槽的实际尺寸相符,所嵌的压条要和玻璃、玻璃槽口紧贴安装不能偏位,不能强行填入压条,防止玻璃承受较大安装应力,而产生裂缝。 3.1.6 检查玻璃橡胶压条设置的位置是否正确,防止堵塞排水通道和泄水孔。查无问题后将玻璃固定。 3.1.7 玻璃表面清理。关闭框扇,插好插销,防止风吹将玻璃振碎。 3.2 铝合金门窗玻璃安装: 3.2.1 工艺流程:清理玻璃槽口污物→玻璃安装前的准备工作→玻璃就位→橡胶条刷胶嵌入凹槽将玻璃挤住→玻璃清理 3.2.2 除去玻璃和铝合...

1、当您付费下载文档后,您只拥有了使用权限,并不意味着购买了版权,文档只能用于自身使用,不得用于其他商业用途(如 [转卖]进行直接盈利或[编辑后售卖]进行间接盈利)。
2、本站所有内容均由合作方或网友上传,本站不对文档的完整性、权威性及其观点立场正确性做任何保证或承诺!文档内容仅供研究参考,付费前请自行鉴别。
3、如文档内容存在违规,或者侵犯商业秘密、侵犯著作权等,请点击“违规举报”。

碎片内容

铝合金框扇及塑料框扇玻璃安装工艺

您可能关注的文档

确认删除?
VIP
微信客服
  • 扫码咨询
会员Q群
  • 会员专属群点击这里加入QQ群
客服邮箱
回到顶部