电脑桌面
添加小米粒文库到电脑桌面
安装后可以在桌面快捷访问

防盗门安全技术交底

防盗门安全技术交底_第1页
1/3
防盗门安全技术交底_第2页
2/3
防盗门安全技术交底_第3页
3/3
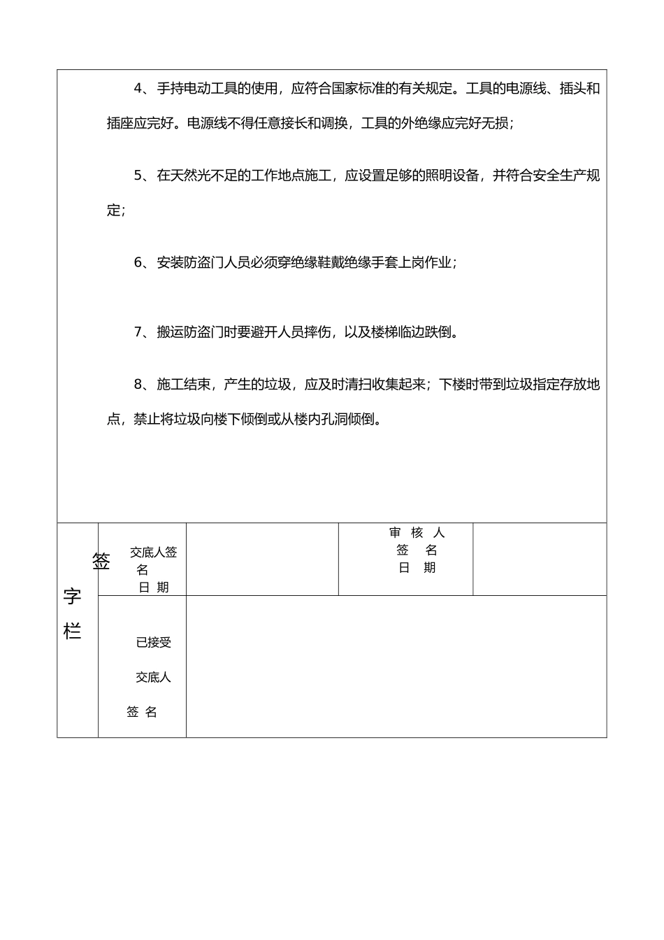
表C.013 技术交底记录工程名称交底日期 2025 年 10 月 25 日施工单位分项工程名称防火门及防盗门交底摘要安全细则页数一页交底内容:1、施工现场必须佩戴安全帽,着装干净,不准穿拖鞋及硬底鞋上岗,不得酒后上岗,进入施工现场不得大声喧哗,不得随地大小便;应遵守《安全生产规章制度》及安全用电的操作法律规范;2、电工要持有电工的操作证及上岗证;所有机械设备必须符合国家安全生产规定;3、所用临时电,应使用符合标准的电缆实行架空的方式供电;4、手持电动工具的使用,应符合国家标准的有关规定。工具的电源线、插头和插座应完好。电源线不得任意接长和调换,工具的外绝缘应完好无损;5、在天然光不足的工作地点施工,应设置足够的照明设备,并符合安全生产规定;6、安装防盗门人员必须穿绝缘鞋戴绝缘手套上岗作业;7、搬运防盗门时要避开人员摔伤,以及楼梯临边跌倒。8、施工结束,产生的垃圾,应及时清扫收集起来;下楼时带到垃圾指定存放地点,禁止将垃圾向楼下倾倒或从楼内孔洞倾倒。签字栏交底人签名日 期审 核 人签 名日 期已接受交底人签 名我也始终信任,你每天的仔细付出总会有回报,生命不息,努力不止,好运总会来!我不信命,因为我的命掌握在自己手中!

1、当您付费下载文档后,您只拥有了使用权限,并不意味着购买了版权,文档只能用于自身使用,不得用于其他商业用途(如 [转卖]进行直接盈利或[编辑后售卖]进行间接盈利)。
2、本站所有内容均由合作方或网友上传,本站不对文档的完整性、权威性及其观点立场正确性做任何保证或承诺!文档内容仅供研究参考,付费前请自行鉴别。
3、如文档内容存在违规,或者侵犯商业秘密、侵犯著作权等,请点击“违规举报”。

碎片内容

防盗门安全技术交底

确认删除?
VIP
微信客服
  • 扫码咨询
会员Q群
  • 会员专属群点击这里加入QQ群
客服邮箱
回到顶部