电脑桌面
添加小米粒文库到电脑桌面
安装后可以在桌面快捷访问

防雷及接地安装交底记录

防雷及接地安装交底记录_第1页
1/20
防雷及接地安装交底记录_第2页
2/20
防雷及接地安装交底记录_第3页
3/20
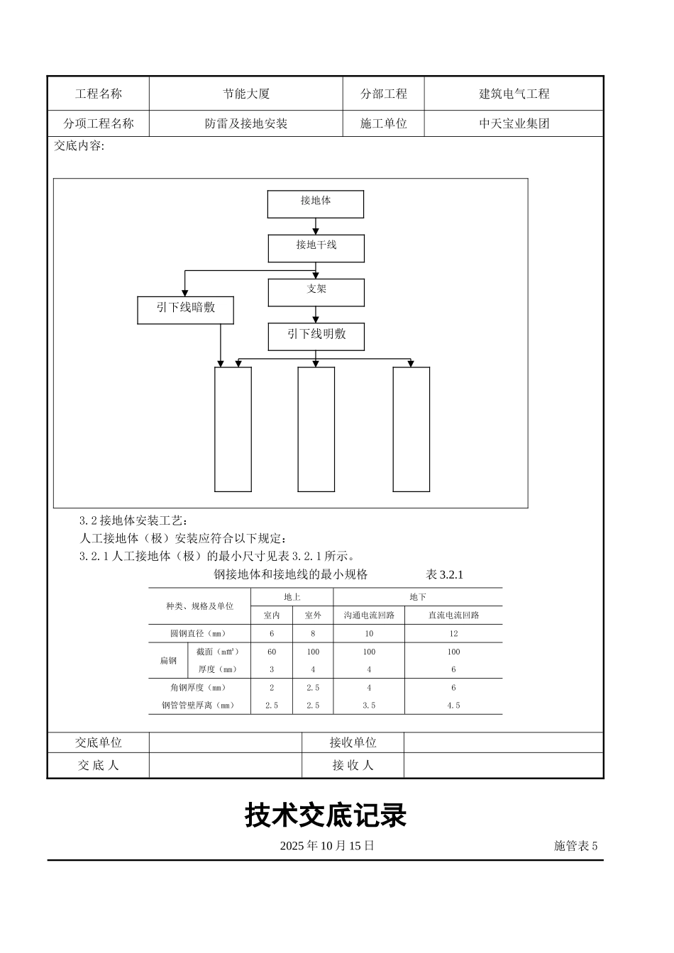
技术交底记录2025 年 10 月 15 日施管表 5工程名称节能大厦分部工程建筑电气工程分项工程名称防雷及接地安装施工单位中天宝业集团交底内容:1、依据标准:《建筑工程施工质量验收统一标准》GB50300-2001《建筑电气工程施工质量验收法律规范》GB50303-20252、施工准备2.1 材料要求:2.1.1 镀锌钢材有扁钢、扁钢、圆钢、钢管等,使用时应意采纳冷镀锌还是采纳热镀锌材料,应符合设计规定。产品应有材质检验证明及产品出厂合格证。2.1.2 镀锌辅料有铜丝(即镀锌铁丝)、螺栓、垫圈、弹簧垫圈、U 型螺栓、元宝螺栓、支架等。2.1.3 电焊条、氧气、乙炔、沥青漆,混凝土支架,预埋铁件,小线,水泥,砂子,塑料管,红油漆、白油漆、防腐漆、银粉,黑色油漆等。2.2 主要机具:2.2.1 常用电工工具、手锤、钢钢锯、锯条、压力案子、铁锹、铁镐、大锤、夯桶。2.2.2 线坠、卷尺、大绳、粉线袋、绞磨(或倒链)、紧线器、电锤、冲击钻、电焊机、电焊工具等。2.3 作业条件:2.3.1 接地体作业条件:2.3.1.1 按设计位置清理好场地。2.3.1.2 底板筋与柱筋连接处已绑扎完。2.3.1.3 桩基内钢筋与柱筋连接处已绑扎完。2.3.2 接地干线作业条件:2.3.2.1 支架安装完毕。2.3.2.2 保护管已预埋。2.3.2.3 土建抹灰完毕。2.3.3 支架安装作业条件:交底单位接收单位交 底 人接 收 人技术交底记录2025 年 10 月 15 日施管表 5工程名称节能大厦分部工程建筑电气工程分项工程名称防雷及接地安装施工单位中天宝业集团交底内容:2.3.3.1 各种支架已运到现场。2.3.3.2 结构工程已经完成。2.3.3.3 室外必须有脚手架或爬梯。2.3.4 防雷引下线暗敷设作业条件:2.3.4.1 建筑物(或构筑物)有脚手架或爬梯,达到能上人操作的条件。2.3.4.2 利用主筋作引下线时,钢筋绑扎完毕。2.3.5 防雷引下线明敷设作业条件:2.3.5.1 支架安装完毕。2.3.5.2 建筑物(或构筑物)有脚手架或爬梯达到能上人操作的条件。2.3.5.3 土建外装修完毕。2.3.6 避雷带与均压环安装作业条件:土建圈梁钢筋正在绑扎时,配合作此项工作。2.3.7 避雷网安装作业条件:2.3.7.1 接地体与引下线必须做完。2.3.7.2 支架安装完毕。2.3.7.3 具备调直场地和垂直运输条件。2.3.8 避雷针安装作业条件:2.3.8.1 接地体及引下线必须做完。2.3.8.2 需要脚手架处,脚手架搭设完毕。2.3.8.3 土建结构工程已完,并随结构施工做完预埋件。3、操作工艺3.1 工艺流程:交底单位接收单位...

1、当您付费下载文档后,您只拥有了使用权限,并不意味着购买了版权,文档只能用于自身使用,不得用于其他商业用途(如 [转卖]进行直接盈利或[编辑后售卖]进行间接盈利)。
2、本站所有内容均由合作方或网友上传,本站不对文档的完整性、权威性及其观点立场正确性做任何保证或承诺!文档内容仅供研究参考,付费前请自行鉴别。
3、如文档内容存在违规,或者侵犯商业秘密、侵犯著作权等,请点击“违规举报”。

碎片内容

防雷及接地安装交底记录

您可能关注的文档

确认删除?
VIP
微信客服
  • 扫码咨询
会员Q群
  • 会员专属群点击这里加入QQ群
客服邮箱
回到顶部