电脑桌面
添加小米粒文库到电脑桌面
安装后可以在桌面快捷访问

附着式塔式起重机的使用安全技术交底

附着式塔式起重机的使用安全技术交底_第1页
1/1
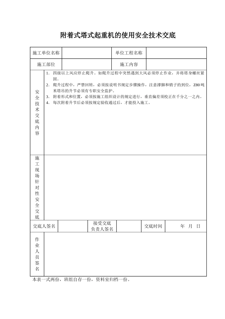
附着式塔式起重机的使用安全技术交底施工单位名称单位工程名称施工部位施工内容安全技术交底内容1. 四级以上风应停止爬升。如爬升过程中突然遇到大风必须停止作业,并将塔身螺丝紧固。2. 爬升过程中,严禁回转,必须按说明书规定步骤操作,注意撑脚和销子的到位,Z80 吨米塔吊的升节必须有专职安全监护。3. 附着形式和位置,必须按施工组织设计的规定进行,垂直偏差须校正在千分之一之内。4. 每次附着升节后必须按规定验收通过后,才能投入施工。施工现场针对性安全交底交底人签名接受交底负责人签名交底时间年 月 日作业人员签名本表一式两份,班组自存一份,资料室归档一份。

1、当您付费下载文档后,您只拥有了使用权限,并不意味着购买了版权,文档只能用于自身使用,不得用于其他商业用途(如 [转卖]进行直接盈利或[编辑后售卖]进行间接盈利)。
2、本站所有内容均由合作方或网友上传,本站不对文档的完整性、权威性及其观点立场正确性做任何保证或承诺!文档内容仅供研究参考,付费前请自行鉴别。
3、如文档内容存在违规,或者侵犯商业秘密、侵犯著作权等,请点击“违规举报”。

碎片内容

附着式塔式起重机的使用安全技术交底

您可能关注的文档

确认删除?
VIP
微信客服
  • 扫码咨询
会员Q群
  • 会员专属群点击这里加入QQ群
客服邮箱
回到顶部