电脑桌面
添加小米粒文库到电脑桌面
安装后可以在桌面快捷访问

0050-某住宅小区6号楼钢筋工程施工方案

0050-某住宅小区6号楼钢筋工程施工方案_第1页
1/38
0050-某住宅小区6号楼钢筋工程施工方案_第2页
2/38
0050-某住宅小区6号楼钢筋工程施工方案_第3页
3/38
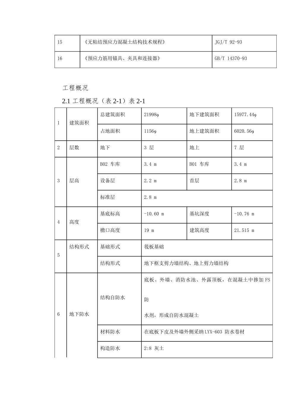
0050 某住宅小区 6 号楼钢筋工程施工方案第一章 编制依据2第二章 工程概况3第三章 施工安排9第四章 施工预备11第五章 施工方法14第六章 安全与文明的施工45编制依据编制依据详见表 1-1表 1-1序号名称编号1《混凝土结构工程施工及验收法律规范》GB 50204-922《钢筋焊接验收法律规范》JGJ 18-963《钢筋机械连接通用技术规程》JGJ 107-964《建筑物抗震构造详图》97G329 (一)5《钢筋混凝土用热扎带肋钢筋》GB 1499-986《钢筋混凝土用热扎光圆钢筋》GB 13013-917《低碳钢热扎圆盘条》GB/T 701-978《建筑机械使用安全技术法律规范》JGJ 33-869《建筑现场临时用电安全技术法律规范》JGJ 46-8810《建筑工程质量检验评定标准》GBJ 301-8811《混凝土结构施工图平面整体表示方法制图规则和构造详图》00G10112《北京市建筑工程施工现场安全治理标准》13《建筑施工手册》14《施工组织设计》B-施组-315《无粘结预应力混凝土结构技术规程》JGJ/T 92-9316《预应力筋用锚具、夹具和连接器》GB/T 14370-93工程概况2.1 工程概况(表 2-1)表 2-1 1建筑面积总建筑面积21998地下建筑面积15977.44占地面积1156地上建筑面积6020.562层数地下3 层地上7 层3层高B02 车库3.4 mB01 车库3.4 m设备层2.2 m首层2.8 m标准层2.8 m4高度基底标高-10.60 m基坑深度-10.76 m檐口高度19 m建筑高度21.515 m5结构形式基础形式筏板基础结构形式地下框支剪力墙结构、地上剪力墙结构6地下防水结构自防水底板、外墙、消防水池、外露顶板,在混凝土中掺加 FS 防水剂,形成自防水混凝土材料防水在底板下皮及外墙外侧采纳 LYX-603 防水卷材构造防水2:8 灰土7结构断面尺寸(mm)底板厚度550基础梁高度950地下外墙厚度350地下内墙厚度300地上外墙厚度180地上内墙厚度160柱断面500×700、500×500、340×700、450×500梁断面400×650、400×500、300×650、400×1180车库楼板厚度150车库顶板厚度350地上楼板厚度80、100、1108转换及置转换位置主体四周结构形式转换深梁9钢筋类不一级钢φ6,φ8,φ10,φ18二级钢φ12,φ14,φ16,φ18,φ20,φ22,φ25。预应力筋φj15 fptk=1840 直径 15.24mm10碱骨料反应结构混凝土为Ⅱ工程,使用 C 种碱性骨料,碱含量不得超过 3kg/m311施工缝地下按后浇带自然分开,地上设于单元交接处位置12钢筋连接形式气压焊基础梁,框架梁主筋(≥Φ20)电渣压力焊≥Φ18 竖向钢筋13抗震等级工程设防烈度8...

1、当您付费下载文档后,您只拥有了使用权限,并不意味着购买了版权,文档只能用于自身使用,不得用于其他商业用途(如 [转卖]进行直接盈利或[编辑后售卖]进行间接盈利)。
2、本站所有内容均由合作方或网友上传,本站不对文档的完整性、权威性及其观点立场正确性做任何保证或承诺!文档内容仅供研究参考,付费前请自行鉴别。
3、如文档内容存在违规,或者侵犯商业秘密、侵犯著作权等,请点击“违规举报”。

碎片内容

0050-某住宅小区6号楼钢筋工程施工方案

您可能关注的文档

确认删除?
VIP
微信客服
  • 扫码咨询
会员Q群
  • 会员专属群点击这里加入QQ群
客服邮箱
回到顶部