电脑桌面
添加小米粒文库到电脑桌面
安装后可以在桌面快捷访问

01-胶合木分项工程质量管理

01-胶合木分项工程质量管理_第1页
1/1
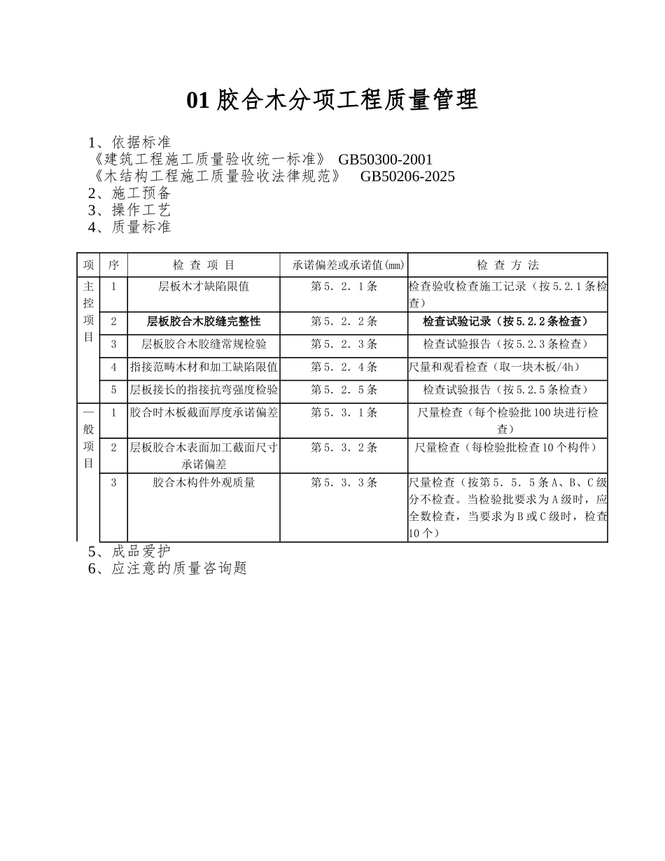
01 胶合木分项工程质量管理1、依据标准《建筑工程施工质量验收统一标准》 GB50300-2001《木结构工程施工质量验收法律规范》 GB50206-20252、施工预备3、操作工艺4、质量标准项序检 查 项 目承诺偏差或承诺值(mm)检 查 方 法主控项目1层板木才缺陷限值第 5.2.1 条检查验收检查施工记录(按 5.2.1 条检查)2层板胶合木胶缝完整性第 5.2.2 条检查试验记录(按 5.2.2 条检查)3层板胶合木胶缝常规检验第 5.2.3 条检查试验报告(按 5.2.3 条检查)4指接范畴木材和加工缺陷限值第 5.2.4 条尺量和观看检查(取一块木板/4h)5层板接长的指接抗弯强度检验第 5.2.5 条检查试验报告(按 5.2.5 条检查)—般项目1胶合时木板截面厚度承诺偏差第 5.3.1 条尺量检查(每个检验批 100 块进行检查)2层板胶合木表面加工截面尺寸承诺偏差第 5.3.2 条尺量检查(每检验批检查 10 个构件)3胶合木构件外观质量第 5.3.3 条尺量检查(按第 5.5.5 条 A、B、C 级分不检查。当检验批要求为 A 级时,应全数检查,当要求为 B 或 C 级时,检查10 个)5、成品爱护6、应注意的质量咨询题

1、当您付费下载文档后,您只拥有了使用权限,并不意味着购买了版权,文档只能用于自身使用,不得用于其他商业用途(如 [转卖]进行直接盈利或[编辑后售卖]进行间接盈利)。
2、本站所有内容均由合作方或网友上传,本站不对文档的完整性、权威性及其观点立场正确性做任何保证或承诺!文档内容仅供研究参考,付费前请自行鉴别。
3、如文档内容存在违规,或者侵犯商业秘密、侵犯著作权等,请点击“违规举报”。

碎片内容

01-胶合木分项工程质量管理

确认删除?
VIP
微信客服
  • 扫码咨询
会员Q群
  • 会员专属群点击这里加入QQ群
客服邮箱
回到顶部