双胶合设计设计一:透镜参数:1. 焦距为 100mm。2. 相对孔径为 1/5。3. 全视场 2ω 为 10 度。4. 物距为无穷远。5. 双胶合透镜...
胶合木结构检验批质量验收记录 02070201 ____单位(子单位)工程名称智多星分部(子分部)工程名称主体结构/木结构分项工程名称胶合木结构...
施工组织设计(方案)报审表工程名称:编号:致: (监理单位)我方已根据施工合同的有关规定完成了 工程施工组织设计(方案)的编制,并...
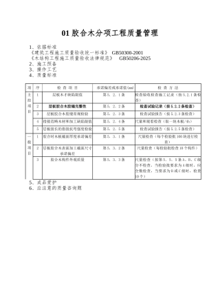
01 胶合木分项工程质量管理1、依据标准《建筑工程施工质量验收统一标准》 GB50300-2001《木结构工程施工质量验收法律规范》 GB50206-202...
胶合板模板的技术指标与进场验收建筑工程中砼用木胶合板模板,参考标准是国标《混凝土模板用胶合板》GB/T17656-2024、《人造板的尺寸测定》...
胶合木工程质量管理1、依据标准《建筑工程施工质量验收统一标准》 GB50300-2001《木结构工程施工质量验收法律规范》 GB50206-20242、施工...
1 胶合板模板的技术指标与进场验收 建筑工程中砼用木胶合板模板,参考标准是国标《混凝土模板用胶合板》GB/T17656-2008 、《人造板的尺...
精品文档---下载后可任意编辑聚丙烯/顺丁橡胶合金相结构形成演变及其分散动力学讨论的开题报告题目:聚丙烯/顺丁橡胶合金相结构形成演变及...
精品文档---下载后可任意编辑GluBam 胶合竹材的耐久性能及环保性能试验讨论的开题报告1. 讨论背景胶合竹材作为一种新型环保材料,由于其...
光学设计课程设计报告 ——双胶合望远物镜设计 姓 名 : 张 三 学 号 : 0 8 4 2 0 5 2 0 * 班 级 : 0 8 4 2 ...
精品文档---下载后可任意编辑CFRP 增强胶合木-混凝土组合梁试验讨论的开题报告一、讨论背景和意义随着建筑行业不断进展,各种新型建筑结构...
7胶合木结构
下载后可任意编辑绿色胶合木销售方案背景随着全球环保意识的提高,绿色胶合板作为一种环保材料受到了越来越多的关注。绿色胶合板与传统的实...
胶合木木结构木屋设计标准参考胶合木结构标准GB50005-2017 1 、胶合木结构分为层板胶合木结构与正交胶合木结构两类。层板胶合木结构主要...
第十一章 胶合工艺 为了保证光学仪器具有良好的成像质量以及满足仪器对转像或其他要求,光学仪器的物镜、目镜、转像系统和某些特殊零件都...
页眉内容精心整理家具生产中常见的胶合家具生产中采用的胶合方式主要有以下几种:(一) 方材胶合方材胶合主要是将短、 小的方材胶接成长...
2.要求设计一个周视瞄准镜的双胶合望远物镜(加棱镜),技术要求如下:设计过程:1.求 h,hz,J 1006.14365.7148.01'''4365.7)tan(''0621...
设计双胶合望远物镜设计性实验一、实验目的掌握zemax光学设计软件的使用,能进行光学器件的设计和仿真,理解各种光学设计的基本分析原理,...
胶合板模板的技术指标与进场验收建筑工程中砼用木胶合板模板,参考标准是国标《混凝土模板用胶合板》GB/T17656-2008、《人造板的尺寸测定》...
•胶黏剂概述•胶合原理•胶粘剂的成分与性质•胶粘剂的选择与使用•胶粘剂的制造工艺与技术•胶粘剂的发展趋势与未来展望目录contents01胶...

