电脑桌面
添加小米粒文库到电脑桌面
安装后可以在桌面快捷访问

013环境影响评估与鉴定管理程序

013环境影响评估与鉴定管理程序_第1页
1/7
013环境影响评估与鉴定管理程序_第2页
2/7
013环境影响评估与鉴定管理程序_第3页
3/7
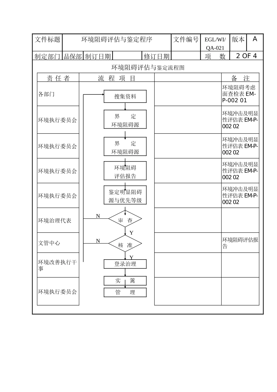
013 环境影响评估与鉴定管理程序环境影响评估与鉴定管理程序文件编号:EGL/WI/QA-021 版本:A制订日期: 年 月 日 修订日期: 年 月 日批 准 审 核制 订分 发 单 位 (数 量)总经理( ) 生产部( ) 品保部( ) 业 务( ) 总经办( ) 采 购( )打算部( ) 机修科( ) 备 份( )宁波伊德尔新材料有限公司文件标题环境阻碍评估与鉴定程序文件编号EGL/WI/QA-021版本A制定部门 品保部 制订日期修订日期页 数1 OF 41 目的:为了解公司各时期活动及服务对环境之阻碍,应以有效之方式鉴定明显环境阻碍源与订定改善行动之优先级,以设定环境政策及对外展现本厂之环境改善绩效。2 范畴:公司活动、服务及事务部门之过去、现在及以后进展打算,对环境可能造成之阻碍或卫击。3 权责:品保部:环境阻碍评估与鉴定。4 定义:无5 作业内容:5.1 环境阻碍评估与鉴定流程图宁波伊德尔新材料有限公司文件标题环境阻碍评估与鉴定程序文件编号EGL/WI/QA-021版本A制定部门 品保部 制订日期修订日期项 数2 OF 4环境阻碍评估与鉴定流程图责 任 者流 程 项 目备 注各部门环境阻碍考虑面查检表 EM-P-002 01环境执行委员会环境冲击及明显性评估表 EM-P-002 02环境执行委员会环境冲击及明显性评估表 EM-P-002 02环境执行委员会环境冲击及明显性评估表 EM-P-002 02环境执行委员会环境冲击及明显性评估表 EM-P-002 02环境治理代表文管中心环境阻碍评估报告环境改善执行干事环境执行委员会NYNY界 定环境阻碍源界 定环境阻碍源环境阻碍评估报告鉴定明显阻碍源与优先等级实 篱登录治理管 理审 查搜集资料核 准宁波伊德尔新材料有限公司文件标题环境阻碍评估与鉴定程序文件编号EGL/WI/QA-021版本A制定部门 品保部 制订日期修订日期页 数3 OF 45.2 环境阻碍评估报告之制定5.2.1 各部门依据据环境阻碍考虑面查核表,收集部门与环境阻碍之数据,提供品保部汇整,以做为环境阻碍源之依据。5.2.2 环境执行委员会各委员根据各部门提供之数据,考虑各制程所产生之污染性质及污染量,来界定环境阻碍源。5.2.3 各委员依据上述之考虑,将资料填入环境冲击及明显性评估表。5.3EMS 执行总干事依据环境冲击及明显性评估表,拟定环境阻碍评估报告,格式包括(目的、范畴、期间、评估人员),内容包括(A.法规规定及治理规定; B.环境阻碍之辅导训练、服务; C.环境治理实务; D.过支意外不良事件之摘要; E 加上需要之附件、佐证数据及图表...

1、当您付费下载文档后,您只拥有了使用权限,并不意味着购买了版权,文档只能用于自身使用,不得用于其他商业用途(如 [转卖]进行直接盈利或[编辑后售卖]进行间接盈利)。
2、本站所有内容均由合作方或网友上传,本站不对文档的完整性、权威性及其观点立场正确性做任何保证或承诺!文档内容仅供研究参考,付费前请自行鉴别。
3、如文档内容存在违规,或者侵犯商业秘密、侵犯著作权等,请点击“违规举报”。

碎片内容

013环境影响评估与鉴定管理程序

您可能关注的文档

确认删除?
VIP
微信客服
  • 扫码咨询
会员Q群
  • 会员专属群点击这里加入QQ群
客服邮箱
回到顶部