电脑桌面
添加小米粒文库到电脑桌面
安装后可以在桌面快捷访问

07年质量通病整治措施

07年质量通病整治措施_第1页
1/11
07年质量通病整治措施_第2页
2/11
07年质量通病整治措施_第3页
3/11
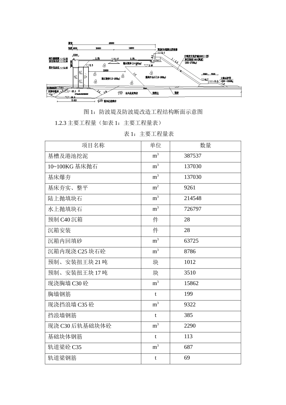
xx 围头港区防波堤及防波堤改造工程质 量 通 病 防 患 及 整 治 措 施1 工程概况1.1 地理位置围头湾位于 xx 省沿海的中部,拟建 xx 围头港区防波堤及防波堤改造工程位于 xx 东南角突出部,xx 市南部 xx 镇 xx 内,在原万吨级码头前沿延长线西侧,行政区划属 xx 市。1.2 工程规模、结构型式及主尺度1.2.1 工程规模⑴ 防波堤工程:沿原万砘级码头的端部延长建设长 390 米的防波堤一座。⑵ 防波堤改造工程:依托防波堤将其后沿改造成为可靠泊 10 万吨级集装箱泊位一个,设计年集装箱吞吐量 25 万 TEU(远期 50 万 TEU)。1.2.2 结构型式及主尺度390 米长的防波堤一座,结构型式为斜坡式防波堤。防波堤迎浪面采纳斜坡式护岸,由挡浪墙、护面、棱体组成。护岸顶为高 5.0 米的现浇钢筋砼防浪墙,斜坡面层上设置 17 吨重的扭王块 3510 块(其中堤头段为 21 吨共 1012 块),其下设厚 1.0 米的 850~1700kg 大块石垫层,斜坡坡度 1:1.5,坡底设 1200~1500kg 以上大块石护面,坡底设 10 米宽重 100~150kg 块石护底。防波堤改造工程的 10 万吨级集装箱泊位码头总长度 441 米,其中过渡段长度 42.1 米,10 万吨级集装箱泊位长度 398.9 米。结构型式均为重力式沉箱结构。抛石基床厚 6m~13.5m。过渡段 3 个 624t 重的沉箱,尺寸:长 ×宽×高=9.31×10.88×11.8 米 。 标 准 段 23 个 1868t 重 沉 箱 , 尺 寸 : 长 × 宽 × 高 =16.76×15.42×17.6 米 。 接 长 段 2 个 2070t 重 的 沉 箱 , 尺 寸 : 长 × 宽 × 高 =12.96×18.66×17.6 米。箱内充填中粗砂(或块石砼);沉箱上部为现浇 C35 砼胸墙(高 6.1 米);码头主体结构沉箱后抛填 10~100kg 抛石棱体,其后为 10~300kg 开山石。码头卸船机轨道间距 30 米。前轨搁置在现浇胸墙上,后轨搁置在强夯和碾压的抛石基础上,后轨道基础采纳轨道梁结构。(如图 1:防波堤及防波堤改造工程结构断面示意图)。图 1:防波堤及防波堤改造工程结构断面示意图1.2.3 主要工程量(如表 1:主要工程量表)表 1:主要工程量表项目名称单位数量基槽及港池挖泥m338753710~100KG 基床抛石m3137030基床爆夯m3137030基床夯实、整平m29261陆上抛填块石m3214548水上抛填块石m3726797预制 C40 沉箱件28沉箱安装件28沉箱内回填砂m363725沉箱内现浇 C25 块石砼m38786预...

1、当您付费下载文档后,您只拥有了使用权限,并不意味着购买了版权,文档只能用于自身使用,不得用于其他商业用途(如 [转卖]进行直接盈利或[编辑后售卖]进行间接盈利)。
2、本站所有内容均由合作方或网友上传,本站不对文档的完整性、权威性及其观点立场正确性做任何保证或承诺!文档内容仅供研究参考,付费前请自行鉴别。
3、如文档内容存在违规,或者侵犯商业秘密、侵犯著作权等,请点击“违规举报”。

碎片内容

07年质量通病整治措施

您可能关注的文档

MY shop+ 关注
实名认证
内容提供者

欢迎挑选适合自己的材料。

确认删除?
VIP
微信客服
  • 扫码咨询
会员Q群
  • 会员专属群点击这里加入QQ群
客服邮箱
回到顶部