电脑桌面
添加小米粒文库到电脑桌面
安装后可以在桌面快捷访问

10.10微波炉滤网清洁

10.10微波炉滤网清洁_第1页
1/4
10.10微波炉滤网清洁_第2页
2/4
10.10微波炉滤网清洁_第3页
3/4
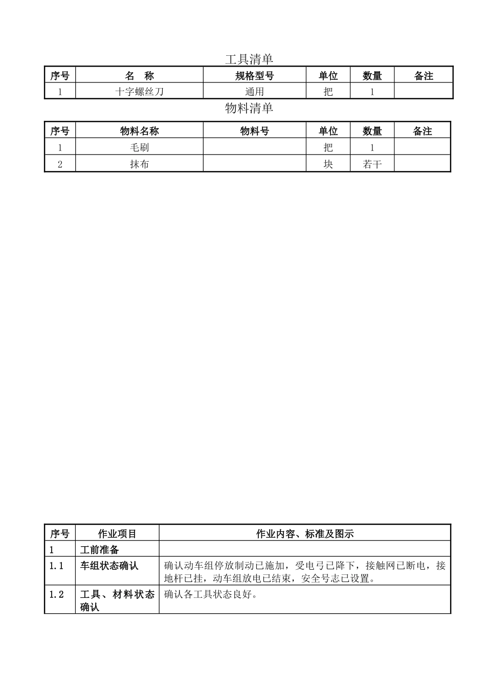
维修项目:微波炉滤网清洁适用车型CRH380A(统)版本V4.1修程二级修周期90 天 分类A 级系统车内设施车厢号05供电条件无电作业人数1 人作业时间20 分钟/列注意事项1.作业人员按规定穿戴工作服、防护鞋、安全帽等劳保用品。2.作业人员按法律规范携带对讲机、手电筒、“车统-15”本、记录笔等随身工具。3.“车统-15”本、检修台帐使用蓝黑钢笔或中性笔填写,禁止使用圆珠笔、铅笔以及其他颜色的笔填写。4.作业中法律规范使用联控用语,小组内作业人员同步作业,加强互控;作业完毕及时清理现场,做到“工完、料尽、场地清”。5.断电状态进行滤网清理工作。6.滤网清理洁净,无明显堵塞。参考资料1.铁路总公司 V3.0 版二级修卡片。2.中国铁路总公司 CRH380A(L)型动车组维修卡片(V4.1)。备注1.如实填写检修记录并及时在管理信息系统中回填。2.“”表示质检员对作业结果进行检查。3.人员分工:作业人员负责全部作业,详细内容见作业步骤。版本变更信息版本修订日期更改情况说明编制审核批准V3.02025.9《铁路动车组运用维修规程》(铁总运[2025]158 号)吴捷刘耀华徐国林V4.02025.5依据《中国铁路总公司运输局关于动车组作业指导书修订会议纪要》(运辆动车函[2025]49 号)王超明刘耀华徐国林V4.12025.7关于修订动车组一、二级检修质量标准的通知王超明刘耀华徐国林工具清单序号名 称规格型号单位数量备注1十字螺丝刀通用把1物料清单序号物料名称物料号单位数量备注1毛刷把12抹布块若干序号作业项目作业内容、标准及图示1工前准备1.1车组状态确认确认动车组停放制动已施加,受电弓已降下,接触网已断电,接地杆已挂,动车组放电已结束,安全号志已设置。1.2工具、材料状态确认确认各工具状态良好。序号作业项目作业内容、标准及图示2微波炉滤网清理2.1微波炉滤网拆卸(1) 拔下微波炉插座,确认微波炉处于断电状态。(2) 使用短柄十字螺丝刀卸下微波炉固定座两侧的螺钉,用手或平口起松下滤网螺栓,抬起微波炉前端,卸下微波炉滤网。微波炉2.2滤网清理(1) 使用毛刷或干抹布对滤网清理,若清理不净,可考虑采纳水洗或风吹方式清理。(2) 恢复滤网及相关螺钉。2.3工作状态检查插上微波炉插座,开启微波炉,检查微波炉工作状态正常。3完工确认作业完毕后,应做到工完料净场地清并及时报告。

1、当您付费下载文档后,您只拥有了使用权限,并不意味着购买了版权,文档只能用于自身使用,不得用于其他商业用途(如 [转卖]进行直接盈利或[编辑后售卖]进行间接盈利)。
2、本站所有内容均由合作方或网友上传,本站不对文档的完整性、权威性及其观点立场正确性做任何保证或承诺!文档内容仅供研究参考,付费前请自行鉴别。
3、如文档内容存在违规,或者侵犯商业秘密、侵犯著作权等,请点击“违规举报”。

碎片内容

10.10微波炉滤网清洁

确认删除?
VIP
微信客服
  • 扫码咨询
会员Q群
  • 会员专属群点击这里加入QQ群
客服邮箱
回到顶部