电脑桌面
添加小米粒文库到电脑桌面
安装后可以在桌面快捷访问

30m跨度普通钢桁架设计计算书

30m跨度普通钢桁架设计计算书_第1页
1/30
30m跨度普通钢桁架设计计算书_第2页
2/30
30m跨度普通钢桁架设计计算书_第3页
3/30
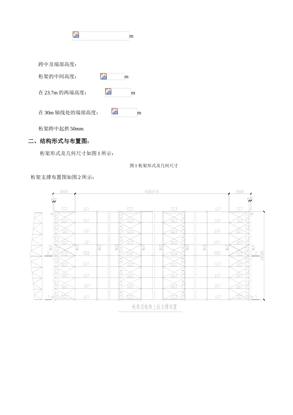
钢结构设计计算书 姓 名: 班 级: 学 号: 指导老师: 一、设计资料: 1.结构形式: 某厂房总长度 108m,跨度为 24m,纵向柱距 6m,厂房建筑采纳封闭结合。采纳钢筋混凝土柱,梯形钢屋架,柱的混凝土强度等级为 C30,上柱截面 400mm×400mm,屋面坡度 i=1/10。地区计算温度高于-200C,无侵蚀性介质,地震设防烈度为 8 度,屋架下弦标高为 18m;厂房内桥式吊车为 2 台 50/10t(中级工作制),锻锤为 2 台 5t。2. 屋架形式及荷载:屋架形式、几何尺寸及内力系数(节点荷载 P=1.0 作用下杆件的内力)如附图所示。屋架采纳的钢材为 Q345A 钢,焊条为 E50 型。3.屋盖结构及荷载标准值(水平投影面计) 无檩体系:采纳 1.5×6.0m 预应力混凝土屋面板,屋架铰支于钢筋混凝土柱上。荷载:①屋架及支撑自重:按经验公式 q=0.12+0.011L,L 为屋架跨度,以 m 为单位,q 为屋架及支撑自重,以可 kN/m2为单位;②屋面活荷载:施工活荷载标准值为 0.7kN/m2,雪荷载的基本雪压标准值为 S0=0.35kN/m2,施工活荷载与雪荷载不同时考虑,而是取两者的较大值。积灰荷载标准值:0.5kN/m2。③屋面各构造层的荷载标 准值:三毡四油(上铺绿豆砂)防水层 0.40kN/m2水泥砂浆找平层 0.50kN/m2保温层 0.80kN/m2一毡二油隔气层 0.05kN/m2水泥砂浆找平层 0.40kN/m2预应力混凝土屋面板 1.50kN/m2④桁架计算跨度: m 跨中及端部高度: 桁架的中间高度: m 在 23.7m 的两端高度: m 在 30m 轴线处的端部高度: m 桁架跨中起拱 50mm二、结构形式与布置图:桁架形式及几何尺寸如图 1 所示:图 1 桁架形式及几何尺寸 桁架支撑布置图如图 2 所示: 图 2三、荷载计算1、荷载计算:屋面活荷载与雪荷载不会同时出现,从资料可知屋面活荷载大于雪荷载,故取屋面活荷载计算。沿屋面斜面分布的永久荷载应乘以换算为沿水平投影面分布的荷载。桁架沿水平投影面积分布的自重(包括支撑)按经验公式(支撑)计算,跨度单位 m。永久荷载标准值:三毡四油(上铺绿豆砂)防水层 1.005×0.4 kN/m2=0.402kN/m2水泥砂浆找平层 1.005×0.5 kN/m2=0.503kN/m2保温层 1.005×0.8 kN/m2=0.804kN/m2一毡二油隔气层 1.005×0.05 kN/m2=0.050kN/m2水泥砂浆找平层 1.005×0.4 kN/m2=0.402kN/m2预应力混凝土屋面板 1.005×1.5 kN/m2=1.508 kN/m2桁架和支撑自重 0.12 KN/ m 2 +0.011 ×24 kN / m 2 =0.384 kN /...

1、当您付费下载文档后,您只拥有了使用权限,并不意味着购买了版权,文档只能用于自身使用,不得用于其他商业用途(如 [转卖]进行直接盈利或[编辑后售卖]进行间接盈利)。
2、本站所有内容均由合作方或网友上传,本站不对文档的完整性、权威性及其观点立场正确性做任何保证或承诺!文档内容仅供研究参考,付费前请自行鉴别。
3、如文档内容存在违规,或者侵犯商业秘密、侵犯著作权等,请点击“违规举报”。

碎片内容

30m跨度普通钢桁架设计计算书

您可能关注的文档

确认删除?
VIP
微信客服
  • 扫码咨询
会员Q群
  • 会员专属群点击这里加入QQ群
客服邮箱
回到顶部