电脑桌面
添加小米粒文库到电脑桌面
安装后可以在桌面快捷访问

600mw电站管道热处理常用工艺卡

600mw电站管道热处理常用工艺卡_第1页
1/39
600mw电站管道热处理常用工艺卡_第2页
2/39
600mw电站管道热处理常用工艺卡_第3页
3/39
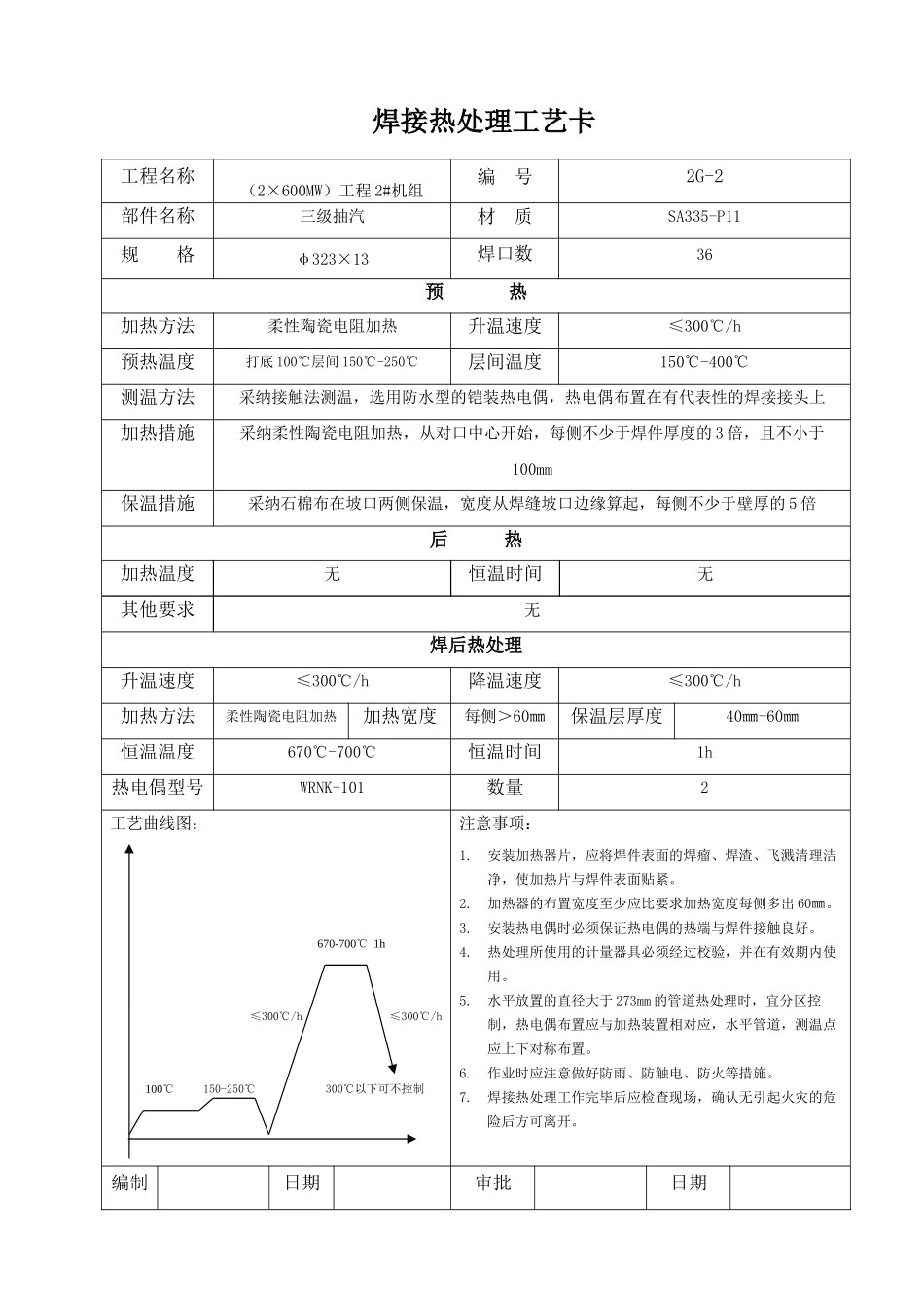
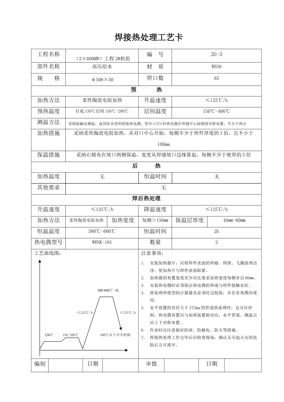
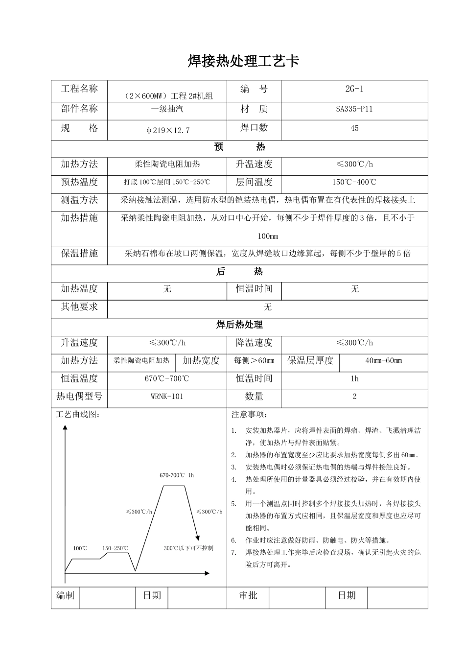
焊接热处理工艺卡工程名称(2×600MW)工程 2#机组编 号2G-1部件名称一级抽汽材 质SA335-P11规 格φ219×12.7焊口数45预 热加热方法柔性陶瓷电阻加热升温速度≤300℃/h预热温度打底 100℃层间 150℃-250℃层间温度150℃-400℃测温方法采纳接触法测温,选用防水型的铠装热电偶,热电偶布置在有代表性的焊接接头上加热措施采纳柔性陶瓷电阻加热,从对口中心开始,每侧不少于焊件厚度的 3 倍,且不小于100mm保温措施采纳石棉布在坡口两侧保温,宽度从焊缝坡口边缘算起,每侧不少于壁厚的 5 倍后 热加热温度无恒温时间无其他要求无焊后热处理升温速度≤300℃/h降温速度≤300℃/h加热方法柔性陶瓷电阻加热加热宽度每侧>60㎜保温层厚度40㎜-60㎜恒温温度670℃-700℃恒温时间1h热电偶型号WRNK-101数量2工艺曲线图:670-700℃ 1h≤300℃/h ≤300℃/h100℃ 150-250℃ 300℃以下可不控制注意事项:1. 安装加热器片,应将焊件表面的焊瘤、焊渣、飞溅清理洁净,使加热片与焊件表面贴紧。2. 加热器的布置宽度至少应比要求加热宽度每侧多出 60㎜。3.安装热电偶时必须保证热电偶的热端与焊件接触良好。4.热处理所使用的计量器具必须经过校验,并在有效期内使用。5.用一个测温点同时控制多个焊接接头加热时,各焊接接头加热器的布置方式应相同,且保温层宽度和厚度也应尽可能相同。6.作业时应注意做好防雨、防触电、防火等措施。7.焊接热处理工作完毕后应检查现场,确认无引起火灾的危险后方可离开。编制日期审批日期焊接热处理工艺卡工程名称(2×600MW)工程 2#机组编 号2G-2部件名称三级抽汽材 质SA335-P11规 格φ323×13焊口数36预 热加热方法柔性陶瓷电阻加热升温速度≤300℃/h预热温度打底 100℃层间 150℃-250℃层间温度150℃-400℃测温方法采纳接触法测温,选用防水型的铠装热电偶,热电偶布置在有代表性的焊接接头上加热措施采纳柔性陶瓷电阻加热,从对口中心开始,每侧不少于焊件厚度的 3 倍,且不小于100mm保温措施采纳石棉布在坡口两侧保温,宽度从焊缝坡口边缘算起,每侧不少于壁厚的 5 倍后 热加热温度无恒温时间无其他要求无焊后热处理升温速度≤300℃/h降温速度≤300℃/h加热方法柔性陶瓷电阻加热加热宽度每侧>60㎜保温层厚度40㎜-60㎜恒温温度670℃-700℃恒温时间1h热电偶型号WRNK-101数量2工艺曲线图:670-700℃ 1h≤300℃/h ≤300℃/h100℃ 150-250℃ 300℃以下可不控制注意事项:1. 安装加热器片,应将...

1、当您付费下载文档后,您只拥有了使用权限,并不意味着购买了版权,文档只能用于自身使用,不得用于其他商业用途(如 [转卖]进行直接盈利或[编辑后售卖]进行间接盈利)。
2、本站所有内容均由合作方或网友上传,本站不对文档的完整性、权威性及其观点立场正确性做任何保证或承诺!文档内容仅供研究参考,付费前请自行鉴别。
3、如文档内容存在违规,或者侵犯商业秘密、侵犯著作权等,请点击“违规举报”。

碎片内容

600mw电站管道热处理常用工艺卡

您可能关注的文档

确认删除?
VIP
微信客服
  • 扫码咨询
会员Q群
  • 会员专属群点击这里加入QQ群
客服邮箱
回到顶部