电脑桌面
添加小米粒文库到电脑桌面
安装后可以在桌面快捷访问

6、主要施工方案和技术组织措施

6、主要施工方案和技术组织措施_第1页
1/215
6、主要施工方案和技术组织措施_第2页
2/215
6、主要施工方案和技术组织措施_第3页
3/215
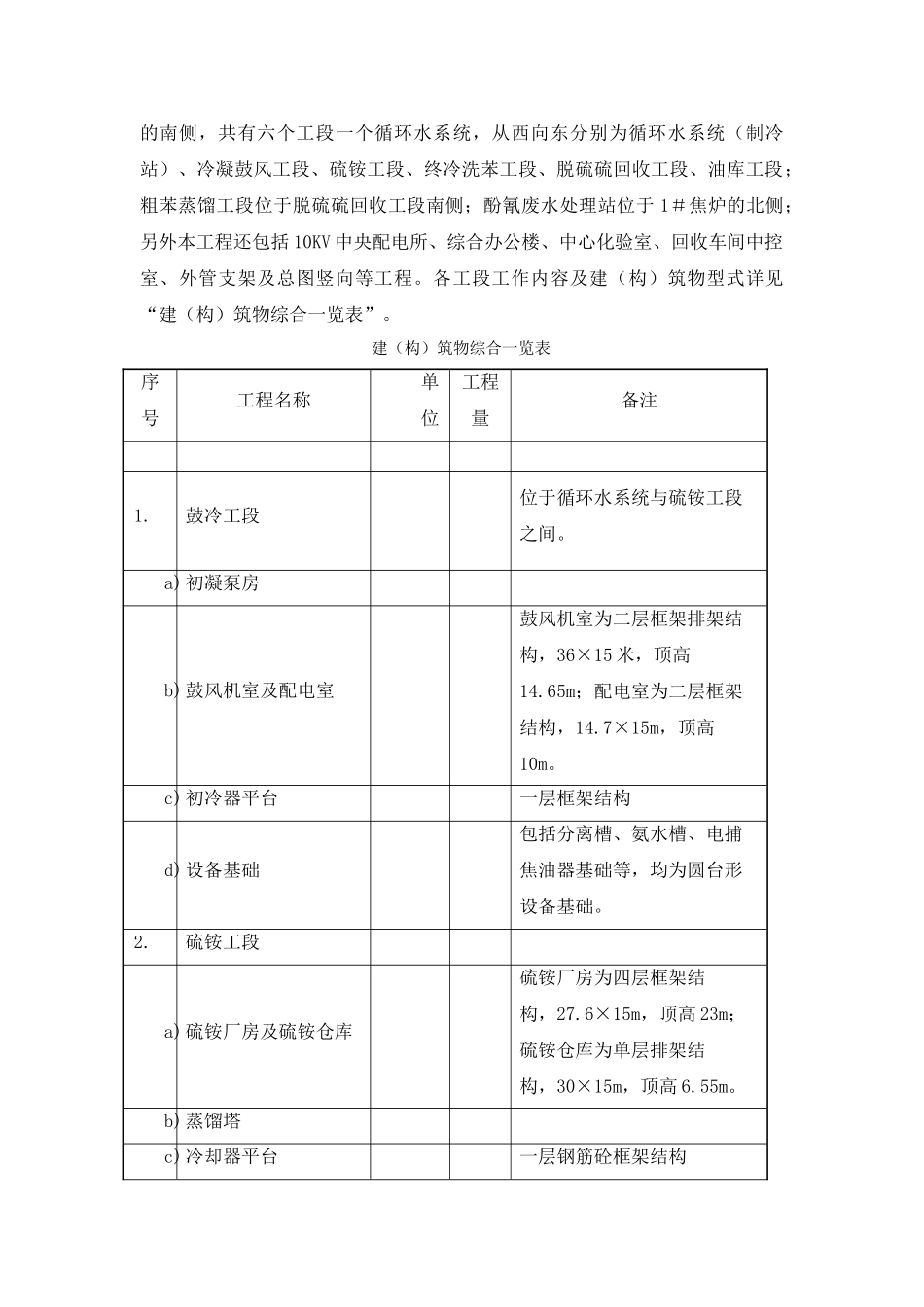
6、主要施工方案和技术组织措施6、主要施工方案和技术组织措施87caed59-0f2e-4404-adba-821277fa3dc8.doc一、 工程概况马钢“十一五”220 万吨/年焦化项目煤气回收系统工程位于 1#2#焦炉的南侧,共有六个工段一个循环水系统,从西向东分别为循环水系统(制冷站)、冷凝鼓风工段、硫铵工段、终冷洗苯工段、脱硫硫回收工段、油库工段;粗苯蒸馏工段位于脱硫硫回收工段南侧;酚氰废水处理站位于 1#焦炉的北侧;另外本工程还包括 10KV 中央配电所、综合办公楼、中心化验室、回收车间中控室、外管支架及总图竖向等工程。各工段工作内容及建(构)筑物型式详见“建(构)筑物综合一览表”。建(构)筑物综合一览表序号工程名称单位工程量备注1.鼓冷工段位于循环水系统与硫铵工段之间。a)初凝泵房b)鼓风机室及配电室鼓风机室为二层框架排架结构,36×15 米,顶高14.65m;配电室为二层框架结构,14.7×15m,顶高10m。c)初冷器平台一层框架结构d)设备基础包括分离槽、氨水槽、电捕焦油器基础等,均为圆台形设备基础。2.硫铵工段a)硫铵厂房及硫铵仓库硫铵厂房为四层框架结构,27.6×15m,顶高 23m;硫铵仓库为单层排架结构,30×15m,顶高 6.55m。b)蒸馏塔c)冷却器平台一层钢筋砼框架结构序号工程名称单位工程量备注d)设备基础3.终冷洗苯工段a)设备基础4.脱硫硫回收工段a)脱硫框架脱硫框架为三层钢筋砼框架结构,30×30m,顶高 18m。b)硫磺仓库c)设备基础5.粗苯蒸馏工段a)粗苯塔架粗苯塔架为九层钢筋砼框架结构,顶高 39.5m,b)泵房一层c)设备基础管式加热炉等6.油库工段a)硫酸槽、碱槽、焦油槽、轻苯槽b)油库操作室m2100砖混结构7回收车间中控室m21000四层砖混结构、塑钢门窗、不含抗静电活动地板、吊顶8中央配电所三层砼框架结构9酚氰废水处理站包括加碱泵房、处理后吸水井、1#,2#凝聚沉淀池、浓缩池、混合反应池、二沉池、好氧池、缺氧池、调节池厌氧池、除油池酚氰废水处理站综合楼m2816二层钢筋砼框架结构、塑钢门窗序号工程名称单位工程量备注酚氰废水处理站布水器室m2240砖混结构、塑钢门窗10循环水系统包括溴化锂制冷站、循环水泵房及加药间、冷却塔2*12*12m、冷却塔3*15*15m、低温水吸水井、回收循环水吸水井11中心试验室.环境.煤气等m21300二层钢筋砼框架结构、塑钢门窗12焦化综合楼m21000四层钢筋砼框架结构、塑钢门窗二、 编制依据马鞍山钢铁股份有限公司“十一五”技术改造和结构调整项目焦化煤气回收建筑安装工程施工招标文件及...

1、当您付费下载文档后,您只拥有了使用权限,并不意味着购买了版权,文档只能用于自身使用,不得用于其他商业用途(如 [转卖]进行直接盈利或[编辑后售卖]进行间接盈利)。
2、本站所有内容均由合作方或网友上传,本站不对文档的完整性、权威性及其观点立场正确性做任何保证或承诺!文档内容仅供研究参考,付费前请自行鉴别。
3、如文档内容存在违规,或者侵犯商业秘密、侵犯著作权等,请点击“违规举报”。

碎片内容

6、主要施工方案和技术组织措施

您可能关注的文档

确认删除?
VIP
微信客服
  • 扫码咨询
会员Q群
  • 会员专属群点击这里加入QQ群
客服邮箱
回到顶部