电脑桌面
添加小米粒文库到电脑桌面
安装后可以在桌面快捷访问

AC-13I沥青砼表面层生产配比组成设计说明

AC-13I沥青砼表面层生产配比组成设计说明_第1页
1/2
AC-13I沥青砼表面层生产配比组成设计说明_第2页
2/2
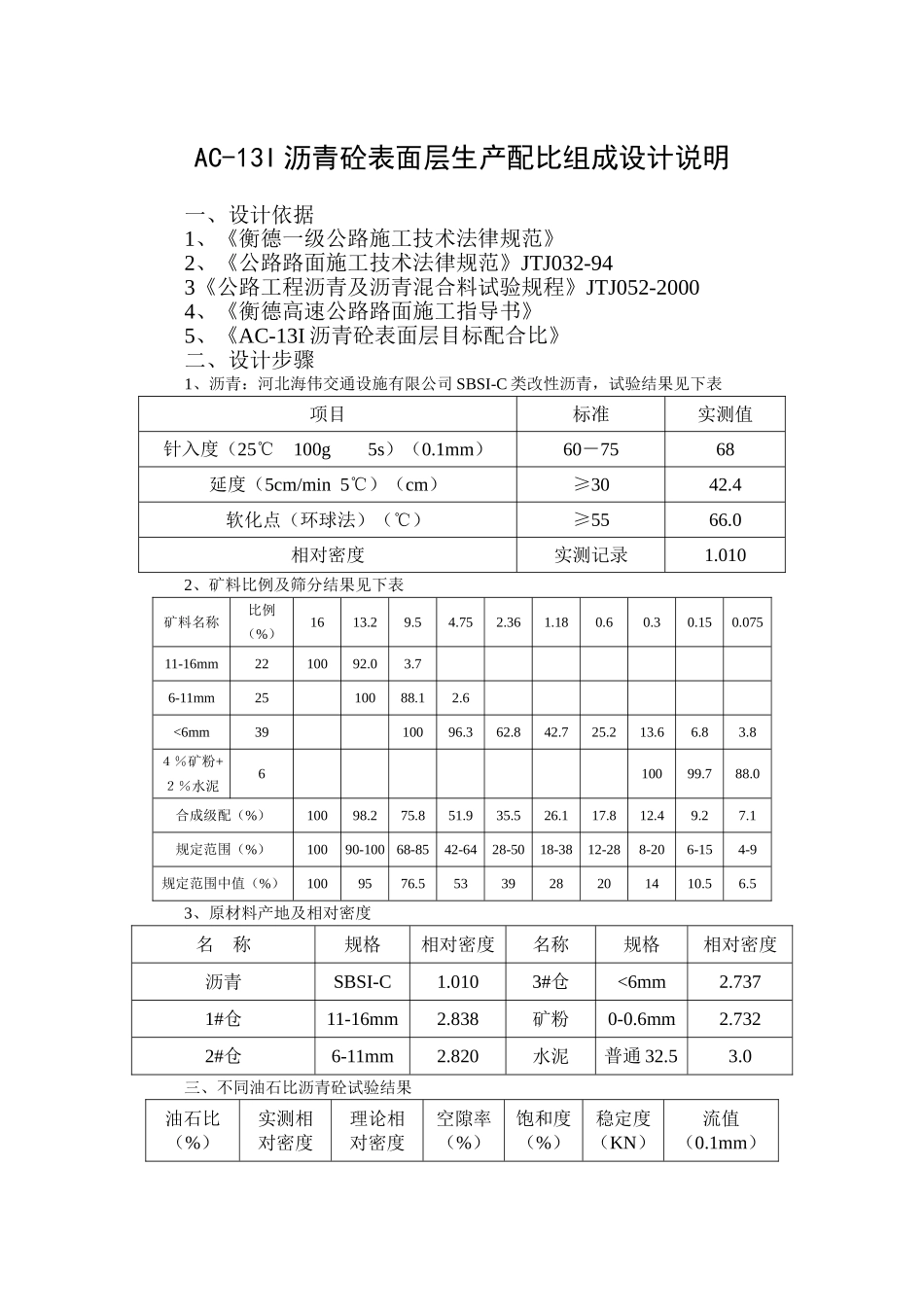
AC-13I 沥青砼表面层生产配比组成设计说明一、设计依据1、《衡德一级公路施工技术法律规范》2、《公路路面施工技术法律规范》JTJ032-943《公路工程沥青及沥青混合料试验规程》JTJ052-20004、《衡德高速公路路面施工指导书》5、《AC-13I 沥青砼表面层目标配合比》二、设计步骤1、沥青:河北海伟交通设施有限公司 SBSI-C 类改性沥青,试验结果见下表项目标准实测值针入度(25℃ 100g 5s)(0.1mm)60-7568延度(5cm/min 5℃)(cm)≥3042.4软化点(环球法)(℃)≥5566.0相对密度实测记录1.0102、矿料比例及筛分结果见下表矿料名称比例(%)1613.29.54.752.361.180.60.30.150.07511-16mm2210092.03.76-11mm2510088.12.6<6mm3910096.362.842.725.213.66.83.84%矿粉+2%水泥610099.788.0合成级配(%)10098.275.851.935.526.117.812.49.27.1规定范围(%)10090-10068-8542-6428-5018-3812-288-206-154-9规定范围中值(%)1009576.5533928201410.56.53、原材料产地及相对密度名 称规格相对密度名称规格相对密度沥青SBSI-C1.0103#仓<6mm2.7371#仓11-16mm2.838矿粉0-0.6mm2.7322#仓6-11mm2.820水泥普通 32.53.0三、不同油石比沥青砼试验结果油石比(%)实测相对密度理论相对密度空隙率(%)饱和度(%)稳定度(KN)流值(0.1mm)4.42.4722.5924.669.116.8035.14.72.4832.5803.874.615.7642.55.02.4802.5693.477.314.3849.8四、根据马歇尔试验结果,确定生产配合比的最佳油石比为 4.7%,按最佳油石比制件试验结果如下:试验项目标准要求试验结果稳定度(KN)>6.015.26流值(0.1mm)20-5041.9空隙率(%)3-53.8沥青饱和度(%)65-8074.4残留稳定度(%)>8089.9五、按最佳油石比制件各项试验结果均符合要求,因此建议采纳 4.7%的油石比为 AC-13I 沥青砼表面层生产配合比的最佳油石比。

1、当您付费下载文档后,您只拥有了使用权限,并不意味着购买了版权,文档只能用于自身使用,不得用于其他商业用途(如 [转卖]进行直接盈利或[编辑后售卖]进行间接盈利)。
2、本站所有内容均由合作方或网友上传,本站不对文档的完整性、权威性及其观点立场正确性做任何保证或承诺!文档内容仅供研究参考,付费前请自行鉴别。
3、如文档内容存在违规,或者侵犯商业秘密、侵犯著作权等,请点击“违规举报”。

碎片内容

AC-13I沥青砼表面层生产配比组成设计说明

确认删除?
VIP
微信客服
  • 扫码咨询
会员Q群
  • 会员专属群点击这里加入QQ群
客服邮箱
回到顶部